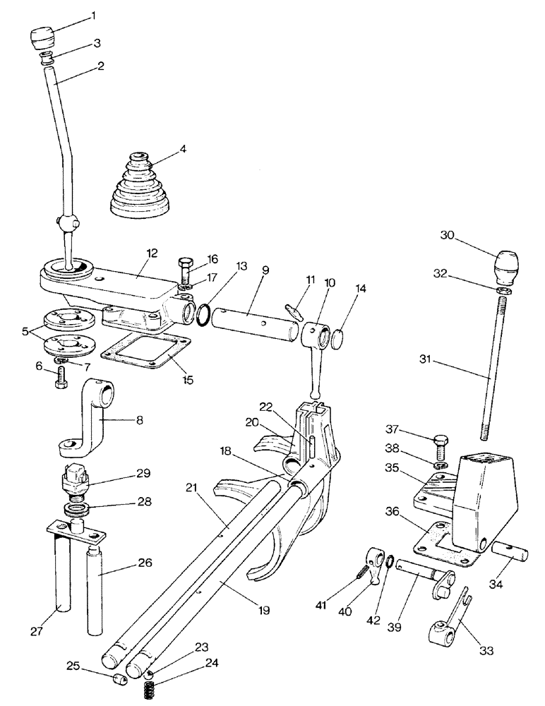
Запчасти Case IH 1690 (D13-1) - GEAR SHIFT LEVERS, POWER SHIFT LOW PROFILE MODEL (03) - POWER TRAIN

Схема запчастей Case IH 1690 - (D13-1) - GEAR SHIFT LEVERS, POWER SHIFT LOW PROFILE MODEL (03) - POWER TRAIN
42
37
16
28
29
1
14
32
13
15
20
4
9
10
19
21
3
25
24
7
22
39
18
34
23
36
41
33
27
6
5
31
40
2
35
8
26
17
30
38
12
11
FIT
1:1
100%

Артикул

Название

Примечание

Количество

1

K200553

KNOB

- lever

1шт.

2

K200196

SELECTOR

LEVER - range

1шт.

3

K628472

RING

- retaining

1шт.

4

K950494

RUBBER

COVER - lever

1шт.

5

K200162

SPACER

HOUSING - ball

2шт.

6

K602739

SCREW

SETSCREW - 1/4 UNC x 1-1/8"

4шт.

7

K626341

SPRING WASHER

WASHER - lock, 1/4"

4шт.

8

K200161

LEVER

ARM - shaft

1шт.

9

K200160

SHAFT

- selector

1шт.

10

K202079

SELECTOR

LEVER - selector

1шт.

11

K623778

PIN, GROOVED

PIN - 5/16 x 1-1/2"

2шт.

12

K200159

GEAR

HOUSING - lever

1шт.

13

K623630

SEAL

O-RING 7/8" ID

1шт.

14

K623810

PLUG

CORE PLUG - 1" diameter

1шт.

15

K950543

GASKET,0.2mm Thk

- housing

1шт.

16

9635884

BOLT,Hex, 5/16" - 18 1", Full Thd, Gr 5

- 5/16 UNC x 1-1/2"

4шт.

17

K626345

LOCK WASHER

WASHER - lock, 5/16"

4шт.

18

K917217

SELECTOR

FORK - selector, first and third

1шт.

19

K917216

SELECTOR

ROD - selector, range

1шт.

20

K917219

SELECTOR

FORK - selector, second and reverse

1шт.

21

K917218

SELECTOR

ROD - selector, range

1шт.

22

K623887

PIN,5.21mm OD x 25.4mm L

- 3/16 x 1"

2шт.

23

K13506

BALL

STEEL BALL - 3/8"

4шт.

24

K13507

SPRING

- ball

2шт.

25

K30430

LOCKING DEVICE

LOCK - gear

1шт.

26

K945208

PLUNGER

- plate

1шт.

27

K945204

PLUNGER

AND PLATE - lever

1шт.

28

K626895

SHIM,.002" Thk

1шт.

28

K626858

SHIM,.005" Thk

1шт.

28

K626894

SHIM,.010" Thk

1шт.

29

K200652

NEUTRAL START SWITCH

SAFETY SWITCH - starter

1шт.

30

K950493

KNOB

- lever

1шт.

31

K203004

GEAR

LEVER - power shift

1шт.

32

87016560

JAM NUT,Jam, 3/8"-16, G5

LOCKNUT - 3/8 UNC

1шт.

33

K301296

LEVER

- selector

1шт.

34

K203003

PIN

- pivot

1шт.

35

K203577

SELECTOR

HOUSING - selector

1шт.

36

K202121

GASKET

- housing

1шт.

37

K602883

SCREW,5/16" - 18 x 3/4", Gr V

SETSCREW - 5/16 UNC x 3/4"

4шт.

38

K19481

SPRING WASHER

WASHER - lock, 5/16"

4шт.

39

K301293

SHAFT

SPINDLE AND ARM - selector lever

1шт.

40

K201835

SELECTOR

LEVER - spool valve

1шт.

41

K623729

PIN

- 3/16 x 3/4"

1шт.

42

K24554

O-RING

- 3/8"

1шт.

Выбрано товаров: 44