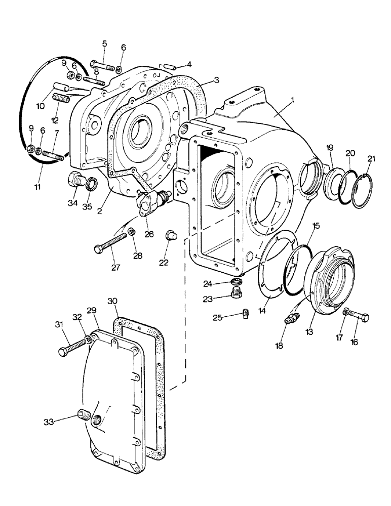
Запчасти Case IH 1690 (E02-1) - CASE AND COVERS FOR FINAL DRIVES (05) - REAR AXLE

Схема запчастей Case IH 1690 - (E02-1) - CASE AND COVERS FOR FINAL DRIVES (05) - REAR AXLE
6
7
11
16
9
18
19
17
6
2
9
1
28
8
4
12
15
35
6
20
34
27
25
24
23
33
13
31
21
14
29
22
10
32
3
5
30
FIT
1:1
100%

Артикул

Название

Примечание

Количество

1

K950147

HOUSING

CASE - right-hand

1шт.

1

K950146

HOUSING

CASE - left-hand

1шт.

2

K956401

BUSHING

BRAKE HOUSING - right-hand

1шт.

2

K956400

BUSHING

BRAKE HOUSING - left-hand

1шт.

3

K940834

GASKET,0.25mm Thk

- housing

2шт.

4

K900105

PIN

DOWEL - 5/8 x 1-7/8"

4шт.

5

K600810

BOLT

- 1/2 UNC x 2-1/2"

22шт.

5

K600890

BOLT

- 1/2 UNC x 4"

4шт.

6

K626345

LOCK WASHER

WASHER - lock, 1/2"

46шт.

7

K608418

STUD

- 1/2 UNC x 2-13/16"

20шт.

7

K608509

STUD

- 1/2 UNC x 2-11/16" (With 2 post roll bar)

14шт.

7

K608509

STUD

- 1/2 UNC x 2-11/16" (Without 2 post roll bar)

18шт.

8

K608428

STUD

- 1/2 UNC x 3-1/8" (Without 2 post roll bar)

2шт.

8

K608428

STUD

- 1/2 UNC x 3-1/8" (With 2 post roll bar)

6шт.

9

K607239

NUT

- 1/2 UNC

20шт.

10

K900105

PIN

DOWEL - 5/8" x 1-1/8"

4шт.

11

K628855

O-RING,3mm Thk x 244mm ID, 75 Duro

- 9-5/8"

2шт.

12

K947891

BREATHER

PLUG - 3/8 UNF

2шт.

13

K945535

HOUSING

- oil seal, right-hand

1шт.

13

K945536

HOUSING

- oil seal, left-hand

1шт.

14

K940849

SHIM

- 0.003"

1шт.

14

K940848

SHIM,0.13mm Thk

- 0.005"

1шт.

14

K940847

SHIM,0.38mm Thk

- 0.015"

1шт.

14

K940846

SHIM

- 0.030"

1шт.

15

K623539

O-RING,0.139" Thk x 5.734" ID, -256, Cl 5, 75 Duro

- 6" ID

2шт.

16

K600602

BOLT,Hex, 7/16" - 14 x 1 1/2", Gr 5

- 7/16 UNC x 1/2"

12шт.

17

K626344

WASHER, LOCK

WASHER - lock, 7/16"

12шт.

18

219-8

LUBE NIPPLE,1/4" - 28 NPTF

NIPPLE, LUBE, , UNF 1/4"-28 NPT x .54" lg

2шт.

19

K929889

PLATE

COVER - end

2шт.

20

K623703

O-RING,3.1mm Thk x 94.45mm ID

- 95 MM ID

2шт.

21

K16296

RING

- snap, 3-3/4"

2шт.

22

K628084

PLUG

PLASTIC PLUG - 5/8"

6шт.

23

K623849

PLUG

- 1/2 BSP, oil drain

2шт.

24

K626317

WASHER

SEALING WASHER - 7/8"

2шт.

25

K623758

PLUG

TAPER PLUG - 1/4 BSP

2шт.

26

K201826

CYLINDER

SLAVE CYLINDER - brakes

2шт.

27

13-528

BOLT,Hex, 5/16" - 18 x 1-3/4", Gr 5

SETSCREW - 5/16 UNC x 1-3/4" (Replaces K602811)

4шт.

28

K19481

SPRING WASHER

WASHER - lock, 5/16"

4шт.

29

K929061

COVER

- housing

2шт.

30

K929062

GASKET

- cover

2шт.

31

413-618

BOLT,Hex, 3/8" - 16 x 1-1/8", Gr 5

SETSCREW - 3/8 UNC x 1-1/8"

24шт.

32

K19482

SPRING WASHER

WASHER - lock, 3/8"

24шт.

33

K12362

PLUG

TAPER PLUG - 1/2 BSP

42шт.

34

K623830

PLUG

FLANGED PLUG - 1" BSP

2шт.

35

K11120

SEALING WASHER

WASHER - fiber

2шт.

Выбрано товаров: 0