Запчасти Case IH 1690 (S02-1) - STARTER AND SWITCHES, HIGH PLATFORM, CAB, LOW PROFILE (06) - ELECTRICAL SYSTEMS

Схема запчастей Case IH 1690 - (S02-1) - STARTER AND SWITCHES, HIGH PLATFORM, CAB, LOW PROFILE (06) - ELECTRICAL SYSTEMS
17
6
7
13
31
5
32
25
14
28
2
16
19
35
33
22
23
3
24
29
18
9
15
12
20
27
36
11
26
4
34
21
8
10
30
1
FIT
1:1
100%

Артикул

Название

Примечание

Количество

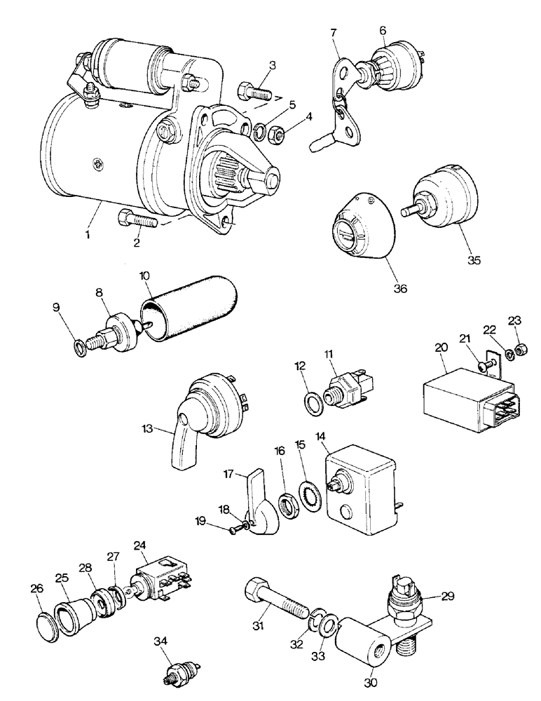
1

K919752

STARTING MOTOR

STARTER - engine (Lucas 26379A) (See figure S12-1)

1шт.

1

K302851

STARTING MOTOR

STARTER - engine (Bosch) (See figure S13-1)

1шт.

2

113-248

BOLT,Hex, 3/8" - 16 x 2-3/4", Gr 5

Starter to engine Hex, 3/8"-16 x 2 3/4", G5

1шт.

3

113-213

BOLT,Hex, 3/8" - 16 x 2-1/4", Gr 5

Starter to engine Hex, 3/8"-16 x 2 1/4", G5

2шт.

4

129-103

NUT,Hex, 3/8" - 16, Gr 5

NUT, , Starter to engine 3/8"-16, G5

1шт.

5

192-21

LOCK WASHER,3/8"

WASHER, LOCK, , Starter to engine 3/8"

3шт.

6

K203992

IGNITION SWITCH

SWITCH - starter

1шт.

7

K962338

KEY

KEY - starter switch

1шт.

8

K903851

PRESSURE SWITCH

SWITCH - oil pressure (Smiths P35300-07A)

1шт.

9

K626521

SEALING WASHER

FIBER WASHER - 3/8"

1шт.

10

K947518

COVER

- oil pressure switch

1шт.

11

K200652

NEUTRAL START SWITCH

SWITCH - starter safety (Lucas 33855)

1шт.

12

K626895

SHIM,.002" Thk

1шт.

12

K626858

SHIM,.005" Thk

1шт.

12

K626894

SHIM,.010" Thk

1шт.

13

K300781

FLASHER SWITCH

SWITCH - direction indicators (Hella 6RB 00159503) (Low Profile)

1шт.

14

K304474

SWITCH

- direction indicators (High Platform, Cab), Includes Ref. 15 - 19

1шт.

15

K300896

WASHER

- lock, internal (High Platform, Cab) (Replaces K300986)

1шт.

16

K300897

NUT

- special (High Platform, Cab)

1шт.

17

K300898

KNOB

- switch (High Platform, Cab)

1шт.

18

K300899

WASHER

- lock, internal (High Platform, Cab)

1шт.

19

K300900

SCREW

- knob retaining (High Platform, Cab)

1шт.

20

K948611

FLASHER UNIT

- indicators (Hella 4 DM 002233-05)

1шт.

21

K603925

SCREW,Pan, 1/4" - 20 x 5/8"

- 1/4 UNC x 5/8"

1шт.

22

192-19

LOCK WASHER,Helical Spring, 0.256" ID, CST, ZND

WASHER, LOCK, 1/4"

1шт.

23

7770

NUT,Hex, 1/4 - 20, Cl 5

1/4"-20, G5

1шт.

24

K300833

SWITCH

- hazard warning (Hella 6HD 001578-04) (Low Profile), Includes Ref. 25 -28

1шт.

K950567

BULB

- switch (Low Profile)

1шт.

25

K964913

KNOB

- switch (Low Profile)

1шт.

26

K964914

LENS

- switch (Low Profile)

1шт.

27

K950592

WASHER

- switch (Low Profile)

1шт.

28

K950593

COVER

RUBBER SEAL - switch (Low Profile)

1шт.

29

K300733

SWITCH

- differential lock (Low Profile)

1шт.

30

K201986

BRACKET

- differential lock switch (Low Profile)

1шт.

31

113-209

BOLT,Hex, 3/8" - 16 x 1-1/2", Gr 5

(Low Profile) Hex, 3/8"-16 x 1 1/2", G5

1шт.

32

192-21

LOCK WASHER,3/8"

WASHER, LOCK, (Low Profile) 3/8"

1шт.

33

K19472

WASHER

- 3/8" (Low Profile)

1шт.

34

K201313

SWITCH

- vacuum, air cleaner (Bosch 0344800004)

1шт.

35

K302999

SWITCH

- floodlamps (High Platform, Cab), Includes Ref. 36

1шт.

36

K302400

KNOB

- switch (High Platform, Cab)

1шт.

Выбрано товаров: 0