Запчасти Case IH 1690 (S05-1) - HEADLAMPS AND REAR FLOODLAMP (06) - ELECTRICAL SYSTEMS

Схема запчастей Case IH 1690 - (S05-1) - HEADLAMPS AND REAR FLOODLAMP (06) - ELECTRICAL SYSTEMS
8
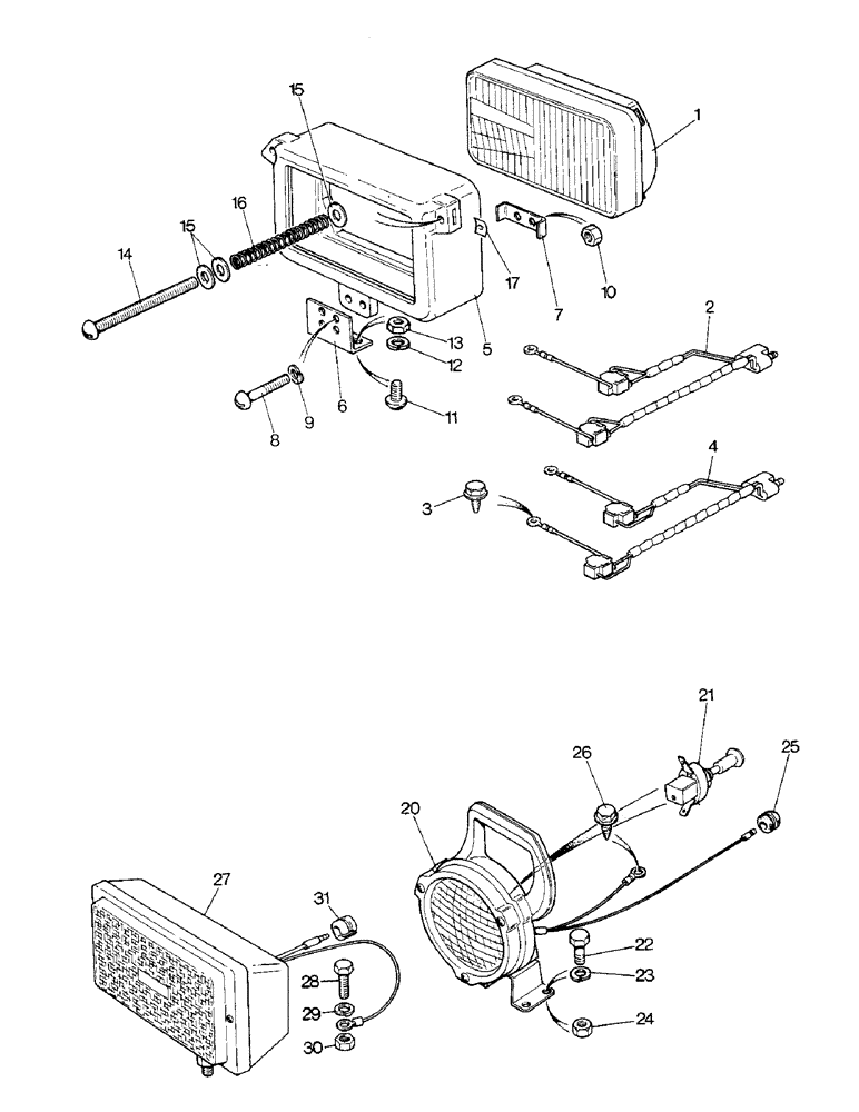
10
25
31
1
21
17
14
15
2
23
22
29
12
15
9
11
28
30
16
7
24
6
4
5
20
13
27
3
26
FIT
1:1
100%

Артикул

Название

Примечание

Количество

1

K300208

HEADLIGHT

HEAD LAMP - white bulb, right-hand dip

2шт.

1

K300725

BULB

HEAD LAMP - yellow bulb, right-hand dip

2шт.

1

A139458

LAMP

HEAD LAMP - sealed beam, vertical dip (Replaces K300280)

2шт.

2

K300731

HARNESS

- head lamps

1шт.

3

K624532

SCREW

- no. 14 x 1/2", self-tapping

2шт.

4

K300749

HARNESS

- sealed beam head lamps

1шт.

5

K300758

BRACKET

HOUSING - inboard head lamps

2шт.

6

K300762

BRACKET

- support

2шт.

7

K300763

CLAMP

- mounting

2шт.

8

K652466

SCREW

- M5 x 25

4шт.

9

K651846

WASHER, LOCK

WASHER - lock, 5 MM

4шт.

10

825-1105

NUT,M5, Cl 8

- M5

4шт.

11

K652464

SCREW

- M5 x 16

4шт.

12

K651846

WASHER, LOCK

WASHER - lock, 5 MM

4шт.

13

825-1105

NUT,M5, Cl 8

- M5

4шт.

14

K605643

SCREW,Pan, #10 - 24 x 2 1/2"

- adjusting, no. 10 UNC x 2-1/2"

4шт.

15

K651776

WASHER

- 5 MM

12шт.

16

K625093

SPRING

- lamp

4шт.

17

K607478

NUT

- no. 10 UNF

4шт.

20

K301230

LAMP

REAR FLOOD LAMP - low profile

1шт.

K260687

LENS

- flood lamp

1шт.

K301288

BULB

- flood lamp

1шт.

K260792

LENS

- flood lamp

1шт.

K301288

BULB

- flood lamp

1шт.

21

K260380

SWITCH

- rear flood lamp

1шт.

22

K650641

SCREW

BOLT - M8 x 16, low profile

4шт.

23

K651848

WASHER

- lock, low profile, 8 MM

4шт.

24

8251108

NUT - M8, low profile

4шт.

25

K627773

GROMMET

- fender, low profile

1шт.

26

K624532

SCREW

- self tapping, no. 14 x 1/2", ground lead, low profile

1шт.

27

K302373

LAMP, WORK

FLOOD LAMP - high platform cab

4шт.

K260687

LENS

BULB - flood lamp

1шт.

28

K613146

SCREW

- 1/4 UNF, high platform cab

4шт.

29

192-19

LOCK WASHER,Helical Spring, 0.256" ID, CST, ZND

WASHER, LOCK, , High platform cab 1/4"

4шт.

30

129-121

NUT,1/4"-28, G5

(High Platform, Cab) 1/4"-28, G5

4шт.

31

K627773

GROMMET

- wire, high platform cab

4шт.

Выбрано товаров: 0