Запчасти Case IH 1690 (S08-1) - LOWER FLOOD LAMP ATTACHMENT (06) - ELECTRICAL SYSTEMS

Схема запчастей Case IH 1690 - (S08-1) - LOWER FLOOD LAMP ATTACHMENT (06) - ELECTRICAL SYSTEMS
14
10
3
13
8
9
16
11
8
8
1
9
15
14
2
8
7
18
7
4
17
FIT
1:1
100%

Артикул

Название

Примечание

Количество

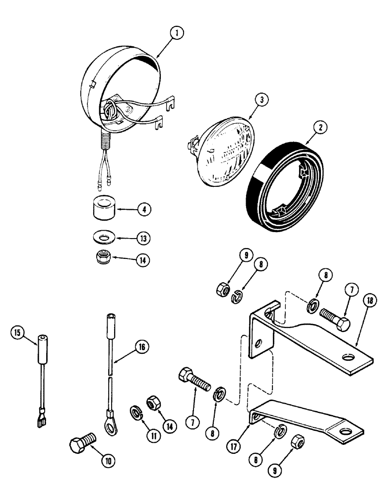
A164630

ATTACHMENT - lower flood lamp

1шт.

1

A145495

LAMP

ASSEMBLY, Includes Ref. 2 - 4

1шт.

2

A25213

RETAINER

- bulb

1шт.

3

A47179

BULB

- sealed beam (#H7606)

1шт.

4

D37048

BUSHING

- pivot

1шт.

7

113-184

BOLT,Hex, 5/16" - 18 x 1-1/8", Gr 5

2шт.

8

192-20

LOCK WASHER,Helical Spring, 0.318" ID, CST, ZND

WASHER, LOCK, 5/16"

4шт.

9

9635082

NUT,5/16" - 18, Gr 5

2шт.

10

113-433

BOLT,Hex, 1/2" - 13 x 3/4", Gr 5, Full Thd

2шт.

11

192-23

LOCK WASHER,1/2"

WASHER, LOCK, 1/2"

2шт.

13

D37049

WASHER

- mounting

2шт.

14

129-125

NUT,1/2"-20, G5

2шт.

15

A160351

ELECTRICAL WIRE

WIRE - adapter

2шт.

16

A147343

ELECTRICAL WIRE

WIRE - ground

2шт.

17

A164601

GUSSET - floodlight

1шт.

18

A164600

BRACKET - floodlight

1шт.

Выбрано товаров: 0