Запчасти Case IH 1690 (S10-1) - K302424 ALTERNATOR, HIGH PLATFORM CAB, LUCAS NO. 24049 (06) - ELECTRICAL SYSTEMS

Схема запчастей Case IH 1690 - (S10-1) - K302424 ALTERNATOR, HIGH PLATFORM CAB, LUCAS NO. 24049 (06) - ELECTRICAL SYSTEMS
5
8
17
2
24
16
3
22
1
12
11
9
6
28
7
25
13
23
30
20
10
31
15
21
4
14
27
18
FIT
1:1
100%

Артикул

Название

Примечание

Количество

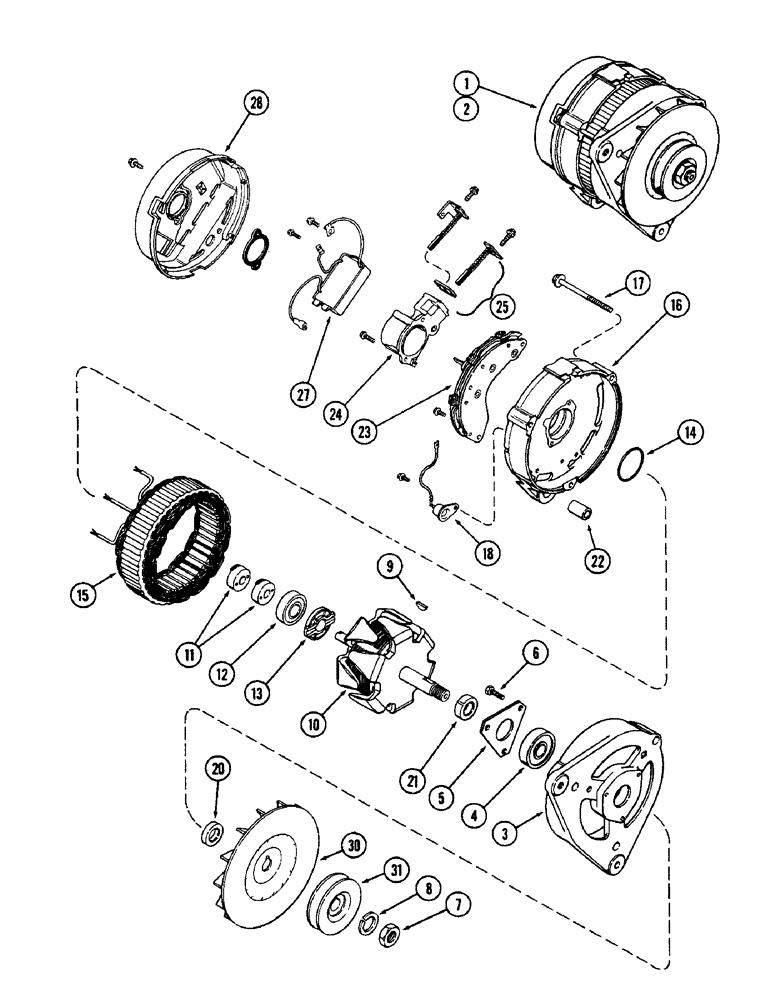
1

K302424

ALTERNATOR

ALTERNATOR ASSEMBLY - engine (12 volt) (Lucas 54021915), Includes Ref. 2

1шт.

2

A47992

ALTERNATOR

ALTERNATOR ASSEMBLY - engine (Without fan and pulley) (Lucas 24049), Includes Ref. 3

1шт.

2

K956426

ALTERNATOR

Alternator

1шт.

2

104020A1GV

ALTERNATOR

Value, 12V, 26A

1шт.

2

104020A1R

REMAN-ALTERNATOR

Remanufactured 12 VOLT, 26 AMP Alternator

1шт.

2

104020A1C

CORE-ALTERNATOR

Return Part Number, 12 VOLT, 26 AMP Alternator

1шт.

2

104020A1RGV

ALTERNATOR

REMANUFACTURED 12 VOLT, 26 AMP ALTERNATOR

1шт.

2

125849A1R

REMAN-ALTERNATOR

Remanufactured ALTERNATOR, 12 volt, 135 ampere

1шт.

2

125849A1C

CORE-ALTERNATOR

Return Part Number

1шт.

3

A47996

BRACKET

BRACKET - drive end (Lucas 54204245)

1шт.

A47997

BEARING ASSY

BEARING KIT - drive end (Lucas 60600674), Includes Ref. 4 - 6

1шт.

4

NSS

NOT SOLD SEPARAT

BEARING - drive end

1шт.

5

NSS

NOT SOLD SEPARAT

PLATE - bearing

1шт.

6

NSS

NOT SOLD SEPARAT

SCREW - bearing plate

3шт.

A48006

KIT

SPARE PART SUNDRY KIT - alternator (Lucas 60600778), Includes Ref. 7- 9

1шт.

7

NSS

NOT SOLD SEPARAT

NUT - pulley

1шт.

8

NSS

NOT SOLD SEPARAT

LOCKWASHER - pulley nut

1шт.

9

NSS

NOT SOLD SEPARAT

KEY - Woodruff, fan and pulley

1шт.

10

A47998

ROTOR

ROTOR ASSEMBLY - alternator (Lucas 54204998)

1шт.

A47999

KIT

SPARE PART SLIP RING AND BEARING KIT - rotor (Lucas 60600748), Includes Ref. 11 - 14

1шт.

11

A48000

RING

SLIP RING - rotor (Lucas 54202816)

2шт.

12

NSS

NOT SOLD SEPARAT

BEARING - rotor

1шт.

13

NSS

NOT SOLD SEPARAT

SEAL - dust

1шт.

14

NSS

NOT SOLD SEPARAT

RING - pressure

1шт.

15

A48002

STATOR

STATOR - alternator (Lucas 54203252)

1шт.

16

A48001

BRACKET

BRACKET - slip ring end (Lucas 54203199)

1шт.

17

A48005

BOLT

SPARE PART BOLT - through (Lucas 54129642)

3шт.

18

A48009

DIODE

DIODE - surge protection (Lucas 54048376)

1шт.

A48008

COLLAR

COLLAR KIT - spacer (Lucas 60600773), Includes Ref. 20 - 22

1шт.

20

NSS

NOT SOLD SEPARAT

COLLAR - drive bracket

1шт.

21

NSS

NOT SOLD SEPARAT

COLLAR - rotor

1шт.

22

NSS

NOT SOLD SEPARAT

COLLAR - slip ring bracket

1шт.

23

A47995

RECTIFIER

RECTIFIER - alternator (Lucas 83646)

1шт.

24

A48003

HOLDER

HOLDER ASSEMBLY - brush (Lucas 54203529)

1шт.

25

A48004

BRUSH, COMMUTATOR

BRUSH BRUSH SET - (Lucas 60600780)

1шт.

27

A47994

REGULATOR

REGULATOR ASSEMBLY - alternator (Lucas 37621)

1шт.

28

A47993

COVER

COVER - rear (Lucas 54204182)

1шт.

A48007

SCREW

HARDWARE KIT - includes retaining screws (Lucas 60600771)

1шт.

30

K302509

FAN

FAN - alternator (Lucas 54217415)

1шт.

31

K302510

PULLEY

PULLEY - alternator (Lucas 54215365)

1шт.

Выбрано товаров: 0