Запчасти Case IH 1690 (S12-1) - K919752 STARTER, LUCAS NO. 26379 (06) - ELECTRICAL SYSTEMS

Схема запчастей Case IH 1690 - (S12-1) - K919752 STARTER, LUCAS NO. 26379 (06) - ELECTRICAL SYSTEMS
5
24
6
22
28
18
2
7
4
29
27
30
11
15
32
14
19
31
9
13
3
20
17
21
12
25
10
16
26
23
1
8
FIT
1:1
100%

Артикул

Название

Примечание

Количество

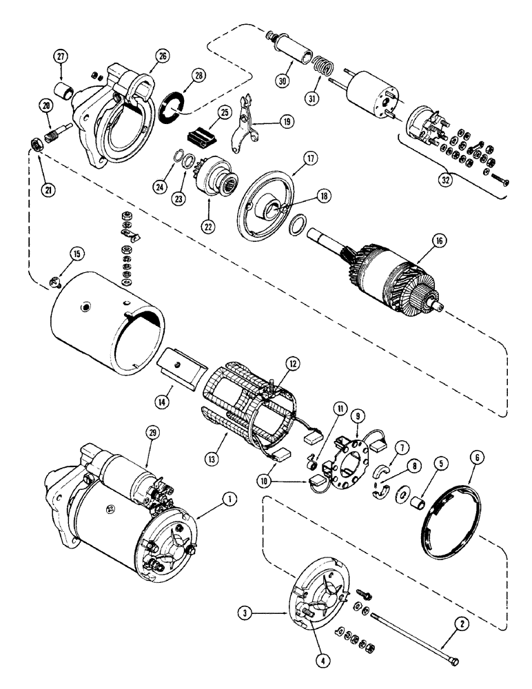
1

K919752

STARTING MOTOR

STARTER ASSEMBLY - engine

1шт.

2

K964217

BOLT

- through

2шт.

K964209

KIT

FRAME ASSEMBLY - commutator end

1шт.

3

NSS

NOT SOLD SEPARAT

FRAME - starter

1шт.

4

NSS

NOT SOLD SEPARAT

TERMINAL - frame

1шт.

5

NSS

NOT SOLD SEPARAT

BUSHING - (Order K963931 kit)

1шт.

K964212

SEAL KIT

- sealing rubber (Consists of Refs. 6, 12, 24, 28)

1шт.

6

NSS

NOT SOLD SEPARAT

RING - sealing (Order K964212)

1шт.

K963857

BRAKE

KIT - starter

1шт.

7

NSS

NOT SOLD SEPARAT

SHOE - brake

2шт.

8

NSS

NOT SOLD SEPARAT

SPRING - brake

2шт.

9

K964208

BRACKET

PLATE ASSEMBLY - brush mounting

1шт.

10

K964218

KIT

- brush

1шт.

11

K963798

SPRING

KIT - brush tension

1шт.

12

NSS

NOT SOLD SEPARAT

GROMMET - field lead (Order K964212)

1шт.

K964210

KIT

- field coil

1шт.

13

NSS

NOT SOLD SEPARAT

COIL - field

4шт.

14

NSS

NOT SOLD SEPARAT

SHOE - pole

4шт.

15

NSS

NOT SOLD SEPARAT

SCREW - pole

4шт.

16

K964221

ARMATURE

ASSEMBLY - starter

1шт.

K964211

FRAME

ASSEMBLY - intermediate, Includes Ref. 17 and 18

1шт.

17

NSS

NOT SOLD SEPARAT

HOLDER ASSEMBLY - brush

1шт.

18

NSS

NOT SOLD SEPARAT

BUSHING - (Order K963931 kit)

1шт.

K964213

LINK

KIT - solenoid link, Includes Ref. 19 - 21

1шт.

19

NSS

NOT SOLD SEPARAT

LINK - solenoid

1шт.

20

NSS

NOT SOLD SEPARAT

BOLT - pivot

1шт.

21

NSS

NOT SOLD SEPARAT

NUT - pivot bolt

1шт.

K964214

DRIVE

ASSEMBLY - starter, Includes Ref. 22 - 24

1шт.

22

NSS

NOT SOLD SEPARAT

DRIVE - starter

1шт.

23

NSS

NOT SOLD SEPARAT

COLLAR - thrust

1шт.

24

NSS

NOT SOLD SEPARAT

RING - retaining (Order K964212)

1шт.

25

NSS

NOT SOLD SEPARAT

GROMMET - drive end frame

1шт.

K964219

BRUSH, COMMUTATOR

FRAME ASSEMBLY - drive end, Includes Ref. 26 and 27

1шт.

26

NSS

NOT SOLD SEPARAT

FRAME - drive end

1шт.

27

NSS

NOT SOLD SEPARAT

BUSHING - (Order K963931 kit)

1шт.

28

NSS

NOT SOLD SEPARAT

GASKET - solenoid to frame (Order K964212)

1шт.

29

K964215

SOLENOID

- starter, Includes Ref. 30 - 32

1шт.

30

NSS

NOT SOLD SEPARAT

PLUNGER - solenoid

1шт.

31

NSS

NOT SOLD SEPARAT

SPRING - solenoid plunger

1шт.

32

K964216

COVER

KIT - solenoid end cover

1шт.

K964220

KIT

- hardware (Includes all Refs. illustrated but not listed or identified)

1шт.

K963931

KIT

- bushing (Incl. Refs. 5, 18 and 27)

1шт.

Выбрано товаров: 0