Запчасти Case IH 2120 (9-132) - LOAD CYLINDER AND MOUNTINGS (09) - CHASSIS/ATTACHMENTS

Схема запчастей Case IH 2120 - (9-132) - LOAD CYLINDER AND MOUNTINGS (09) - CHASSIS/ATTACHMENTS
6
11
4
14
18
19
2
5
3
7
8
23
1
13
17
16
10
21
20
22
15
12
9
FIT
1:1
100%

Артикул

Название

Примечание

Количество

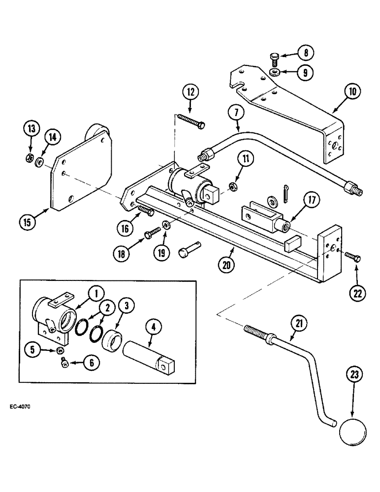
107558A1

CYLINDER ASSY.

Consists of: 1 -16

1шт.

1

NSS

NOT SOLD SEPARAT

1шт.

2

107562A1

O-RING

2шт.

3

107561A1

SEAL

1шт.

4

107560A1

PISTON ROD

1шт.

5

107564A1

COPPER WASHER

3шт.

6

107563A1

SCREW

1шт.

7

107567A1

PIPE

With Clamp

1шт.

8

614-6016

BOLT,Hex, M6 x 1 x 16mm, Cl 8.8, Full Thd

2шт.

9

3233327R1

WASHER

2шт.

10

107554A1

COVER

1шт.

11

829-1410

NUT,M10 x 1.5, Cl 10.9

2шт.

12

814-10045

BOLT,Hex, M10 x 1.5 x 45mm, Cl 8.8

1шт.

13

832-41308

NUT,M8 x 1.25, Cl 10

2шт.

14

3232883R1

WASHER

6шт.

15

107566A1

PLATE ASSY.

1шт.

16

614-8025

BOLT,Hex, M8 x 1.25 x 25mm, Cl 8.8, Full Thd

2шт.

17

107555A1

ADJUSTABLE CLEVIS

LH Thread

1шт.

18

614-10025

BOLT,Hex, M10 x 1.5 x 25mm, Cl 8.8

2шт.

19

934281R1

WASHER,M10.5 ID x 20 OD x 2 Thk

10 mm

2шт.

20

107553A1

SUPPORT ASSY.

1шт.

21

107556A1

LEVER

1шт.

22

614-8016

BOLT,Hex, M8 x 1.25 x 16mm, Cl 8.8, Full Thd

4шт.

23

107557A1

BALL KNOB

1шт.

Выбрано товаров: 24