Запчасти Case IH 2120 (2-52) - OIL PAN AND CONNECTIONS (3 CYL), EARLY PRODUCTION (02) - ENGINE

Схема запчастей Case IH 2120 - (2-52) - OIL PAN AND CONNECTIONS (3 CYL), EARLY PRODUCTION (02) - ENGINE
7
21
20
24
29
11
15
6
30
17
14
13
1
5
28
10
2
3
27
12
31
19
4
9
26
32
11
33
25
18
8
23
16
22
FIT
1:1
100%

Артикул

Название

Примечание

Количество

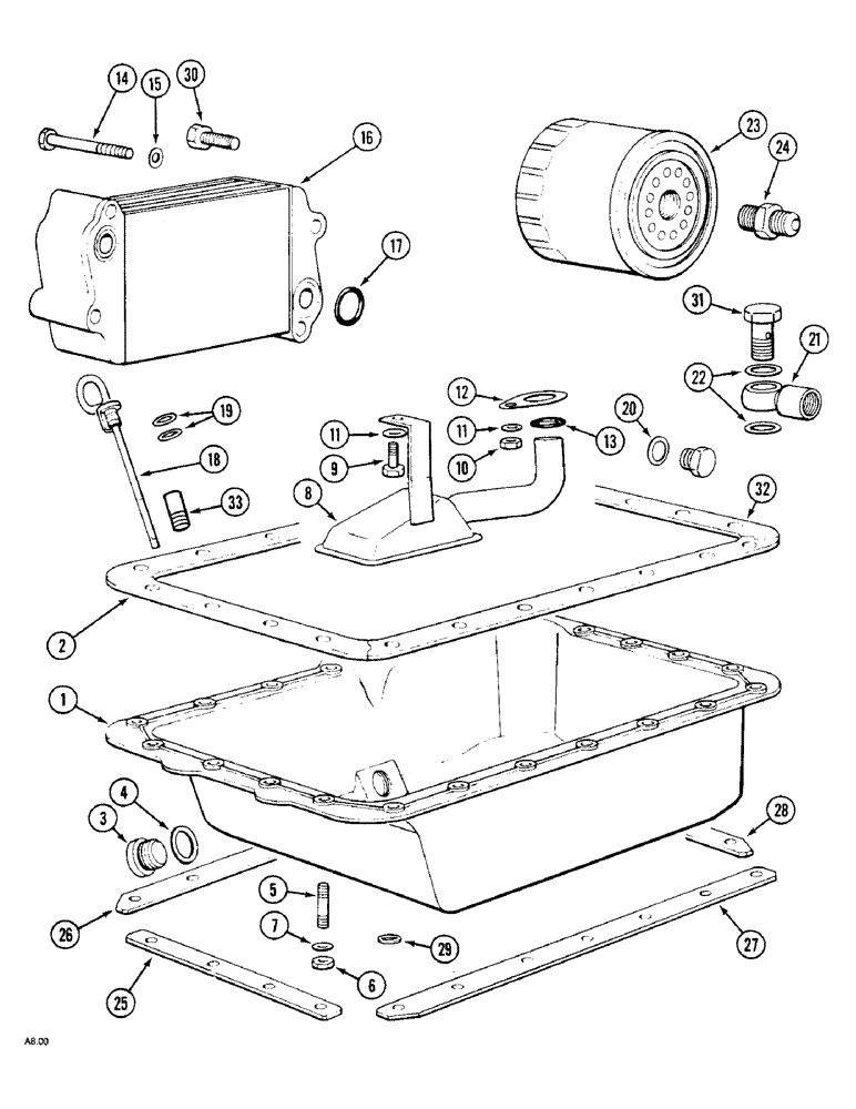
1

1966423C1

PAN, ENGINE OIL

PAN, OIL

1шт.

2

1966425C1

GASKET

1шт.

3

1547400C1

PLUG

1шт.

4

1966808C1

WASHER

1шт.

5

1966807C1

STUD

22шт.

6

1966456C1

LOCK NUT

22шт.

7

893-11008

LOCK WASHER,Ext Tooth, M8

22шт.

8

1966424C1

PIPE

1шт.

9

614-8016

BOLT,Hex, M8 x 1.25 x 16mm, Cl 8.8, Full Thd

1шт.

10

825-1408

NUT,M8, Cl 8

1шт.

11

893-11008

LOCK WASHER,Ext Tooth, M8

2шт.

12

1966324C1

FLANGE

1шт.

13

1966699C1

O-RING

1шт.

14

864-8050

HEX SOC SCREW,M8 x 50mm, Cl 8.8

M8 x 50 mm

2шт.

15

1966599C1

WASHER

4шт.

16

1966445C1

COOLER, OIL

1шт.

17

1966702C1

O-RING

2шт.

18

1966407C1

DIPSTICK

106 mm, With Adapter Ref. 33

1шт.

18

1530461C1

DIPSTICK

78 mm, W/Out Adapter Ref. 33

1шт.

19

1966703C1

O-RING

2шт.

20

1966473C1

GASKET

12,2 x 18 mm

1шт.

21

1966004C1

JOINT

1шт.

22

1966473C1

GASKET

12,2 x 18 mm

2шт.

23

1966279C1

FILTER, ENGINE OIL

FILTER, OIL

1шт.

24

1966500C1

FITTING

1шт.

25

1966428C1

PLATE

1шт.

26

1966426C1

PLATE

Right

1шт.

27

1966427C1

PLATE

Left

1шт.

28

1966429C1

PLATE

1шт.

29

1966732C1

WASHER

3шт.

30

1966761C1

BOLT

2шт.

31

1530347C1

BANJO BOLT

1шт.

32

1530346C1

PLUG

1шт.

33

1530460C1

ADAPTER

1шт.

Выбрано товаров: 34