Запчасти Case IH 2120 (4-14) - HARNESS - CAB (04) - ELECTRICAL SYSTEMS

Схема запчастей Case IH 2120 - (4-14) - HARNESS - CAB (04) - ELECTRICAL SYSTEMS
9
14
15
8
15
22
18
2
20
16
22
24
6
17
12
23
19
9
21
19
4
3
1
18
11
15
22
17
10
13
23
10
5
22
7
18
FIT
1:1
100%

Артикул

Название

Примечание

Количество

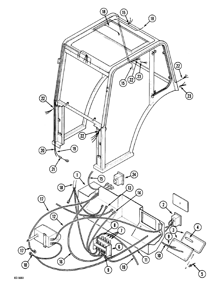
1

1984607C1

CASE

1шт.

2

1984608C1

WINDSHIELD WIPER SWI

Windscreen Wiper

1шт.

3

1984609C1

COURTESY LIGHT

DOME LIGHT With : 4

1шт.

4

1984547C1

BULB

1шт.

5

1984611C1

RIVET

2шт.

6

1984612C1

BOX, FUSE

1шт.

7

1984613C1

FUSE

8A

3шт.

8

1984614C1

FUSE

40A

1шт.

9

1984615C1

ELECTRICAL WIRE

WIRE No. 55

1шт.

10

1984616C1

ELECTRICAL WIRE

WIRE No. 53

1шт.

11

1984617C1

ELECTRICAL WIRE

WIRE No. 50

1шт.

12

1984618C1

ELECTRICAL WIRE

WIRE No. 54

1шт.

13

1984619C1

ELECTRICAL WIRE

WIRE No. 51

1шт.

14

1984620C1

ELECTRICAL WIRE

WIRE No. 52

1шт.

15

1984621C1

ELECTRICAL WIRE

WIRE No. 60

1шт.

16

1984622C1

ELECTRICAL WIRE

WIRE No. 58

1шт.

17

1984623C1

ELECTRICAL WIRE

WIRE No. 59

1шт.

18

1984624C1

ELECTRICAL WIRE

WIRE

1шт.

19

1984625C1

ELECTRICAL WIRE

WIRE

1шт.

20

1984626C1

ELECTRICAL WIRE

WIRE No. 62

1шт.

21

1984627C1

FUSE CARTRIDGE

1шт.

22

1984628C1

HARNESS

Front & Rear

2шт.

23

1984629C1

HARNESS

Rear

2шт.

24

117240A1

BEACON SWITCH

Beacon Light

1шт.

Выбрано товаров: 24