Запчасти Case IH 2130 (9-144) - LIFT CYLINDER, 2130 - (P.I.N. : CGC9045-) (09) - CHASSIS/ATTACHMENTS

Схема запчастей Case IH 2130 - (9-144) - LIFT CYLINDER, 2130 - (P.I.N. : CGC9045-) (09) - CHASSIS/ATTACHMENTS
18
1
16
10
22
17
12
5
4
6
21
11
9
4
8
19
2
9
20
7
9
3
13
10
15
14
FIT
1:1
100%

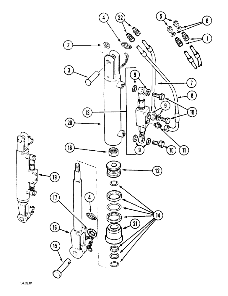
Артикул

Название

Примечание

Количество

1

115338A1

FITTING

2шт.

2

K395220

WASHER

2120, 2130, 2140

1шт.

For Vineyard Tractors

1шт.

3

1984764C1

PIN

1шт.

4

1966256C1

LINCH PIN

2шт.

5

1984921C1

COUPLING

Screw On

2шт.

6

3051337R1

SEALING RING,M18 x 24mm OD x 1.5mm Thk

2шт.

7

115339A1

PIPE

1шт.

8

115340A1

PIPE

1шт.

9

1984920C1

WASHER

3шт.

10

1967981C1

BANJO BOLT

3шт.

11

1984923C1

ELBOW

1шт.

12

115341A1

PISTON

1шт.

13

1984930C1

VALVE

1шт.

14

115342A1

SEAL KIT

1шт.

15

1984766C1

PIN

1шт.

16

1984928C1

PISTON ROD

1шт.

17

1984762C1

WASHER

1шт.

18

905846R1

NUT,M20 x 1.5, Cl 8

1шт.

19

1984924C1

CYLINDER ASSY.

1шт.

20

1984933C1

JACK BODY

1шт.

21

115343A1

CYLINDER END CAP

1шт.

22

1984797C1

CONNECTOR, ELEC

CONNECTOR Push On

2шт.

Выбрано товаров: 23