Запчасти Case IH 2130 (3-06[A]) - INJECTION PUMP AND INJECTORS - 2120, 2130 (03) - FUEL SYSTEM

Схема запчастей Case IH 2130 - (3-06[A]) - INJECTION PUMP AND INJECTORS - 2120, 2130 (03) - FUEL SYSTEM
8
17
23
29
22
3
9
28
16
2
27
5
14
19
25
24
10
4
20
18
1
7
21
6
15
FIT
1:1
100%

Артикул

Название

Примечание

Количество

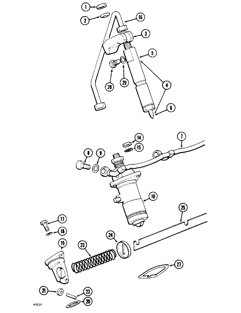
1

933995R1

NUT,M10 x 1.25, Cl 8

3шт.

2

1966730C1

WASHER

3шт.

3

1530360C1

SHIN

3шт.

4

1966538C1

INJECTOR ASSY.

3шт.

5

1966537C1

HOLDER

3шт.

6

1966539C1

NOZZLE INJECTION

3шт.

7

1966412C1

TUBE

1шт.

8

1966497C1

BANJO BOLT

3шт.

9

1966705C1

WASHER

6шт.

10

1530350C1

PUMP, FUEL INJECTION

PUMP, INJECTION 9/11 CM3 "A"

1шт.

10

1530351C1

PUMP, FUEL INJECTION

PUMP, INJECTION 11/13 CM3 "B"

1шт.

10

1530352C1

PUMP, FUEL INJECTION

PUMP, INJECTION 13/15 CM3 "C"

1шт.

10

1530353C1

PUMP, FUEL INJECTION

PUMP, INJECTION 15/17 CM3 "D"

1шт.

2120 - (P.I.N. : -CGC6011), 2130 - (P.I.N. : -CGC9015)

1шт.

10

1547460C1

PUMP, FUEL INJECTION

PUMP, INJECTION Do Not Mix

3шт.

2120 - (P.I.N. : CGC6012-), 2130 - (P.I.N. : CGC9016-)

1шт.

14

716196R1

NUT,M8, Cl 6

9шт.

15

1966731C1

WASHER

9шт.

16

1966340C1

PIPE

3шт.

17

614-8020

BOLT,Hex, M8 x 1.25 x 20mm

2шт.

18

895-11008

WASHER,9mm ID x 16mm OD x 1.6mm Thk

flat, 9 x 17 x 2 mm

2шт.

19

1966362C1

SUPPORT

2шт.

20

1966698C1

WASHER

2шт.

21

1966655C1

ROLLER

2шт.

22

1966795C1

PIN

2шт.

23

1966010C1

SPRING

1шт.

24

1966343C1

STOP

1шт.

25

1966408C1

ROD

1шт.

27

1966653C1

SHIM

0,1 mm

1шт.

27

1966654C1

SHIM

0,2 mm

1шт.

28

1966742C1

PLUG

3шт.

29

1966469C1

PACKING RING

3шт.

Выбрано товаров: 32