Запчасти Case IH 2130 (5-18[A]) - STEERING PIPES, MFD, NARROW VERSION ONLY, VERSION WITH SINGLE PUMP, 2130 - P.I.N. CGC9045- (05) - STEERING

Схема запчастей Case IH 2130 - (5-18[A]) - STEERING PIPES, MFD, NARROW VERSION ONLY, VERSION WITH SINGLE PUMP, 2130 - P.I.N. CGC9045- (05) - STEERING
6
11
4
8
6
1
13
1
16
12
4
9
15
7
1
7
5
6
14
3
10
2
FIT
1:1
100%

Артикул

Название

Примечание

Количество

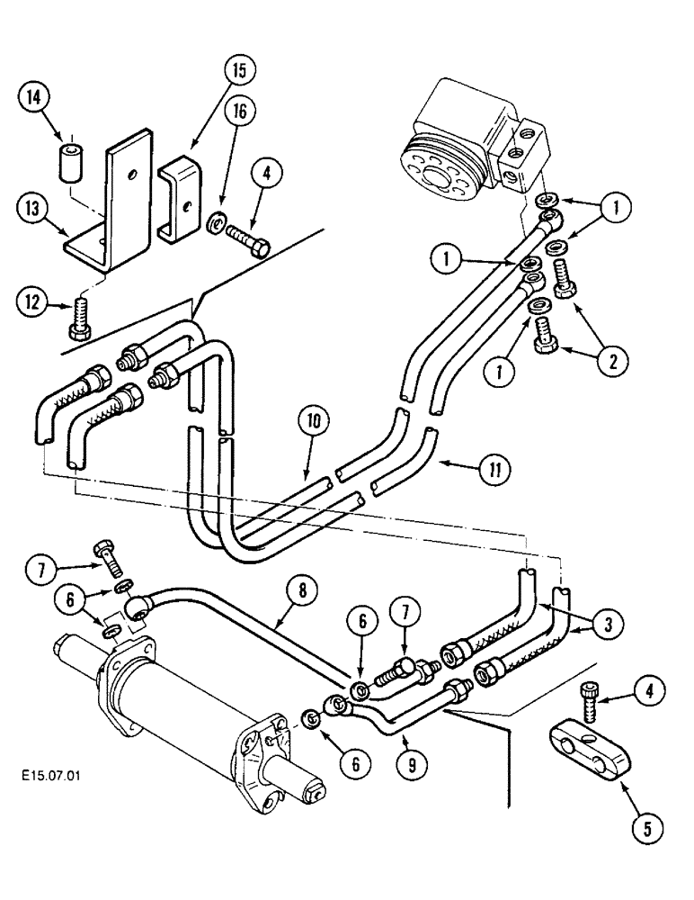
1

1967980C1

WASHER

4шт.

2

1967981C1

BANJO BOLT

2шт.

3

114819A1

HYDRAULIC HOSE

2шт.

4

864-6020

HEX SOC SCREW,M6 x 20mm, Cl 8.8

2шт.

5

1967996C1

CLAMP

1шт.

6

933610R1

SEALING RING,M14 x 18 x 1.8

4шт.

7

114835A1

BANJO BOLT

2шт.

8

114836A1

PIPE

1шт.

9

114837A1

PIPE

1шт.

10

114837A1

PIPE

1шт.

11

114838A1

PIPE

1шт.

12

814-8045

BOLT,Hex, M8 x 1.25 x 45mm, Cl 8.8

1шт.

13

114840A1

SUPPORT

1шт.

14

114841A1

SPACER

1шт.

15

114842A1

FIXING BRACKET

1шт.

16

892-11006

LOCK WASHER,M6

1шт.

Выбрано товаров: 16