Запчасти Case IH 2140 (6-088[B]) - STEERING KNUCKLE - MFD, 2140, MID MODELS (06) - POWER TRAIN

Схема запчастей Case IH 2140 - (6-088[B]) - STEERING KNUCKLE - MFD, 2140, MID MODELS (06) - POWER TRAIN
8
6
7
9
3
4
4
5
2
2
11
10
1
FIT
1:1
100%

Артикул

Название

Примечание

Количество

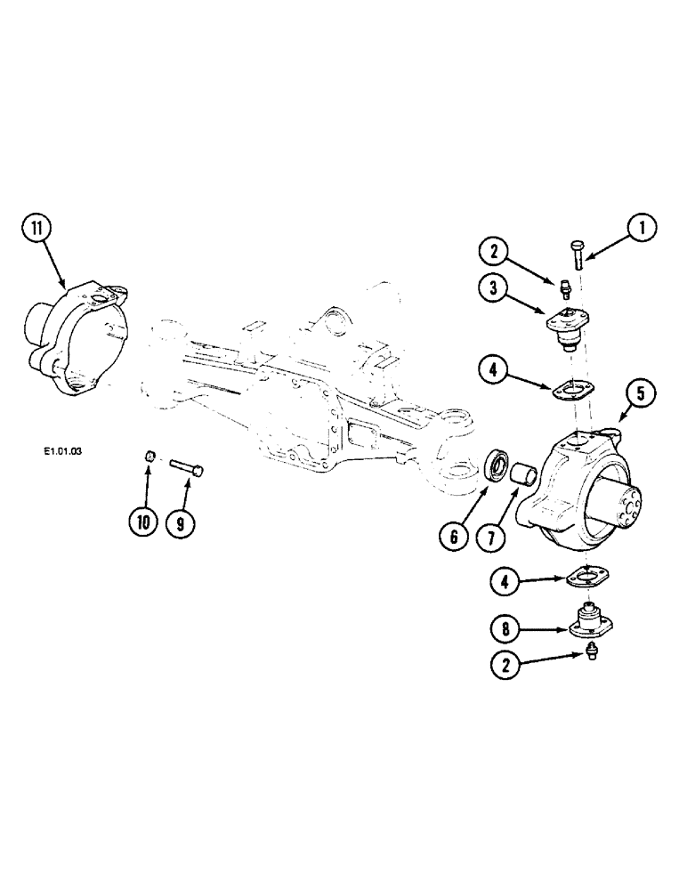
1

112477A1

BOLT

16шт.

2

321204

LUBE NIPPLE,M6 x 1.0 x 16mm OAL

4шт.

3

112478A1

PIVOT

2шт.

4

1966187C1

SHIM,46mm ID x 86mm OD x 0.1mm Thk

0,1 mm

1шт.

4

1966188C1

SPACER

0,19 mm

1шт.

4

1966189C1

SPACER

0,35 mm

1шт.

5

112479A1

STEERING KNUCKLE

, Serial Range: CGC12131-CGC12344

1шт.

5

124475A1

HOUSING

, Serial Range: CGC12345-CGC12537

1шт.

6

100529A1

OIL SEAL,45mm ID x 65mm OD x 12mm Thk

, Serial Range: CGC12131-CGC12344

2шт.

6

1966164C1

OIL SEAL,47mm ID x 62mm OD x 14mm Thk

, Serial Range: CGC12345-CGC12537

2шт.

7

100532A1

BUSHING

, Serial Range: CGC12131-CGC12344

2шт.

7

K395019

BUSHING

, Serial Range: CGC12345-CGC12537

2шт.

8

112480A1

PIVOT

2шт.

9

112481A1

BOLT

4шт.

10

85805986

NUT,M16

4шт.

11

1966219C1

HOUSING

, Serial Range: CGC12131-CGC12344

1шт.

11

124476A1

STEERING KNUCKLE

, Serial Range: CGC12345-CGC12537

1шт.

Выбрано товаров: 17