Запчасти Case IH 2140 (7-04) - BRAKE PEDALS (07) - BRAKES

Схема запчастей Case IH 2140 - (7-04) - BRAKE PEDALS (07) - BRAKES
15
24
11
1
22
25
7
14
8
3
17
18
6
19
5
6
10
20
13
21
2
9
5
12
23
4
16
22
7
16
FIT
1:1
100%

Артикул

Название

Примечание

Количество

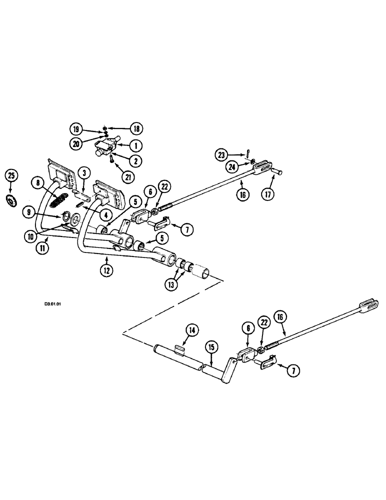
1

116255A1

BELLOWS

1шт.

2

116256A1

SWITCH

1шт.

3

1967756C1

PLATE

1шт.

4

905833R1

LOCK PIN,M6 x 18, Slotted

1шт.

5

1967625C1

BUSHING

2шт.

6

3140754R1

YOKE

UNIVERSAL JOINT YOKE

2шт.

7

1966879C1

PIN ASSY.

2шт.

8

1966992C1

SPRING

2шт.

9

933086R1

SNAP RING,M30, Ext

1шт.

10

1967505C1

WASHER

1шт.

11

1967754C1

PEDAL ASSY.

1шт.

11

1530490C1

PEDAL

1шт.

12

1967755C1

PEDAL ASSY.

1шт.

12

1530491C1

PEDAL

1шт.

13

1967649C1

BUSHING

2шт.

14

1966856C1

KEY

1шт.

15

1967645C1

SHAFT

1шт.

16

1967903C1

ROD

2шт.

17

1967542C1

PIN

2шт.

18

825-1404

NUT,M4, Cl 8

4шт.

19

892-11004

LOCK WASHER,M4

4шт.

20

895-11006

WASHER,6.6mm ID x 12mm OD x 1.6mm Thk

4шт.

21

864-4020

HEX SOC SCREW,M4 x 20mm, Cl 8.8

4шт.

22

829-1412

NUT,M12, Cl 10.9

2шт.

23

732-3220

COTTER PIN,M3.2 x 20

2шт.

24

895-11012

WASHER,13.5mm ID x 24mm OD x 2.5mm Thk

2шт.

25

1530492C1

SKID/SHOE

2шт.

Выбрано товаров: 27