Запчасти Case IH 2140 (8-78) - HYDRAULIC TRAILER BRAKE VALVE (08) - HYDRAULICS

Схема запчастей Case IH 2140 - (8-78) - HYDRAULIC TRAILER BRAKE VALVE (08) - HYDRAULICS
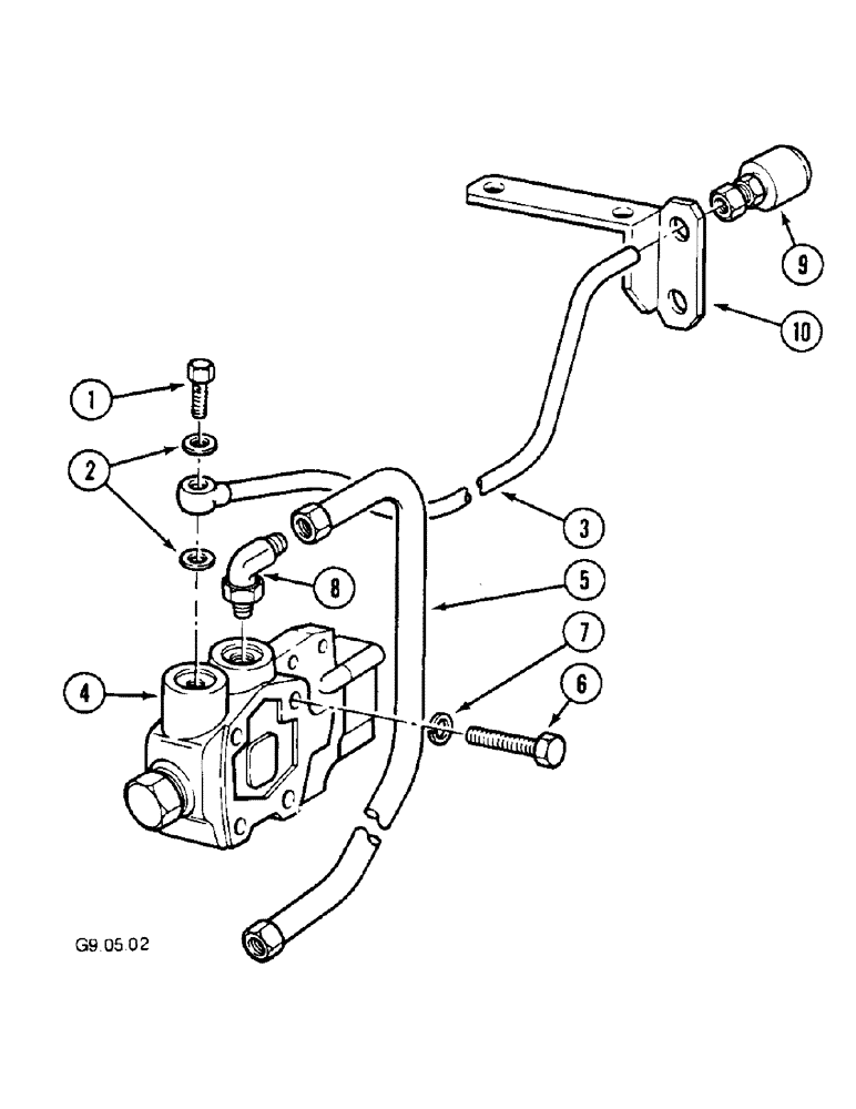
8
3
9
1
2
7
5
4
10
6
FIT
1:1
100%

Артикул

Название

Примечание

Количество

1

1966911C1

BOLT,M16 x 1.5 x 27mm

1шт.

2120 - (P.I.N. : CGC6018-), 2130 - (P.I.N. : CGC9045-), 2140 - (P.I.N. : CGC12131-), 2150 - (P.I.N. : CGC15014-)

1шт.

2

933155R1

SEALING RING,M16 x 20 x 1.5

2шт.

2120 - (P.I.N. : CGC6018-), 2130 - (P.I.N. : CGC9045-), 2140 - (P.I.N. : CGC12131-), 2150 - (P.I.N. : CGC15014-)

1шт.

3

115322A1

PIPE

1шт.

2120 - (P.I.N. : CGC6018-), 2130 - (P.I.N. : CGC9045-), 2140 - (P.I.N. : CGC12131-), 2150 - (P.I.N. : CGC15014-)

1шт.

4

1967902C1

VALVE, CONTROL

1шт.

5

115333A1

PIPE

1шт.

2120 - (P.I.N. : CGC6018-), 2130 - (P.I.N. : CGC9045-), 2140 - (P.I.N. : CGC12131-), 2150 - (P.I.N. : CGC15014-)

1шт.

6

814-10060

BOLT,Hex, M10 x 1.5 x 60mm, Cl 8.8

4шт.

2120 - (P.I.N. -CGC6017), 2130 - (P.I.N. -CGC9044), 2140 - (P.I.N. -CGC12130), 2150 - (P.I.N. -CGC15013)

1шт.

6

814-10055

BOLT,Hex, M10 x 1.5 x 55mm, Cl 8.8

4шт.

2120 - (P.I.N. : CGC6018-), 2130 - (P.I.N. : CGC9045-), 2140 - (P.I.N. : CGC12131-), 2150 - (P.I.N. : CGC15014-)

1шт.

7

892-11010

LOCK WASHER,M10

4шт.

8

1967750C1

90 ELBOW

1шт.

2120 - (P.I.N. : CGC6018-), 2130 - (P.I.N. : CGC9045-), 2140 - (P.I.N. : CGC12131-), 2150 - (P.I.N. : CGC15014-)

1шт.

9

1966920C1

CONNECTOR, ELEC

CONNECTOR

1шт.

2120 - (P.I.N. : CGC6018-), 2130 - (P.I.N. : CGC9045-), 2140 - (P.I.N. : CGC12131-), 2150 - (P.I.N. : CGC15014-)

1шт.

10

115334A1

SUPPORT ASSY.

1шт.

2120 - (P.I.N. : CGC6018-), 2130 - (P.I.N. : CGC9045-), 2140 - (P.I.N. : CGC12131-), 2150 - (P.I.N. : CGC15014-)

1шт.

1530571C1

PACKAGE

Repair, Trailer Brake, version with Cab

1шт.

Выбрано товаров: 21