Запчасти Case IH 2140 (9-016) - HOOD SHEETS (09) - CHASSIS/ATTACHMENTS

Схема запчастей Case IH 2140 - (9-016) - HOOD SHEETS (09) - CHASSIS/ATTACHMENTS
29
22
16
8
9
35
33
18
14
21
11
8
24
8
25
8
9
6
26
23
36
8
16
20
5
27
10
28
3
18
9
7
34
10
1
30
7
32
2
4
7
13
12
15
19
8
17
7
9
FIT
1:1
100%

Артикул

Название

Примечание

Количество

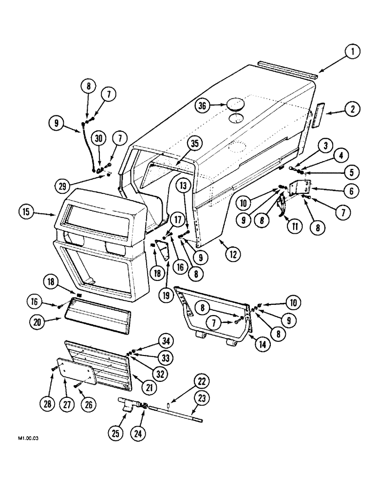
1

1967912C1

GASKET

RUBBER SEAL

1шт.

2

1984954C1

SEAL

RUBBER SEAL

2шт.

3

614-8020

BOLT,Hex, M8 x 1.25 x 20mm

4шт.

4

892-11008

LOCK WASHER,8mm ID

4шт.

5

895-11008

WASHER,9mm ID x 16mm OD x 1.6mm Thk

flat, 9 x 17 x 2 mm

4шт.

6

1967875C1

SUPPORT

Left

1шт.

6

1967876C1

SUPPORT

Right

1шт.

7

614-6020

BOLT,Hex, M6 x 1 x 20mm, Cl 8.8, Full Thd

16шт.

8

895-11006

WASHER,6.6mm ID x 12mm OD x 1.6mm Thk

22шт.

9

892-11006

LOCK WASHER,M6

21шт.

10

825-1406

NUT,M6, Cl 8

14шт.

11

1967918C1

LATCH ASSY.

2шт.

12

1530520C1

HOOD ASSY.

2120, 2130

1шт.

12

1530521C1

HOOD ASSY.

2140, 2150

1шт.

12

1547405C1

HOOD ASSY.

2120, 2130

1шт.

Use with Separate Oil Tank, Plastic Version

1шт.

12

1547406C1

HOOD ASSY.

2140, 2150

1шт.

Use with Separate Oil Tank, Plastic Version

1шт.

13

614-6016

BOLT,Hex, M6 x 1 x 16mm, Cl 8.8, Full Thd

7шт.

14

1530526C1

SUPPORT

1шт.

14

1547410C1

SUPPORT ASSY.

1шт.

Use with Separate Oil Tank, Plastic Version

1шт.

15

1530519C1

GRILLE

1шт.

16

1530524C1

SCREW

14шт.

17

1530602C1

WASHER

14шт.

18

1530525C1

PLATE, LOCKING

14шт.

19

1967921C1

SHIELD

1шт.

20

1530522C1

SIEVE

1шт.

21

1967862C1

SIEVE

1шт.

21

1530160C1

GRILLE ASSY

1шт.

Germany Only

1шт.

22

838-5422

LOCK PIN,M4 x 22, Slotted

1шт.

23

1967885C1

CROSS SHAFT

1шт.

24

1530523C1

SPRING

1шт.

25

1967883C1

HINGE

1шт.

26

1530161C1

SCREW

2шт.

Germany Only

1шт.

27

1530162C1

PLATE

1шт.

Germany Only

1шт.

28

1530163C1

SCREW,M5 x 20mm

2шт.

Germany Only

1шт.

29

1530603C1

WASHER

1шт.

30

1530165C1

HOOK

1шт.

31

1530164C1

CABLE

1шт.

32

895-11005

WASHER,5.5mm ID x 10mm OD x 1mm Thk

4шт.

33

892-11005

LOCK WASHER,M5

4шт.

34

825-1406

NUT,M6, Cl 8

4шт.

35

1547453C1

NOISE PROTECTION

2140, 2150

1шт.

35

1547454C1

NOISE PROTECTION

2120, 2130

1шт.

36

1984964C1

PLASTIC PLUG

Used with Underslung Exhaust

1шт.

Выбрано товаров: 50