Запчасти Case IH 2140 (2-56) - OIL PAN AND CONNECTIONS (4 CYL), 2140, 2150 (02) - ENGINE

Схема запчастей Case IH 2140 - (2-56) - OIL PAN AND CONNECTIONS (4 CYL), 2140, 2150 (02) - ENGINE
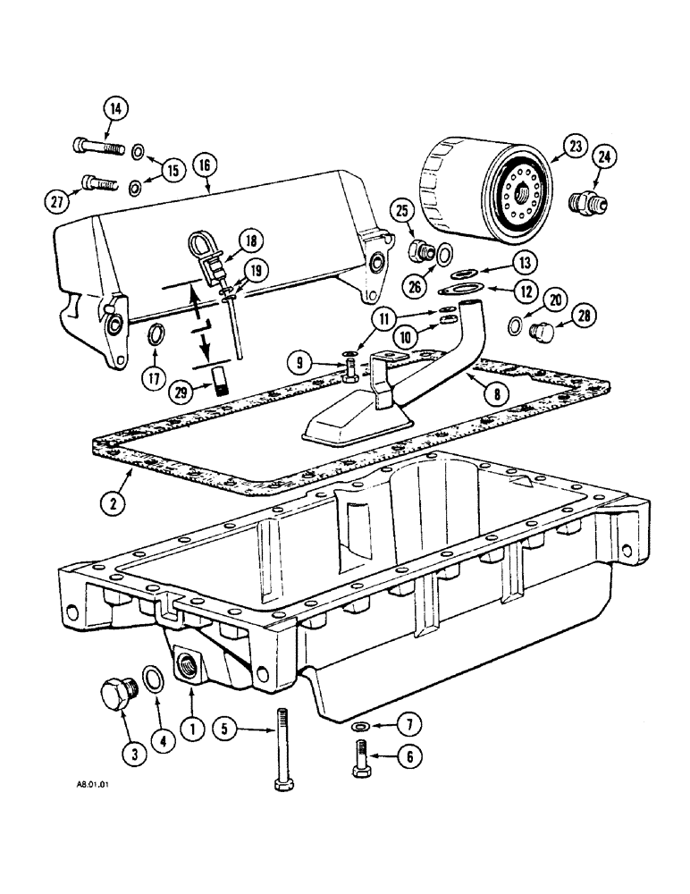
2
24
29
27
8
23
13
7
14
15
6
25
1
28
17
5
4
16
12
19
18
3
26
20
10
9
11
FIT
1:1
100%

Артикул

Название

Примечание

Количество

1

1966322C1

SUMP

1шт.

2

1966326C1

GASKET

1шт.

3

1547400C1

PLUG

1/2 in.

1шт.

4

1966808C1

WASHER

1шт.

5

814-8090

BOLT,Hex, M8 x 1.25 x 90mm, Cl 8.8

M8 x 90 mm

6шт.

5

814-8130

BOLT,Hex, M8 x 1.25 x 130mm, Cl 8.8

M8 x 30 mm

3шт.

6

814-8040

BOLT,Hex, M8 x 1.25 x 40mm, Cl 8.8

17шт.

7

893-11008

LOCK WASHER,Ext Tooth, M8

26шт.

8

1966323C1

PIPE

1шт.

9

614-8016

BOLT,Hex, M8 x 1.25 x 16mm, Cl 8.8, Full Thd

1шт.

10

825-1408

NUT,M8, Cl 8

1шт.

11

893-11008

LOCK WASHER,Ext Tooth, M8

2шт.

12

1966324C1

FLANGE

1шт.

13

1966699C1

O-RING

1шт.

14

864-8050

HEX SOC SCREW,M8 x 50mm, Cl 8.8

2шт.

15

1966599C1

WASHER

4шт.

16

1966003C1

COOLER, OIL

1шт.

17

1966702C1

O-RING

2шт.

18

1966401C1

DIPSTICK

69 mm, W/Out Adapter Ref. 29

1шт.

18

1530462C1

DIPSTICK

95 mm, With Adapter Ref. 29

1шт.

19

1966703C1

O-RING

2шт.

20

1966473C1

GASKET

12,2 x 18 mm

1шт.

23

1966279C1

FILTER, ENGINE OIL

FILTER, OIL

1шт.

24

1966500C1

FITTING

1шт.

25

1966501C1

BOLT

1шт.

26

1966474C1

PACKING RING

1шт.

27

1966761C1

BOLT

2шт.

28

1530346C1

PLUG

1шт.

29

1530460C1

ADAPTER

1шт.

Выбрано товаров: 29