Запчасти Case IH 2140 (3-04) - FUEL PIPES (03) - FUEL SYSTEM

Схема запчастей Case IH 2140 - (3-04) - FUEL PIPES (03) - FUEL SYSTEM
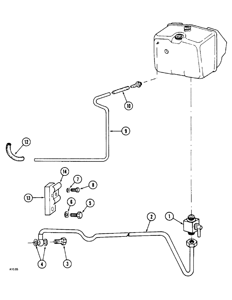
1
5
7
13
2
9
6
12
4
3
14
8
10
FIT
1:1
100%

Артикул

Название

Примечание

Количество

1

1967790C1

COCK

1шт.

2

1530247C1

TUBE

To Lift Pump, 2120, 2130

1шт.

2

1530266C1

TUBE

To Lift Pump, 2140, 2150

1шт.

3

1966745C1

PLUG

1шт.

4

1966707C1

WASHER

2шт.

5

614-8030

BOLT,Hex, M8 x 1.25 x 30mm, Cl 8.8, Full Thd

1шт.

6

892-11008

LOCK WASHER,8mm ID

1шт.

7

892-11006

LOCK WASHER,M6

1шт.

8

614-6020

BOLT,Hex, M6 x 1 x 20mm, Cl 8.8, Full Thd

1шт.

9

1967916C1

PIPE

2120, 2130

1шт.

9

1967915C1

PIPE

2140, 2150

1шт.

10

1967789C1

HOSE

1шт.

12

1530246C1

HOSE

1шт.

13

1530271C1

PLATE

1шт.

14

1530426C1

SUPPORT

1шт.

Выбрано товаров: 15