Запчасти Case IH 2140 (5-02) - STEERING, COLUMN TO SUPPORT (05) - STEERING

Схема запчастей Case IH 2140 - (5-02) - STEERING, COLUMN TO SUPPORT (05) - STEERING
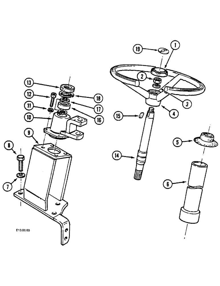
10
5
6
8
11
18
1
3
4
14
12
15
7
16
19
13
9
17
FIT
1:1
100%

Артикул

Название

Примечание

Количество

1

1966810C1

LID

, Serial Range: -CGC3831

1шт.

1

1547440C1

LID

, Start Serial: CGC3832

1шт.

2

825-11416

NUT,M16 x 1.5, Cl 8

1шт.

3

934326R1

WAVE WASHER,M17 ID x 30 OD x 1.6 Thk

1шт.

4

1966811C2

WHEEL (STEERING)

1шт.

5

1966813C1

BELLOWS

1шт.

6

1966814C1

SLEEVE

1шт.

7

892-11014

LOCK WASHER,14.5mm ID x 24.1mm OD x 4.5mm Thk

4шт.

8

614-16035

BOLT,Hex, M16 x 2 x 35mm, Cl 8.8, Full Thd

4шт.

9

1966817C1

BRACKET

1шт.

2120 - (P.I.N. -CGC6017), 2130 - (P.I.N. -CGC9044), 2140 - (P.I.N. -CGC12130), 2150 - (P.I.N. -CGC15013)

1шт.

9

114814A1

SUPPORT

1шт.

2120 - (P.I.N. CGC6018-), 2130 - (P.I.N. CGC9045-), 2140 - (P.I.N. CGC12131-), 2150 - (P.I.N. CGC15014-)

1шт.

10

1966816C1

BRACKET

1шт.

11

892-11010

LOCK WASHER,M10

4шт.

12

864-10035

HEX SOC SCREW,M10 x 35mm, Cl 8.8

M10 x 35 mm

4шт.

13

1966815C1

SEAL

1шт.

14

1966812C1

STEERING COLUMN

COLUMN-STEERING

1шт.

15

905847R1

KEY,M6 x 6 x 18, Par

1шт.

16

765978R91

BALL BEARING,25 mm ID x 47 mm OD x 12 mm

1шт.

17

800-1125

SNAP RING,M25, Ext

2шт.

18

800-2147

SNAP RING,M47, Int

1шт.

19

A180055

CAP ASSY.

1шт.

Выбрано товаров: 23