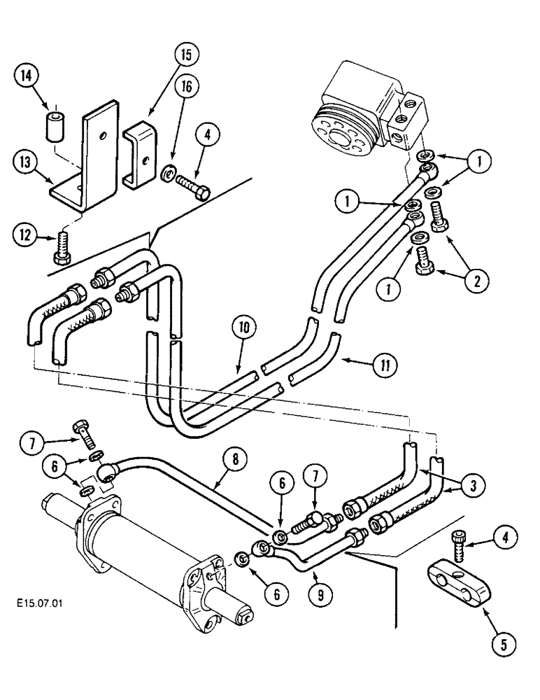
Запчасти Case IH 2140 (5-18[B]) - STEERING PIPES, MFD, NARROW VERSION ONLY, VERSION WITH SINGLE PUMP, 2140 - P.I.N. CGC12136- (05) - STEERING

Схема запчастей Case IH 2140 - (5-18[B]) - STEERING PIPES, MFD, NARROW VERSION ONLY, VERSION WITH SINGLE PUMP, 2140 - P.I.N. CGC12136- (05) - STEERING
1
10
7
6
1
13
6
4
2
16
1
5
7
12
8
11
6
14
4
3
15
9
FIT
1:1
100%

Артикул

Название

Примечание

Количество

1

1967980C1

WASHER

4шт.

2

1967981C1

BANJO BOLT

2шт.

3

114818A1

HYDRAULIC HOSE

2шт.

4

864-6020

HEX SOC SCREW,M6 x 20mm, Cl 8.8

2шт.

5

1967996C1

CLAMP

1шт.

6

933610R1

SEALING RING,M14 x 18 x 1.8

4шт.

7

114835A1

BANJO BOLT

2шт.

8

114836A1

PIPE

1шт.

9

114837A1

PIPE

1шт.

10

114837A1

PIPE

1шт.

11

114838A1

PIPE

1шт.

12

814-8055

BOLT,Hex, M8 x 1.25 x 55mm, Cl 8.8

1шт.

13

114840A1

SUPPORT

1шт.

14

114841A1

SPACER

1шт.

15

114842A1

FIXING BRACKET

1шт.

16

892-11006

LOCK WASHER,M6

1шт.

Выбрано товаров: 16