Качественные детали и логистика
Оригинальные и аналоговые запчасти с доставкой по России, Казахстану и Беларуси
©2022 PartSell ООО "Система" ИНН 2463123282 ОГРН 1212400004838
Центральный офис: г. Красноярск, Академика Киренского, д.87, пом.4
Телефон: 8 (800) 777-65-74 Email: zakaz@partsell.ru
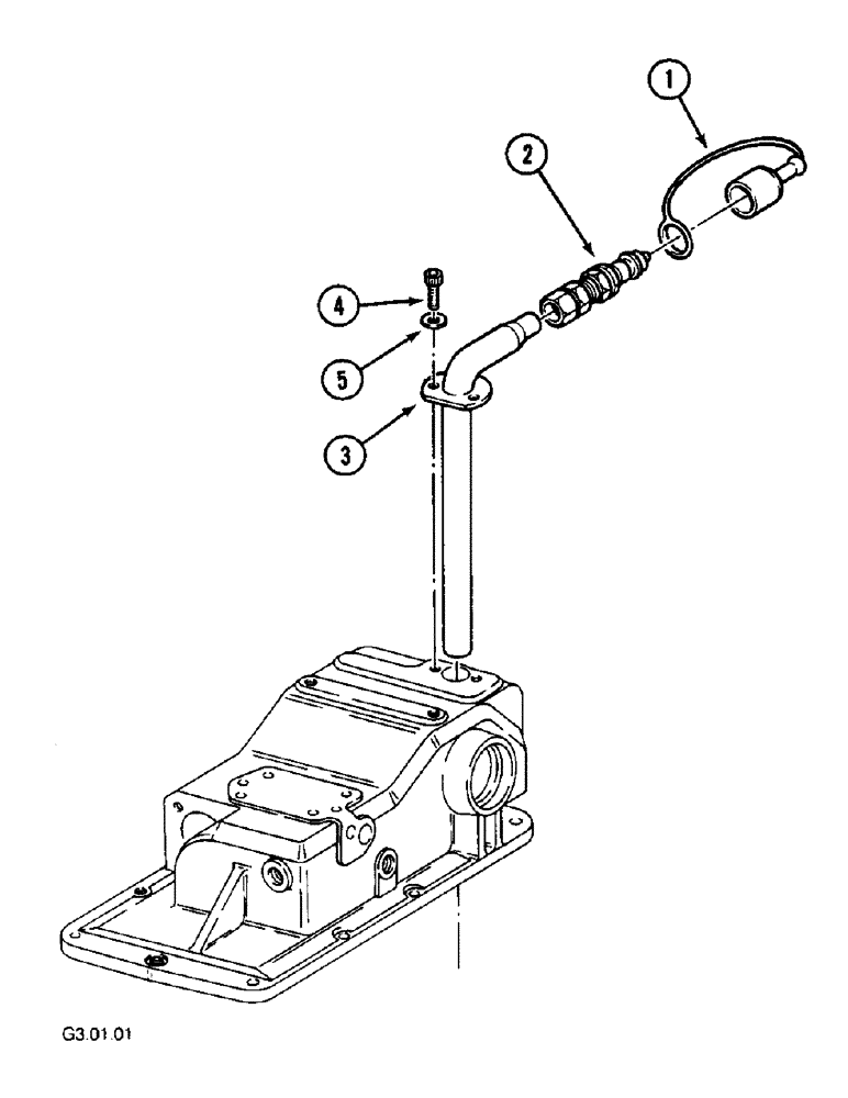
(8-06[C]) - HYDRAULIC COUPLINGS, 2150 - (P.I.N. : CGC15014-)
№
Артикул
Название
Примечание
Количество
1
1984796C1
PROTECTOR
1шт.
2
115269A1
PUSH-PULL COUPLING
3
115271A1
PIPE
4
864-6016
HEX SOC SCREW,M6 x 16mm, Cl 8.8
2шт.
5
892-11006
LOCK WASHER,M6
Выбрано товаров: 0