Запчасти Case IH 2150 (2-10) - ENGINE SHIELDS (4 CYL), 2140, 2150 (02) - ENGINE

Схема запчастей Case IH 2150 - (2-10) - ENGINE SHIELDS (4 CYL), 2140, 2150 (02) - ENGINE
16
18
11
25
15
3
7
25
19
1
12
11
27
12
30
14
21
9
13
27
22
17
11
13
20
10
11
FIT
1:1
100%

Артикул

Название

Примечание

Количество

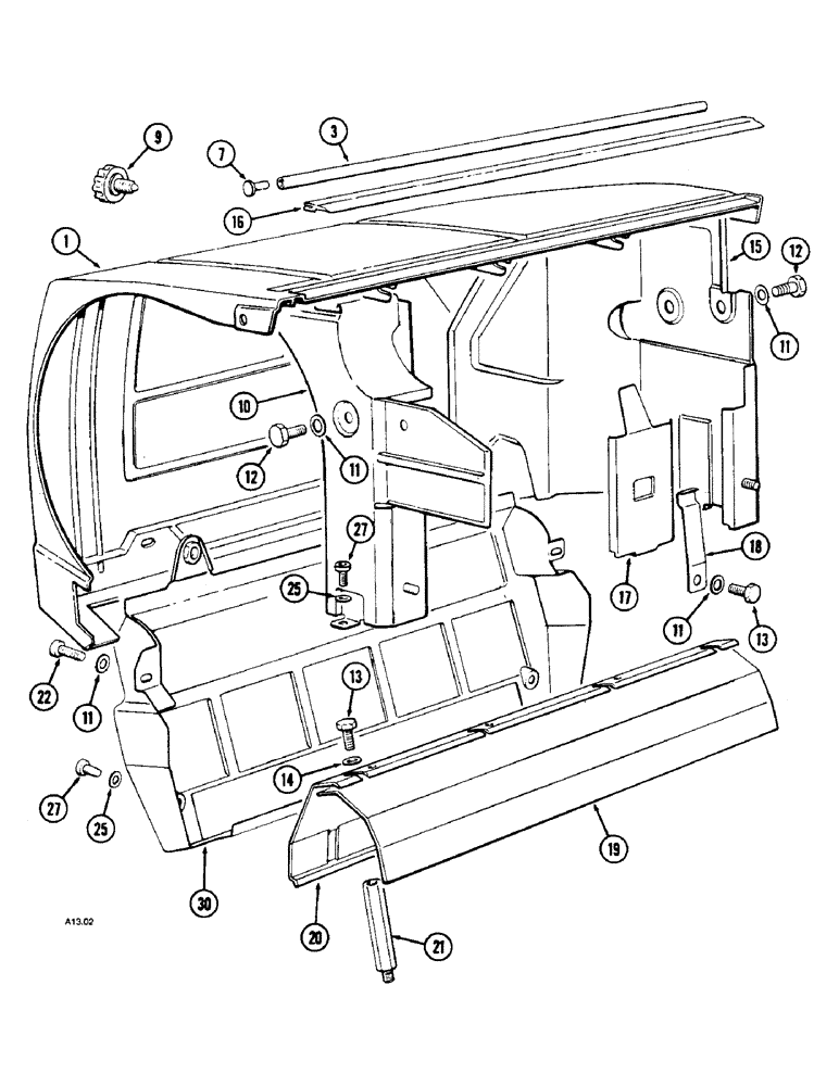
1

1966364C1

PROTECTOR

1шт.

3

1966373C1

SHAFT

1шт.

7

1966494C1

PLUG

1шт.

9

1966374C1

GRIP

2шт.

10

1966365C1

CONVEYOR

1шт.

11

895-11008

WASHER,9mm ID x 16mm OD x 1.6mm Thk

flat, 9 x 17 x 2 mm

12шт.

12

1966776C1

BOLT

4шт.

13

1966775C1

BOLT

6шт.

14

895-11008

WASHER,9mm ID x 16mm OD x 1.6mm Thk

flat, 9 x 17 x 2 mm

6шт.

15

1966366C1

HOUSING

1шт.

16

1966375C1

GASKET

1шт.

17

1966376C1

BAFFLE

3шт.

18

1966377C1

SUPPORT

3шт.

19

1966380C1

PROTECTOR

1шт.

20

1966379C1

PROTECTOR

1шт.

21

1966378C1

SUPPORT

3шт.

22

1966764C1

BOLT

2шт.

25

1966782C1

WASHER

4шт.

27

1966668C1

BOLT

2шт.

30

1530318C1

PROTECTOR

1шт.

Выбрано товаров: 20