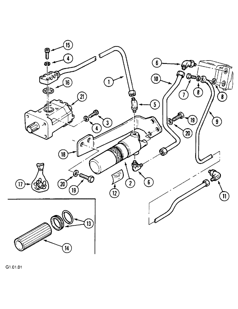
Запчасти Case IH 2150 (8-36[C]) - HYDRAULIC LIFT PIPING, OIL PUMP CIRCUIT, W/SINGLE PUMP, 2150 - (P.I.N. : CGC15014-) (08) - HYDRAULICS

Схема запчастей Case IH 2150 - (8-36[C]) - HYDRAULIC LIFT PIPING, OIL PUMP CIRCUIT, W/SINGLE PUMP, 2150 - (P.I.N. : CGC15014-) (08) - HYDRAULICS
6
15
17
14
2
10
4
20
12
8
13
11
5
4
19
18
16
3
7
21
9
8
1
19
6
20
FIT
1:1
100%

Артикул

Название

Примечание

Количество

1

114890A1

PIPE

1шт.

2

114891A1

FILTER ASSY

1шт.

3

864-8030

HEX SOC SCREW,M8 x 30mm, Cl 8.8

4шт.

4

892-11008

LOCK WASHER,8mm ID

8шт.

5

114893A1

ELBOW

1шт.

6

114894A1

ELBOW

1шт.

7

1967981C1

BANJO BOLT

1шт.

8

1967980C1

WASHER

2шт.

9

114895A1

PIPE

1шт.

10

114896A1

PIPE

1шт.

11

114897A1

ELBOW

1шт.

12

114898A1

DECAL

English

1шт.

12

114899A1

DECAL

Français

1шт.

12

114900A1

DECAL

Italiano

1шт.

13

114907A1

SEAL KIT

1шт.

14

114908A1

HYDRAULIC OIL FILTER

FILTER, OIL

1шт.

15

864-8040

HEX SOC SCREW,M8 x 40mm, Cl 8.8

M8 x 40 mm

4шт.

16

1530013C1

O-RING

2шт.

17

1984916C1

SEAL KIT

1шт.

18

114909A1

SUPPORT

1шт.

19

614-10025

BOLT,Hex, M10 x 1.5 x 25mm, Cl 8.8

5шт.

20

892-11006

LOCK WASHER,M6

10 mm

5шт.

21

114910A1

PUMP, HYDRAULIC

1шт.

Выбрано товаров: 23