Запчасти Case IH 2150 (8-46[C]) - HYDRAULIC LIFT, PIPING, REMOTE VALVES, 2150 - (P.I.N. : CGC15014-) (08) - HYDRAULICS

Схема запчастей Case IH 2150 - (8-46[C]) - HYDRAULIC LIFT, PIPING, REMOTE VALVES, 2150 - (P.I.N. : CGC15014-) (08) - HYDRAULICS
12
11
26
13
1
24
5
9
8
16
14
4
3
10
20
25
22
8
8
17
7
15
13
23
27
19
9
7
6
19
21
2
18
FIT
1:1
100%

Артикул

Название

Примечание

Количество

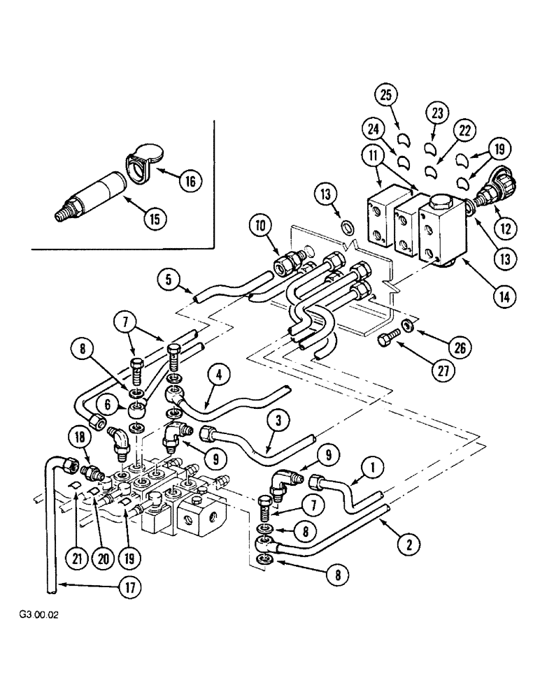
1

115246A1

PIPE

1шт.

2

115247A1

PIPE

1шт.

3

115248A1

PIPE

1шт.

4

115249A1

PIPE

1шт.

5

115250A1

PIPE

1шт.

6

115251A1

PIPE

1шт.

7

905842R1

SCREW,Hex, M18 x 1.5 x 35mm, Cl 10.9, Full Thd

BOLT

3шт.

8

3051337R1

SEALING RING,M18 x 24mm OD x 1.5mm Thk

6шт.

9

115252A1

ELBOW

3шт.

10

115253A1

FITTING

6шт.

11

115254A1

VALVE

2шт.

12

115255A1

SCREW ON COUPLING

RH Thread

5шт.

13

115256A1

WASHER

11шт.

14

115257A1

BLOCK ASSY.

1шт.

15

115258A1

PUSH-PULL COUPLING

5шт.

16

1967860C1

COVER

5шт.

17

115259A1

PIPE

2 Position

1шт.

17

115260A1

PIPE

3 Position

1шт.

18

1530033C1

SLEEVE

1шт.

19

115261A1

DECAL

Green

2шт.

20

115262A1

DECAL

Grey/Brown

1шт.

21

115263A1

DECAL

Yellow/Red

1шт.

22

115264A1

DECAL

Brown

1шт.

23

115265A1

DECAL

Grey

1шт.

24

115266A1

DECAL

Yellow

1шт.

25

115267A1

DECAL

Red

1шт.

26

892-11008

LOCK WASHER,8mm ID

6шт.

27

614-8016

BOLT,Hex, M8 x 1.25 x 16mm, Cl 8.8, Full Thd

6шт.

Выбрано товаров: 28