Запчасти Case IH 2150 (9-020) - CAB FRAME (09) - CHASSIS/ATTACHMENTS

Схема запчастей Case IH 2150 - (9-020) - CAB FRAME (09) - CHASSIS/ATTACHMENTS
11
3
11
10
7
23
10
4
26
14
2
13
10
5
11
11
1
8
19
17
15
7
9
10
12
24
10
6
22
8
11
27
9
25
12
18
12
20
21
16
FIT
1:1
100%

Артикул

Название

Примечание

Количество

140297A1

CAB

Standard

1шт.

140298A1

CAB

Deluxe : 92

1шт.

1984799C1

CAB

1шт.

For Narrow Tractors

1шт.

1984800C1

CAB

1шт.

For Vineyard Tractors

1шт.

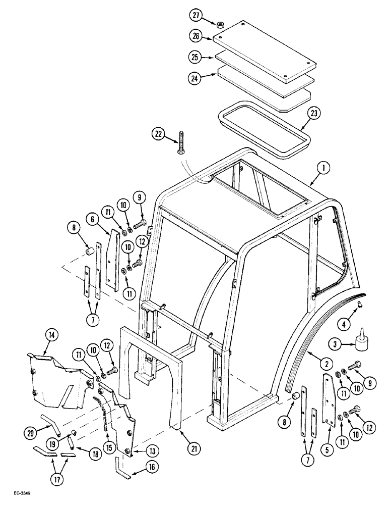
1

1984500C1

CAB BODY

Black, with: 2 - 27

1шт.

2

1984501C1

SHROUD

1230 mm

1шт.

3

1984502C1

GLUE

SIKAFLEX

1шт.

4

1984503C1

RIVET

4шт.

5

1984504C1

PROTECTION PLATE

Left

1шт.

6

1984505C1

PROTECTION PLATE

Right

1шт.

7

1984506C1

GASKET

2шт.

8

1984507C1

BUSHING

M6

6шт.

9

1984508C1

SCREW

M6 x 20 mm

6шт.

10

892-11006

LOCK WASHER,M6

11шт.

11

1984509C1

WASHER

6 mm

11шт.

12

1984510C1

SCREW

M6 x 16 mm

7шт.

13

1984511C1

PROTECTION PLATE

Left

1шт.

13

117235A1

PROTECTION PLATE

Left, Start Serial: XXXX

1шт.

France Only

1шт.

14

1984512C1

PROTECTION PLATE

Right

1шт.

15

1984513C1

SEAL

258 mm

2шт.

16

1984514C1

GASKET

264 mm

1шт.

17

1984506C1

GASKET

231 mm

1шт.

18

1984516C1

SEAL

132 mm

2шт.

19

1984517C1

SEAL

126 mm

2шт.

20

1984516C1

SEAL

187 mm

2шт.

21

1984519C1

SEAL

Front

1шт.

22

1984520C1

SCREW

M6 x 40 mm

4шт.

23

1984513C1

SEAL

1шт.

23

1984730C1

SEAL

Deluxe 92

1шт.

24

1984522C1

LEDGER PLATE

1шт.

24

140047A1

LEDGER PLATE

Deluxe 92

1шт.

25

1984523C1

SEAL

1шт.

26

1984524C1

HATCH

1шт.

26

140046A1

HATCH

Deluxe 92

1шт.

27

1984525C1

LOCK NUT

4шт.

Выбрано товаров: 38