Запчасти Case IH 2150 (2-38) - CRANKSHAFT AND RELATED PARTS (02) - ENGINE

Схема запчастей Case IH 2150 - (2-38) - CRANKSHAFT AND RELATED PARTS (02) - ENGINE
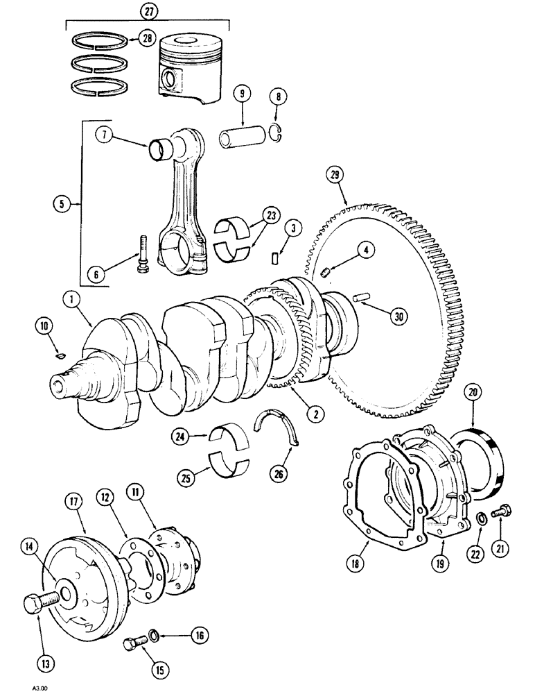
30
29
26
16
20
13
24
2
19
11
3
7
25
8
6
1
23
14
28
9
22
10
27
12
5
18
15
21
4
17
FIT
1:1
100%

Артикул

Название

Примечание

Количество

1

1966441C1

CRANKSHAFT

3 Cylinder, 2120, 2130

1шт.

1

1966448C1

CRANKSHAFT

4 Cylinder, 2140, 2150

1шт.

2

1530274C1

GEAR

2140, 2150

1шт.

3

1530288C1

DOWEL

2140, 2150

1шт.

4

1966800C1

PLUG

1/8 in., 2120, 2130

3шт.

4

1966800C1

PLUG

1/8 in., 2140, 2150

4шт.

5

1966432C1

PITMAN ASSY.

2120, 2130

3шт.

5

1966432C1

PITMAN ASSY.

2140, 2150

4шт.

6

1966665C1

SCREW

2120, 2130

6шт.

6

1966665C1

SCREW

2140, 2150

8шт.

7

1966466C1

BUSHING

2120, 2130

3шт.

7

1966466C1

BUSHING

2140, 2150

4шт.

8

1966690C1

CIRCLIP

2120, 2130

6шт.

8

1966690C1

CIRCLIP

2140, 2150

8шт.

9

1966433C1

PIN

2120, 2130

3шт.

9

1966433C1

PIN

2140, 2150

4шт.

10

1966798C1

KEY

2шт.

11

1966308C1

HUB

1шт.

12

1966714C1

SHIM

0,5 mm, 4 Cylinder, 2140, 2150

1шт.

12

1966715C1

SHIM

1,0 mm

1шт.

13

1966670C1

BOLT

1шт.

14

1966734C1

WASHER

1шт.

15

814-10045

BOLT,Hex, M10 x 1.5 x 45mm, Cl 8.8

6шт.

16

893-11010

LOCK WASHER,Ext Tooth, M10

6шт.

17

1966650C1

PULLEY

1шт.

18

1966310C1

GASKET

29T

1шт.

19

1966309C1

COVER

1шт.

20

1966693C1

OIL SEAL

1шт.

21

614-8020

BOLT,Hex, M8 x 1.25 x 20mm

9шт.

22

892-11008

LOCK WASHER,8mm ID

9шт.

23

1966300C1

HALF BEARING

Standard, 2120, 2130

6шт.

23

1966300C1

HALF BEARING

Standard, 2140, 2150

8шт.

23

1966301C1

BEARING,CON.ROD

BEARING, CON. ROD Undersize, 0,25 mm, 2120, 2130

6шт.

23

1966301C1

BEARING,CON.ROD

BEARING, CON. ROD Undersize, 0,25 mm, 2140, 2150

8шт.

23

1966302C1

BEARING,CON.ROD

BEARING, CON. ROD Undersize, 0,50 mm, 2120, 2130

6шт.

23

1966302C1

BEARING,CON.ROD

BEARING, CON. ROD Undersize, 0,50 mm, 2140, 2150

8шт.

24

1966294C1

HALF BEARING

BEARING (HALF) Standard, 2120, 2130

4шт.

24

1966294C1

HALF BEARING

BEARING (HALF) Standard, 2140, 2150

5шт.

24

1966295C1

BEARING LINER

Undersize, 0,25 mm, 2120, 2130

4шт.

24

1966295C1

BEARING LINER

Undersize, 0,25 mm, 2140, 2150

5шт.

24

1966296C1

CRANKSHAFT BEARING

Undersize, 0,50 mm, Upper, 2120, 2130

4шт.

24

1966296C1

CRANKSHAFT BEARING

Undersize, 0,50 mm, Upper, 2140, 2150

5шт.

25

1966297C1

HALF BEARING

BEARING (HALF) Standard, 2120, 2130

4шт.

25

1966297C1

HALF BEARING

BEARING (HALF) Standard, 2140, 2150

5шт.

25

1966298C1

HALF BEARING

BEARING (HALF) Undersize, 0,25 mm, 2120, 2130

4шт.

25

1966298C1

HALF BEARING

BEARING (HALF) Undersize, 0,25 mm, 2140, 2150

5шт.

25

1966299C1

BEARING LINER

Undersize, 0,50 mm, Lower, 2120, 2130

4шт.

25

1966299C1

BEARING LINER

Undersize, 0,50 mm, Lower, 2140, 2150

5шт.

26

1966648C1

BEARING, THRUST

Undersize, 0,25 mm

4шт.

26

1966647C1

HALF-COLLAR

Standard

4шт.

26

1966649C1

HALF-COLLAR

Undersize, 0,50 mm

4шт.

27

1966438C1

PISTON

2120, 2130

3шт.

27

1966438C1

PISTON

2140, 2150

4шт.

28

1966437C1

PISTON RING SET

2120, 2130

3шт.

28

1966437C1

PISTON RING SET

2140, 2150

4шт.

29

1966307C1

GEAR, RING

RING, GEAR 123T, 2140, 2150

1шт.

29

1530597C1

GEAR, RING

RING, GEAR 121T, 2120, 2130

1шт.

30

1966797C1

PIN

1шт.

Выбрано товаров: 58