Запчасти Case IH 2150 (2-44) - BALANCER GEAR AND SHAFT (02) - ENGINE

Схема запчастей Case IH 2150 - (2-44) - BALANCER GEAR AND SHAFT (02) - ENGINE
19
9
4
10
3
13
2
21
13
11
23
16
10
14
18
15
2
1
3
12
6
17
2
20
5
2
FIT
1:1
100%

Артикул

Название

Примечание

Количество

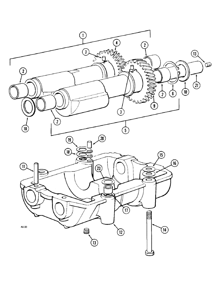
1

1966449C1

SHAFT

Right

1шт.

2

1966467C1

BUSHING

4шт.

3

1966794C1

PIN

2шт.

4

1966305C1

GEAR

1шт.

5

1966303C1

WEIGHT

Left

1шт.

6

1966785C1

CIRCLIP

1шт.

9

1966306C1

GEAR

1шт.

10

1966728C1

THRUST WASHER

4шт.

11

905815R1

PIN,M8 x 40, Coiled

2шт.

12

1966471C1

HOUSING

1шт.

13

1966800C1

PLUG

1/8 in.

6шт.

14

814-12090

BOLT,Hex, M12 x 1.75 x 90mm, Cl 8.8

4шт.

15

1966713C1

SHIM

0,3 mm

1шт.

16

1966711C1

SHIM

0,1 mm

1шт.

17

1966792C1

SPACER

2шт.

18

1966716C1

SHIM

0,3 mm

2шт.

19

1966718C1

SHIM

0,1 mm

2шт.

20

1966488C1

BUSHING

1шт.

21

1966304C1

SHAFT

2шт.

23

1966710C1

SPACER

0,3 mm

2шт.

23

1966712C1

SHIM

0,1 mm

2шт.

Выбрано товаров: 21