Качественные детали и логистика
Оригинальные и аналоговые запчасти с доставкой по России, Казахстану и Беларуси
©2022 PartSell ООО "Система" ИНН 2463123282 ОГРН 1212400004838
Центральный офис: г. Красноярск, Академика Киренского, д.87, пом.4
Телефон: 8 (800) 777-65-74 Email: zakaz@partsell.ru
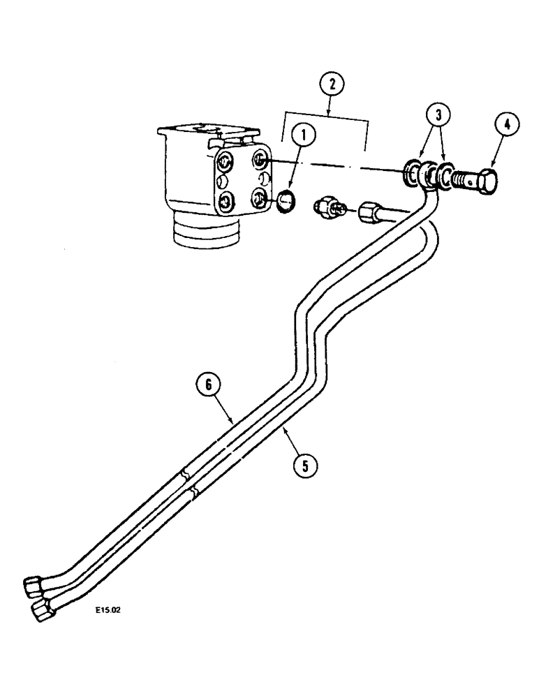
(5-10) - STEERING PIPES, VERSION WITH DOUBLE PUMP
№
Артикул
Название
Примечание
Количество
1
1966581C1
O-RING
1шт.
2
1966594C1
NUT
3
E135040
SEALING WASHER,M22 x 27 x 1.5
22 x 27 mm
2шт.
4
1966043C1
BANJO BOLT
5
1966598C1
PRESSURE PIPE
6
1966597C1
Выбрано товаров: 0