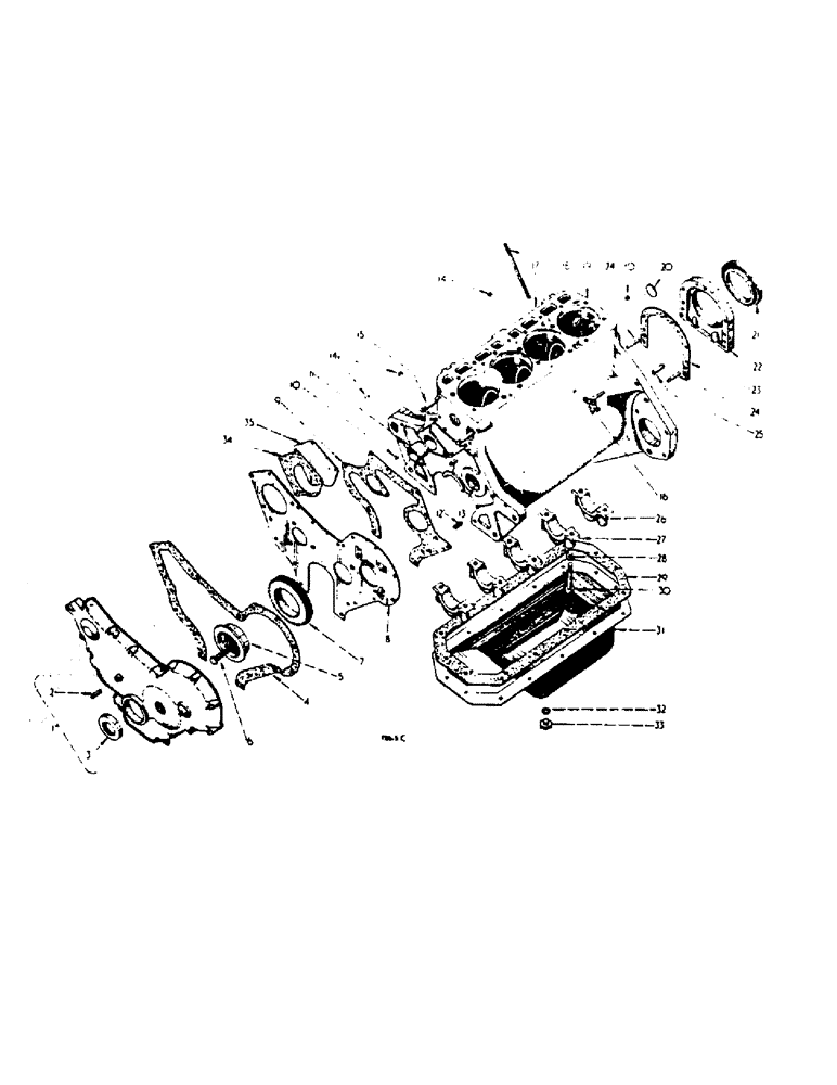
Запчасти Case IH 2300 (2-05) - PETROL ENGINE, CRANKCASE, FRONT COVER AND OIL PAN (01) - ENGINE

Схема запчастей Case IH 2300 - (2-05) - PETROL ENGINE, CRANKCASE, FRONT COVER AND OIL PAN (01) - ENGINE
14
21
8
3
9
28
33
31
15
4
30
24
5
10
6
22
32
7
23
29
27
20
25
14
26
35
2
FIT
1:1
100%

Артикул

Название

Примечание

Количество

1

3044166R92

COVER, crankcase front, cpte. w/oil seal 703844R91 and pointer 712064R1

1шт.

179818

BOLT,Hex, 5/16" - 18 x 1", Gr 5

4шт.

179824

BOLT,Hex, 5/16" - 18 x 1 3/4", Gr 5

4шт.

179825

BOLT,Hex, 5/16" - 18 x 1 7/8", Gr 5

6шт.

9635082

NUT,5/16" - 18, Gr 5

hex hd. 5/16"

4шт.

103320

LOCK WASHER,5/16"

WASHER, LOCK, 5/16"

14шт.

2

712064R1

POINTER, timing

1шт.

3

3108650R91

SEAL

OIL SEAL, crankshaft front

1шт.

4

708285R1

GASKET

crankcase front cover

1шт.

5

3044191R1

SHAFT, idler gear

1шт.

6

181434

BOLT,Hex, 1/2" - 20 x 1 7/8", Gr 5

hex-hd., 1/2" UNF x 1-7/8"

1шт.

7

3044190R1

X

GEAR, idler

1шт.

8

3044164R91

PLATE, crankcase front, cpte., w/three locks 46250D and three rivets 110638

1шт.

3047230R1

SCREW

mach., crankcase front plate

2шт.

9

709903R1

GASKET

crankcase front plate

1шт.

10

444691

PLUG

pipe

2шт.

11

703827R1

CAMSHAFT BEARING

BUSH, camshaft, front

1шт.

11

703828R1

CAMSHAFT BEARING

BUSH, camshaft, center

1шт.

11

703829R1

CAMSHAFT BEARING

BUSH, camshaft, rear

1шт.

12

141244

PIN

dowel (crankshaft front)

2шт.

13

751610R1

INSERT

lock, idler gear bolt screw, 1/2 UNF x 1/2"

1шт.

14

103883

PIPE PLUG,Slotted, Headless, 1/8" NPT

PLUG, PIPE, Slotted, Headless, 1/8" NPT

3шт.

15

703832R1

STUD

water pump

4шт.

16

106794

VALVE

TAP, water drain, optional

1шт.

16

707888R92

COCK

TAP, water drain, optional

1шт.

17

3044162R94

CRANKCASE

cpte., comprising: (10) bolt 3061211R1, (1) bush 703827R1, (1) bush 703828R1, (1) bush 703829R1, (X) cap 706491R2 (X) cap 708902R2, (1) insert 751610R1, (14) insert 751834R1, (2) pin 141287, (2) pin 141244, (2) pin 141223, (3) plug 103883

1шт.

18

751826R1

TUBE,0.375" OD, 5.75" Length

dipstick

1шт.

19

751834R1

INSERT

heli-coil thread, 7/16" - 14

14шт.

20

172578

PLUG,Exp, 1 3/4"

expansion, 1-3/4" dia. type 1

1шт.

21

3072092R91

OIL SEAL

OIL SEAL, crankshaft rear

1шт.

22

708904R1

RETAINER

crankshaft rear oil seal

1шт.

706732R1

BOLT,Hex, 5/16" - 18 x 1 1/8"

crankshaft rear oil seal retainer

7шт.

103320

LOCK WASHER,5/16"

WASHER, LOCK, 5/16"

7шт.

23

708907R1

GASKET

crankshaft rear oil seal retainer

1шт.

24

141223

DOWEL,5/16" x 1"

PIN, dowel, crankshaft rear oil seal retainer

2шт.

25

141287

DOWEL,1/2" x 1 1/2"

PIN, dowel

2шт.

26

708902R2

BEARING CAP,2.273" ID x 1.1013"

CAP, crankshaft bearing, rear

1шт.

27

706491R2

CAP

crankshaft bearing

1шт.

28

709547R1

WASHER, crankshaft bearing cap bolt (used w/bolt 708350R1)

10шт.

28

3061325R1

WASHER

crankshaft bearing cap bolt

10шт.

29

703840R1

GASKET

crankcase pan

1шт.

30

3061211R1

BOLT,1/2" - 13 x 2.875"

crankshaft bearing cap

10шт.

31

3064063R11

SUMP

PAN, crankcase oil, cpte.

1шт.

179817

BOLT,Hex, 5/16" - 18 x 7/8", Gr 5, Full Thd

14шт.

103320

LOCK WASHER,5/16"

WASHER, LOCK, 5/16"

14шт.

32

3405H

GASKET

crankcase pan drain plug, optional

1шт.

32

3043644R1

WASHER

GASKET, crankcase pan drain plug, optional

1шт.

33

445096

PLUG

crankcase pan drain

1шт.

34

703851R1

GASKET

hyd. pump opening cover

1шт.

35

703850R1

COVER

hyd. pump opening

1шт.

179825

BOLT,Hex, 5/16" - 18 x 1 7/8", Gr 5

3шт.

13-534

BOLT,Hex, 5/16" - 18 x 2-1/8", Gr 5

hex-hd. 5/16" x 2-1/8"

1шт.

9635082

NUT,5/16" - 18, Gr 5

hex 5/8"

4шт.

103320

LOCK WASHER,5/16"

WASHER, LOCK, 5/16"

4шт.

Q397

WASHER

3/4" x 11/32" x 16 ga

1шт.

3044209R92

GASKET KIT

PACKAGE, valve grinding (Petrol), comprising:

1шт.

3045854R1

GASKET

cyl-hd.

1шт.

3044210R1

GASKET

intake and exhaust manifold

2шт.

3069767R1

GASKET

valve housing

1шт.

703815R1

GASKET

thermostat housing

1шт.

3044241R94

KIT

PACKAGE, gasket (Petrol), comprising:

1шт.

703816R1

GASKET

water pump

1шт.

703815R1

GASKET

thermostat housing

1шт.

3072092R91

OIL SEAL

OIL SEAL, crankshaft rear

1шт.

708907R2

OIL SEAL

crankshaft rear oil seal retainer

1шт.

703840R1

GASKET

crankcase pan

1шт.

3405H

GASKET

crankcase drain plug, optional

1шт.

3043644R1

WASHER

GASKET, crankcase drain plug, optional

1шт.

709903R2

GASKET

crankcase front plate

1шт.

708285R2

GASKET

crankcase front cover

1шт.

703851R1

GASKET

hydraulic pump opening cover

1шт.

3045854R1

GASKET

cyl. hd.

1шт.

3069767R1

GASKET

valve cover

1шт.

706592R2

GASKET

lubrication oil filter base

1шт.

3044210R1

GASKET

intake and exhaust manifold

2шт.

3044211R1

GASKET

governor housing cover

1шт.

3044212R1

GASKET

governor housing

1шт.

3044370R1

SHAFT

GASKET, fuel pump

1шт.

3047295R91

GASKET

carburetor

1шт.

3061658R1

GASKET

fuel pump

1шт.

3065125R1

GASKET

thermostat housing cover

1шт.

3047283R1

GASKET

water pump body

1шт.

3047285R1

GASKET

water pump, Serial Range: coupling-crankcase

1шт.

703849R1

GASKET

injection pump gear cover

1шт.

Выбрано товаров: 84