Запчасти Case IH 2300 (5-21) - HYDRAULIC ATTACHMENTS, AUXILIARY VALVE ATTACHMENTS, WITH ONE S.A. OR ONE D.A. VALVE (07) - HYDRAULIC SYSTEM

Схема запчастей Case IH 2300 - (5-21) - HYDRAULIC ATTACHMENTS, AUXILIARY VALVE ATTACHMENTS, WITH ONE S.A. OR ONE D.A. VALVE (07) - HYDRAULIC SYSTEM
3
11
6
14
18
7
12
9
1
5
10
15
8
16
4
13
17
2
FIT
1:1
100%

Артикул

Название

Примечание

Количество

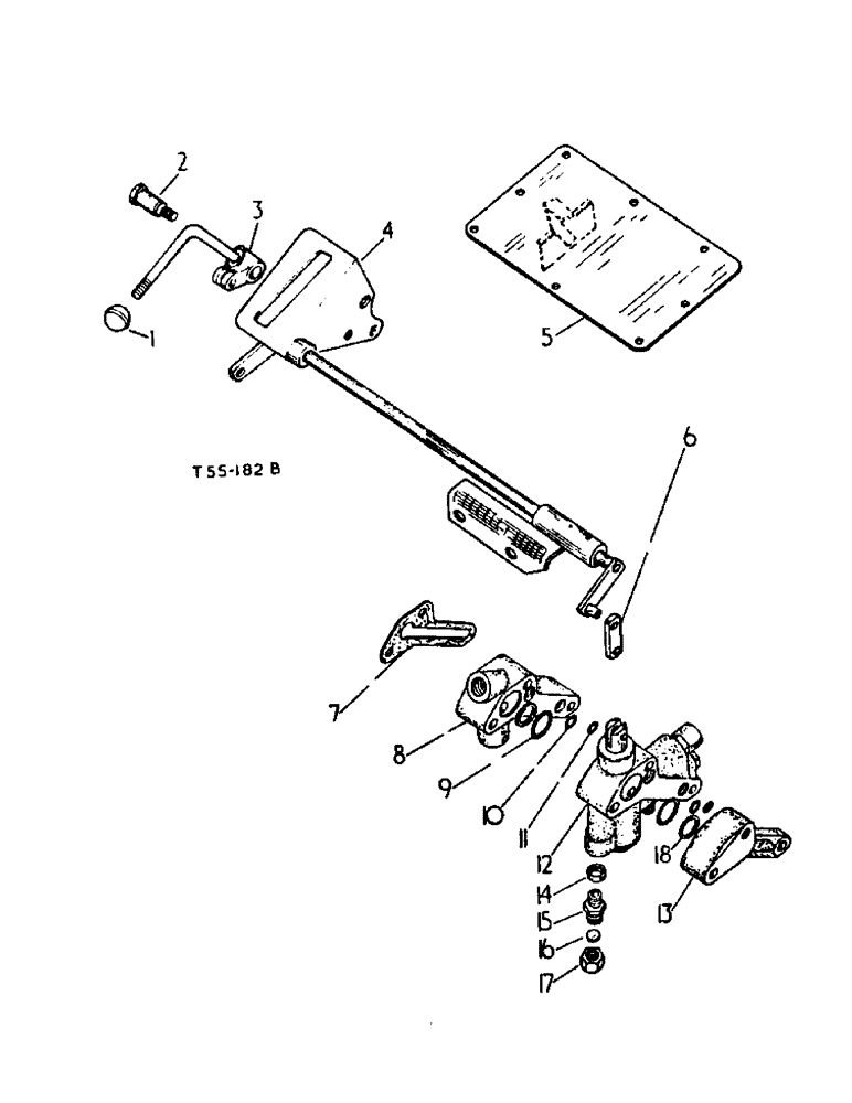
1

371602R1

KNOB

1шт.

2

3067252R1

SPINDLE, control lever (A.C.)

1шт.

180123

BOLT,Hex, 3/8" - 16 x 1 1/8", Gr 5, Full Thd

3/8" x 1-1/8" hex hd. (A2, C2)

1шт.

120377

NUT,3/8" - 16, Gr 5

(A.C.) 3/8"-16, G5

1шт.

120382

LOCK WASHER,Helical Spring, 3/8"

WASHER, LOCK, (A3, C3) 3/8"

1шт.

3

3114786R1

LEVER

CPTE., R.H. control

1шт.

3066427R1

PIN

5/16" x 7/8" std. hd.

1шт.

107763

COTTER PIN,1/8" x 5/8"

PIN, SPLIT (COTTER), 1/8" x 5/8"

1шт.

4

3069015R91

SHAFT, assy., cross (A.C.)

1шт.

4

3069016R91

SHAFT

assy., cross (B.D.)

1шт.

179892

BOLT,Hex, 1/2" - 13 x 2 3/4", Gr 5

1/2" x 3-3/4" hex hd.

2шт.

102685

NUT, 3/8" hex (B.D.)

1шт.

103323

LOCK WASHER,1/2"

WASHER, LOCK, 1/2"

2шт.

103321

LOCK WASHER,3/8"

WASHER, LOCK, (B. D.) 3/8"

1шт.

Q1505

WASHER

13/32" x 1" x 16 ga. plain (B.D.)

1шт.

179842

SPACER

BOLT, 3/8 UNC x 1-3/8 hex hd.

2шт.

5

3044366R12

PLATE

top cover welded assy.

1шт.

6

3061040R1

LINK

connecting

1шт.

3063983R1

HEADED PIN,5/16" x 1"

PIN, std. hd. 5/16" x 1"

1шт.

107763

COTTER PIN,1/8" x 5/8"

PIN, SPLIT (COTTER), 1/8" x 5/8"

1шт.

7

3061055R2

GASKET

1шт.

8

3069023R1

BLOCK

adaptor

1шт.

9

380794R1

O-RING,0.139" Thk x 0.984" ID, -214, Cl 6, 90 Duro

1" x 1-1/4" x 1/8"

2шт.

3110297R1

RETAINER

O-ring

2шт.

10

3067183R1

O-RING,0.103" Thk x 0.424" ID, -11, Cl 6, 90 Duro

7/16" x 5/8" x 3/32"

1шт.

11

702788R1

O-RING,0.103" Thk x 0.362" ID, -110, Cl 6, 90 Duro

3/8" x 9/16" x 3/32"

2шт.

12

3069019R92

LOCK VALVE

VALVE, single acting ind. aux. (A.B.)

1шт.

12

3069020R92

CONTROL VALVE

VALVE, double acting aux. (C.D.)

1шт.

13

3069021R1

PLATE

valve cover

1шт.

186289

BOLT,Hex, 3/8" - 16 x 5", Gr 5

3/8" x 5" hex hd. (C2, D2)

1шт.

433114

BOLT,Hex, 3/8" - 16 x 4 1/4", Gr 5

3/8" x 4-1/4" hex hd. (C.D.)

1шт.

103321

LOCK WASHER,3/8"

WASHER, LOCK, (C3, D3) 3/8"

1шт.

413-680

BOLT,Hex, 3/8" - 16 x 5", Gr 5

3/8" x 5" hex hd. (A2, B2) (Cad. or zinc pltd)

1шт.

433115

BOLT,Hex, 3/8" - 16 x 4 1/4", Gr 5

3/8" x 4-1/4" hex hd. (A.B.) (Cad. or zinc pltd)

1шт.

120382

LOCK WASHER,Helical Spring, 3/8"

WASHER, LOCK, (A3, B3) 3/8"

1шт.

14

704743R91

SEALING WASHER

WASHER, Dowty (A.B.)

1шт.

15

702270R2

ADAPTER

ADAPTOR, hose (A.B.)

1шт.

16

703619R1

GASKET

blanking off nut (A.B.)

1шт.

17

703618R1

NUT

blanking off (A.B.)

1шт.

18

3110297R1

RETAINER

O-ring

2шт.

NSS

NOT SOLD SEPARAT

PRESSURE PIPE, (see detail list)

1шт.

3110307R91

O-RING

PACKAGE, O-ring service comprising: (1) O-ring 380794R1, (1) retainer 3110297R1

1шт.

Выбрано товаров: 42