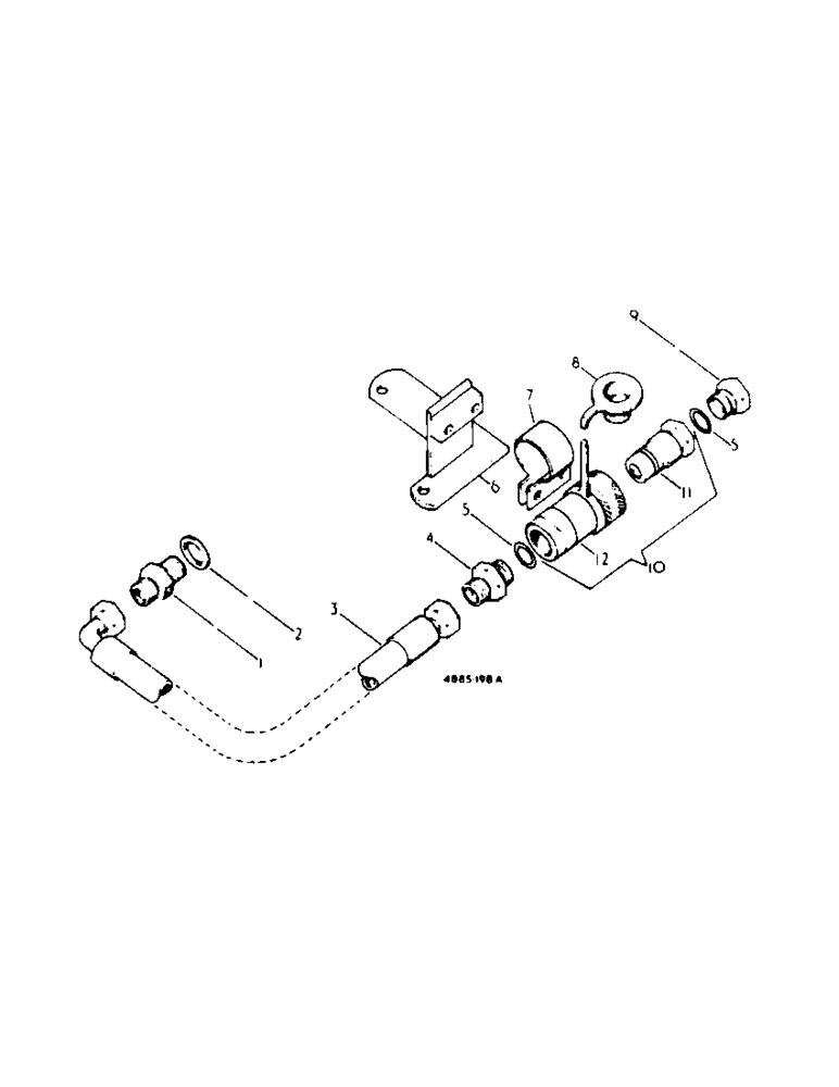
Запчасти Case IH 2300 (5-29) - HYDRAULIC ATTACHMENTS, SELF SEALING COUPLING, SINGLE BREAKAWAY (07) - HYDRAULIC SYSTEM

Схема запчастей Case IH 2300 - (5-29) - HYDRAULIC ATTACHMENTS, SELF SEALING COUPLING, SINGLE BREAKAWAY (07) - HYDRAULIC SYSTEM
11
1
5
9
7
3
12
8
10
6
5
4
2
FIT
1:1
100%

Артикул

Название

Примечание

Количество

3111758R91

ATTACHMENT, self sealing coupling

1шт.

Fitted with Vary Touch, breakaway coupling connected to external tapping

1шт.

1

3072387R1

ADAPTER

ADAPTOR, hose

1шт.

2

704337R1

SEALING WASHER

bonded 1/2 B.S.P.

1шт.

3

3111759R91

HOSE

flexible

1шт.

4

3060799R2

ADAPTER

ADAPTOR, hose

1шт.

5

364885R1

O-RING,0.097" Thk x 0.755" ID, -910, Cl 6, 90 Duro

3/4 x 5/16 x 3/32

2шт.

6

3065078R11

SUPPORT

PLATE, addy coupling support

1шт.

180083

BOLT,Hex, 5/16" - 18 x 1 1/2", Gr 5

hex hd. 5/16 x 1-1/2

2шт.

179843

BOLT,Hex, 3/8" - 16 x 1 1/2", Gr 5

2шт.

9635082

NUT,5/16" - 18, Gr 5

hex 5/16

2шт.

80681

LOCK WASHER,5/16"

WASHER, LOCK, 5/16"

2шт.

7

3114106R1

CLAMP

coupling

1шт.

8

401757R11

PLUG

SEAL, dust, Opt.

1шт.

8

373220R1

PLUG

SEAL, dust, Opt.

1шт.

9

9410360

PLUG

blanking

1шт.

10

3067991R91

BREAKER POINTS

COUPLING, breakaway CPTE. comprising:

1шт.

11

3067992R91

COUPLING, BREAK AWAY

COUPLING, breakaway male half CPTE.

1шт.

12

3067993R91

COUPLING, BREAK AWAY

COUPLING, breakaway female half CPTE.

1шт.

Выбрано товаров: 0