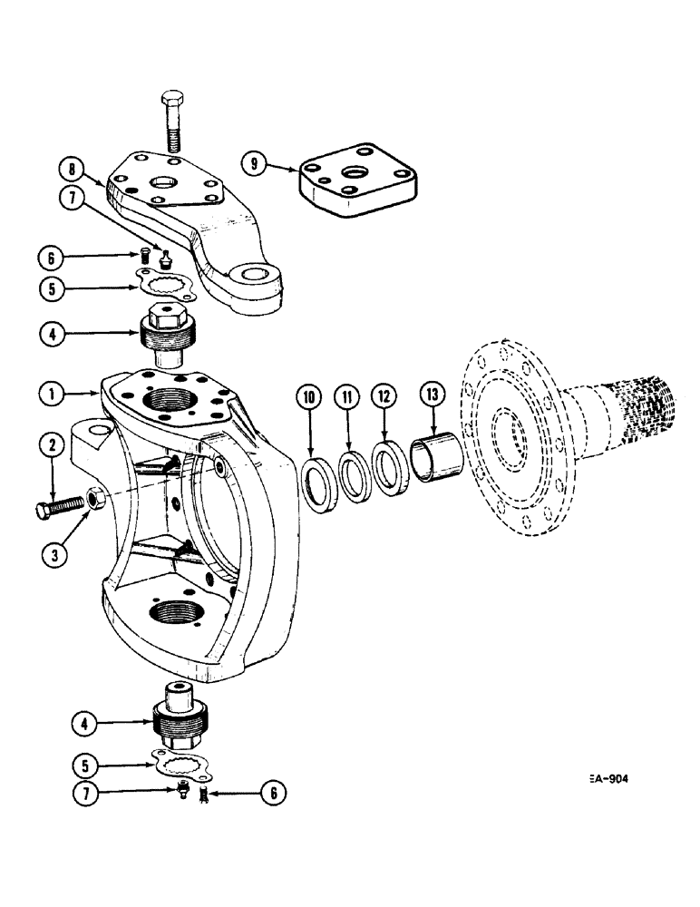
Запчасти Case IH 248 (6-530) - STEERING KNUCKLE - 4 WHEEL DRIVE, 258, 585 (06) - POWER TRAIN

Схема запчастей Case IH 248 - (6-530) - STEERING KNUCKLE - 4 WHEEL DRIVE, 258, 585 (06) - POWER TRAIN
3
5
13
12
6
7
8
2
10
5
4
7
1
4
11
6
9
FIT
1:1
100%

Артикул

Название

Примечание

Количество

1

3230955R1

HOUSING

right

1шт.

1

3230954R1

HOUSING

left

1шт.

2

3134225R1

BOLT

BOLT

4шт.

3

934652R1

THIN NUT,Thin, M12 x 1.5, Cl 05

4шт.

4

3216588R1

LARGE PIN

PIN, LARGE

4шт.

5

3216589R1

PLATE, LOCKING

4шт.

6

930107R1

BOLT,Hex, M6 x 1 x 10mm, Cl 8.8, Full Thd

8шт.

7

not used

1шт.

8

1502271C1

STRAP

ARM left

1шт.

3229114R1

LOCK BOLT

4шт.

9

3230953R1

COVER

right

1шт.

280264

BOLT,Hex, M14 x 50mm, Cl 8.8

4шт.

10

3226008R1

HOLDER

RETAINER

4шт.

11

3226009R1

SEALING RING

4шт.

12

3226006R1

OIL SEAL

4шт.

13

3216585R1

BUSHING,28mm ID x 32mm OD x 30mm L

4шт.

Выбрано товаров: 16