Запчасти Case IH 248 (6-532) - HUB CARRIER PLANETARY DRIVE - 4 WHEEL DRIVE, FOR AXLE "ZF", 258, 585 (06) - POWER TRAIN

Схема запчастей Case IH 248 - (6-532) - HUB CARRIER PLANETARY DRIVE - 4 WHEEL DRIVE, FOR AXLE "ZF", 258, 585 (06) - POWER TRAIN
27
7
24
19
33
5
31
12
15
11
4
1
18
3
13
26
29
10
23
14
25
8
30
22
30
9
28
2
6
30
20
16
32
17
21
31
29
FIT
1:1
100%

Артикул

Название

Примечание

Количество

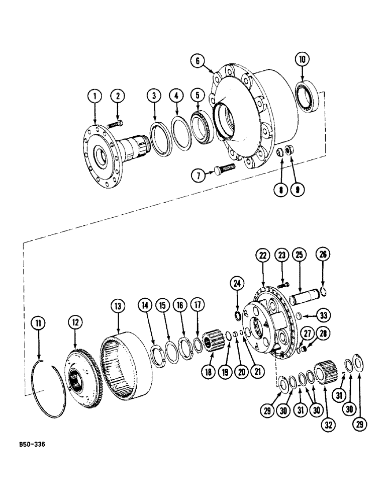
1

1502272C1

HUB CARRIER

1шт.

2

934654R1

BOLT,Hex, M12 x 1.75 x 25mm, Cl 10.9, Full Thd

24шт.

3

3216594R1

OIL SEAL

2шт.

4

3216593R1

WASHER

WASHER

2шт.

5

3230271R1

BEARING

inner

2шт.

6

3230280R1

HUB

2шт.

7

3230876R1

BOLT,Wheel, Serr, M18 x 1.5 x 61 mm

16шт.

8

712824R1

LOCK WASHER,M18.5, Spring

16шт.

9

933800R1

NUT

16шт.

10

533727R1

BEARING, CUP

2шт.

10

533726R1

TAPERED BEARING

2шт.

11

3146675R1

RING, SNAP

RING SNAP retaining

2шт.

12

3230266R1

RING CARRIER

72 T

2шт.

13

3230267R1

GEAR, RING

RING, GEAR 72 T

2шт.

14

3230269R1

NUT

2шт.

15

3230270R1

DISC

RING lock

2шт.

16

3230269R1

NUT

2шт.

17

not used

1шт.

18

3230265R1

GEAR

18 T

2шт.

19

933074R1

SNAP RING,M28, Ext

retaining

2шт.

20

3147209R2

PLUG

thrust

2шт.

21

3147212R1

WASHER

SHIM, 0.30 mm

2шт.

3147211R1

WASHER

SHIM, 0.50 mm

2шт.

3147210R1

SHIM

1.00 mm

2шт.

22

3230259R1

PINION CARRIER

GEAR CARRIER

2шт.

23

930294R1

BOLT,Hex, M8 x 1.25 x 30mm, Cl 8.8, Full Thd

54шт.

932840R1

LOCK PIN,M8 x 26, Slotted

roll, 8 x 26 mm

8шт.

932742R1

LOCK PIN,M5 x 26, Slotted

5 x 26 mm

8шт.

24

717072R1

SNAP RING,M22, Ext

retaining

6шт.

25

3230260R1

SHAFT

6шт.

26

933255R1

CIRCLIP,Ext, M20.2

retaining

6шт.

27

933709R1

PACKING RING

24 mm

2шт.

28

934651R1

PLUG,Hex Soc, M18 x 1.5

2шт.

28

933718R1

PLUG,Hex, M24 x 1.5

2шт.

29

3146668R1

THRUST WASHER

12шт.

30

3146667R1

WASHER

12шт.

31

3230262R1

NEEDLE BEARING

1шт.

32

3230261R1

GEAR

26 T

6шт.

33

933565R1

PLUG,M14, Conical

2шт.

Выбрано товаров: 39