Запчасти Case IH 248 (6-568) - DIFFERENTIAL - 4 WHEEL DRIVE, 485 (06) - POWER TRAIN

Схема запчастей Case IH 248 - (6-568) - DIFFERENTIAL - 4 WHEEL DRIVE, 485 (06) - POWER TRAIN
2
6
6
1
5
11
5
4
9
3
4
7
8
10
FIT
1:1
100%

Артикул

Название

Примечание

Количество

81399C91

DIFFERENTIAL

SPARE PART APL 330, consists of: Ref. 1thru 10

1шт.

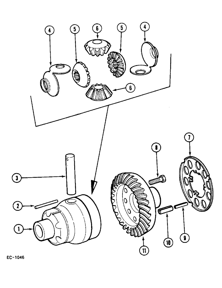
1

81400C1

HOUSING

CASE

1шт.

2

932183R1

LOCK PIN,M5 x 50, Slotted

5 x 50 mm

1шт.

3

81252C1

AXLE DIFFERENTIAL

PIN

1шт.

4

81402C1

THRUST WASHER

2шт.

5

81401C1

CONE PINION

GEAR

2шт.

6

81403C1

CONE PINION

GEAR

2шт.

7

81253C1

PLATE

locking

1шт.

8

931369R1

BOLT,Hex, M10 x 1.5 x 28mm, Cl 10.9, Full Thd

BOLT

10шт.

9

932671R1

LOCK PIN,M6 x 30, Slotted

5шт.

10

Q2948

LOCK PIN,M10 x 30, Slotted

5шт.

11

81365C1

GEAR SET

see drive assembly 4 wheel drive

1шт.

Выбрано товаров: 12