Запчасти Case IH 248 (6-570) - AXLE HOUSING - 4 WHEEL DRIVE, 248, 485, 585 (06) - POWER TRAIN

Схема запчастей Case IH 248 - (6-570) - AXLE HOUSING - 4 WHEEL DRIVE, 248, 485, 585 (06) - POWER TRAIN
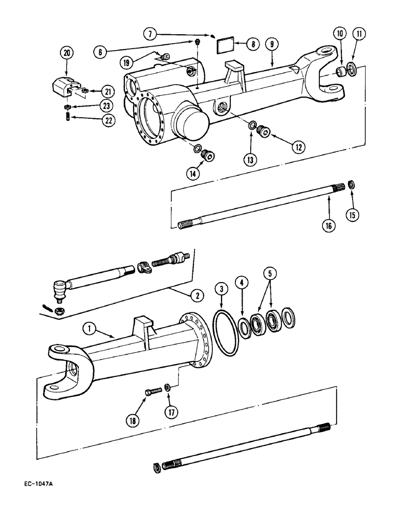
21
5
11
7
2
15
4
9
3
14
1
13
12
16
6
8
18
17
22
20
19
10
23
FIT
1:1
100%

Артикул

Название

Примечание

Количество

81449C91

HOUSING ASSY.

APL 325, consists of: Ref. 1A, 2 thru 8, 9A - 11A, 12-14, 15A, 16A and 17, model 485 and 585 tractor

1шт.

81443C91

HOUSING ASSY.

APL 330, consists of: Ref. 1A, 2 thru 8, 9A - 11A, 12-14, 15A, 16A and 17, model 248 and 585 tractor

1шт.

81404C91

HOUSING ASSY.

SPARE PART APL 330, consists of: Ref. 1A, 2 thru 8, 9A - 11A, 12-14, 15A, 16A and 17, model 485 tractor

1шт.

81254C91

HOUSING

APL 335, consists of: Ref. 1B, 2 thru 8, 9B - 11B, 12-14, 15B, 16B and 17, model 248 tractor

1шт.

1(a)

81407C1

CASE

HOUSING, APL 325, 330

1шт.

1(b)

81256C1

HOUSING

APL 335, model 248 tractor

1шт.

2

81289C1

DRAG LINK

ROD tie

2шт.

1968463C1

BALL JOINT

2шт.

1968464C1

TIE-ROD

TIE ROD JOINT ball

2шт.

1968465C1

NUT

2шт.

1968466C1

PIN, SPLIT (COTTER)

PIN, COTTER

2шт.

1968467C1

HOSE CLAMP

2шт.

3

81279C1

O-RING,3mm Thk x 156mm ID, 80 Duro

1шт.

4

81257C1

DISC

0.60 mm

1шт.

81258C1

DISC

0.70 mm

1шт.

81259C1

DISC

0.80 mm

1шт.

81260C1

SHIM

0.90 mm

1шт.

81261C1

SHIM

1.00 mm

1шт.

81262C1

SHIM

1.10 mm

1шт.

81263C1

DISC

1.20 mm

1шт.

81264C1

DISC

1.30 mm

1шт.

81265C1

DISC

1.40 mm

1шт.

81266C1

DISC

1.50 mm

1шт.

81267C1

DISC

1.60 mm

1шт.

81268C1

DISC

1.80 mm

1шт.

81269C1

SHIM

0.50 mm

1шт.

81270C1

DISC

0.75 mm

1шт.

81271C1

DISC

0.85 mm

1шт.

81272C1

DISC

0.95 mm

1шт.

81273C1

SHIM

1.05 mm

1шт.

81274C1

DISC

1.15 mm

1шт.

81275C1

DISC

1.25 mm

1шт.

81276C1

DISC

1.35 mm

1шт.

5

81277C1

RACE

CUP bearing

2шт.

81278C1

RACE

CONE bearing

2шт.

6

898138H1

BREATHER

1шт.

7

932658R1

GROOVED PIN,Rd Hd, M3 x 5

4шт.

8

81282C1

NAMEPLATE

PRODUCT graphic

1шт.

9(a)

81406C1

HOUSING ASSY.

APL 325, 330

1шт.

9(b)

81255C1

HOUSING

APL 335, model 248 tractor

1шт.

10(a)

81410C1

BUSHING

SLEEVE, APL 325, 330

2шт.

10(b)

81287C1

SLEEVE

APL 335, model 248 tractor

2шт.

11(a)

81411C1

SEAL ASSY.

APL 325, 330

2шт.

11(b)

81288C1

SEAL

APL 335, model 248 tractor

2шт.

12

905476R1

PLUG

M36

1шт.

13

81284C1

O-RING,2.2mm Thk x 33mm ID

2шт.

14

81283C1

PLUG

M36

1шт.

15(a)

81409C1

RING, SNAP

RING SNAP retaining, APL 325, 330

2шт.

15(b)

81286C1

SNAP RING

retaining, APL 335, model 248 tractor

2шт.

16(a)

81408C1

SHAFT

APL 325, 330

2шт.

16(b)

81285C1

SHAFT

APL 335, model 248 tractor

2шт.

17

3222147R1

DISC

WASHER, model 248 and 485tractor

16шт.

18(a)

931638R1

BOLT,Hex, M14 x 2 x 45mm, Cl 10.9, Full Thd

BOLT, APL 325, 330, M14 x 45 mm

16шт.

18(b)

81280C1

SCREW,Oval, 1/4" - 20

BOLT, APL 335, M14 x 50 mm, model 248 tractor

16шт.

19

933679R1

PLUG,Hex Soc, M10 x 1, Pipe

M10

1шт.

20

99775C1

STOP

2шт.

21

99779C1

SQUARE NUT

2шт.

22

102436

SET SCREW,Sq Hd, 1/4"-20 x 1 1/2"

2шт.

23

120375

NUT,Hex, 1/4" - 20, Gr 5

2шт.

Выбрано товаров: 59