Запчасти Case IH 248 (6-588) - HUB PLANETARY DRIVE - 4 WHEEL DRIVE APL 335HD, 258: 18001- (06) - POWER TRAIN

Схема запчастей Case IH 248 - (6-588) - HUB PLANETARY DRIVE - 4 WHEEL DRIVE APL 335HD, 258: 18001- (06) - POWER TRAIN
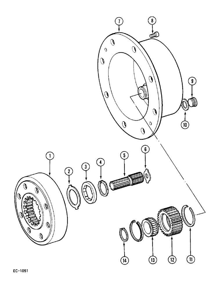
3
5
13
7
11
14
10
1
8
12
4
6
9
2
FIT
1:1
100%

Артикул

Название

Примечание

Количество

81318C91

DRIVE

APL 335, consists of: Ref. 1 thru 14

1шт.

1

81319C1

GEAR, RING

RING, GEAR

2шт.

2

81322C1

THRUST WASHER

thrust

2шт.

3

81321C1

THRUST WASHER

thrust

2шт.

4

81323C1

RING

retaining

2шт.

5

81320C1

SHAFT

2шт.

6

81328C1

THRUST WASHER

1.5 mm

2шт.

81329C1

THRUST WASHER

2.0 mm

2шт.

81330C1

THRUST WASHER

2.5 mm

2шт.

81331C1

THRUST WASHER

1.0 mm

2шт.

81332C1

THRUST WASHER

1.7 mm

2шт.

81333C1

THRUST WASHER

2.2 mm

2шт.

7

81324C1

HOUSING

CARRIER gears

2шт.

8

81334C1

HEX SOC SCREW,M10 x 20mm

4шт.

9

933799R1

PLUG,Hex Soc, M24 x 1.5

2шт.

10

A52097

O-RING,2mm Thk x 21mm ID

2шт.

11

81327C1

RING

12шт.

12

81325C1

GEAR

6шт.

13

81326C1

BEARING, ROLLER,36mm ID x 56.3mm OD x 20mm W

6шт.

14

933086R1

SNAP RING,M30, Ext

Retaining

6шт.

Выбрано товаров: 20