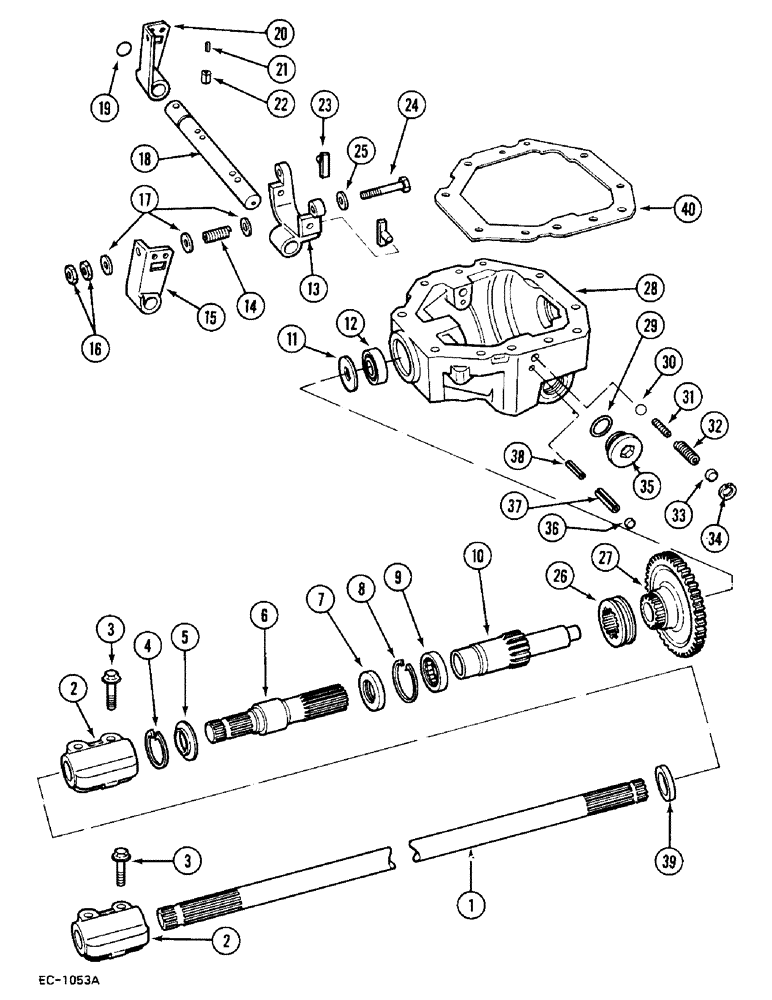
Запчасти Case IH 248 (6-602) - TRANSFER GEARBOX - 4 WHEEL DRIVE, APL 330 (06) - POWER TRAIN

Схема запчастей Case IH 248 - (6-602) - TRANSFER GEARBOX - 4 WHEEL DRIVE, APL 330 (06) - POWER TRAIN
10
30
19
12
20
35
5
17
2
4
22
13
33
27
28
25
36
15
6
8
2
39
18
21
9
40
38
11
24
3
37
7
34
26
32
14
16
31
3
23
29
1
FIT
1:1
100%

Артикул

Название

Примечание

Количество

82357C91

HOUSING

ASSEMBLY, APL 330, consists of: Ref. 1 thru 39

1шт.

141284

PIN,25.4mm OD x 31.75mm L

2шт.

25658R1

BOLT,Hex, 1/2" - 13 x 4 1/4", Gr 8

2шт.

25285R1

BOLT,Hex, 1/2" - 13 x 3 1/4", Gr 8

4шт.

24864R1

BOLT,Hex, 1/2" - 13 x 2", Gr 8

3шт.

26273R1

WASHER

7шт.

1

1335029C1

DRIVE SHAFT

model 485 tractor

1шт.

1

1335030C1

DRIVE SHAFT

model 258 and 585 tractor

1шт.

2

90031C2

SPLINED COUPLING,21T

2шт.

3

90088C1

BOLT,M12 x 1.5 x 47mm, Cl 12.9

BOLT

4шт.

4

934443R1

SNAP RING,M58, Int

retaining

1шт.

5

81087C1

RING, SNAP

RING SNAP RETAINER

1шт.

6

81158C1

SHAFT

1шт.

7

81086C1

OIL SEAL

oil

1шт.

8

933237R1

SNAP RING,M55, Int

RING retaining

1шт.

9

81093C1

BEARING, ROLLER

1шт.

10

81091C1

SHAFT

1шт.

11

81089C1

THRUST WASHER

1шт.

12

81088C1

BEARING, ROLLER

1шт.

13

81161C1

BOW

BRACKET

1шт.

14

81166C1

COIL SPRING

2шт.

15

81160C1

LEVER

left

1шт.

16

933681R1

THIN NUT,Thin, M10 x 1.5, Cl 04

4шт.

17

933133R1

WASHER,M10.5 ID x 20 OD x 2 Thk

10 mm

6шт.

18

81163C1

SHAFT

1шт.

19

81167C1

O-RING,17.3mm ID x 2.4mm Width

1шт.

20

81159C1

LEVER

right

1шт.

21

717020R1

LOCK PIN,M5 x 18, Slotted

4шт.

22

81169C1

PIN

roll

4шт.

23

81162C1

PLUG

2шт.

24

931713R1

BOLT,Hex, M10 x 1.5 x 75mm, Cl 8.8

2шт.

25

933133R1

WASHER,M10.5 ID x 20 OD x 2 Thk

10 mm

2шт.

26

81092C1

RING

SLEEVE

1шт.

27

81090C1

GEAR

1шт.

28

81085C1

CASE

HOUSING

1шт.

29

81168C1

O-RING,2.65mm Thk x 32.5mm ID, Cl 5, 75 Duro

1шт.

30

933975R1

BALL,14mm Dia

2шт.

31

81165C1

SPRING

2шт.

32

81164C1

SPRING

2шт.

33

PLUG

2шт.

34

933687R1

SNAP RING,M15, Int

RETAINER

2шт.

35

905476R1

PLUG

M36

1шт.

36

933536R1

PLUG,M10, Conical

2шт.

37

Q2935

LOCK PIN,M8 x 45, Slotted

2шт.

38

932238R1

LOCK PIN,M5 x 45, Slotted

2шт.

39

82235C91

BEARING, BALL,30 mm ID x 62 mm OD x 16 mm

for use with P/N 90027C1 and 90029C1

1шт.

39

82236C91

BEARING ASSY

ASSEMBLY, for use with P/N 1335029C1 and 1335030C1

1шт.

40

82632C2

GASKET

1шт.

Выбрано товаров: 48