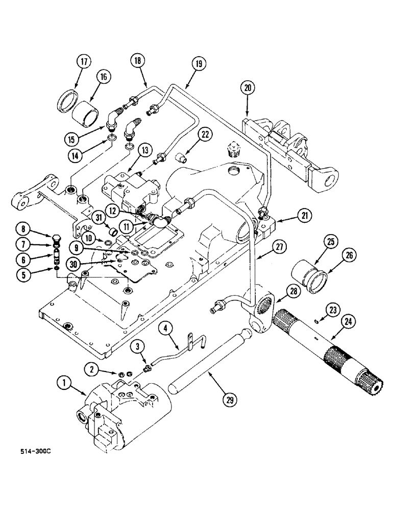
Запчасти Case IH 248 (8-690) - DRAFT CONTROL (08) - HYDRAULICS

Схема запчастей Case IH 248 - (8-690) - DRAFT CONTROL (08) - HYDRAULICS
15
10
5
27
24
30
17
13
6
3
18
22
23
7
11
1
28
19
9
4
8
25
16
29
20
14
21
31
12
2
26
FIT
1:1
100%

Артикул

Название

Примечание

Количество

1

399885R11

CYLINDER ASSY.

see draft control cylinder and valve

1шт.

179884

BOLT,Hex, 1/2" - 13 x 1 3/8", Gr 5, Full Thd

BOLT, 1/2 x 1-3/8 inch

3шт.

400000R1

SEALING WASHER

3шт.

2

377952R1

O-RING,0.103" Thk x 0.549" ID, -113, Cl 6, 90 Duro

cylinder to hydraulic housing

2шт.

3

222-504

TUBE NUT,9/16"-20

1шт.

700153R11

NUT

optional

1шт.

4

60652C1

TUBE ASSY.

1шт.

179816

BOLT,Hex, 5/16" - 18 x 3/4", Gr 5

3шт.

5

702788R1

O-RING,0.103" Thk x 0.362" ID, -110, Cl 6, 90 Duro

1шт.

6

400095R92

VALVE, CUSHION

1шт.

7

570828R1

O-RING,0.087" Thk x 0.644" ID, -908, Cl 6, 90 Duro

1шт.

8

536855R1

PLUG

1шт.

9

377952R1

O-RING,0.103" Thk x 0.549" ID, -113, Cl 6, 90 Duro

2шт.

10

21433R1

O-RING,0.103" Thk x 0.674" ID, -115, Cl 6, 90 Duro

1шт.

11

9410978

ELBOW,90 Degree, 7/8"-14, 37 Degree x 7/8"-14, O-Ring

90°

1шт.

12

364885R1

O-RING,0.097" Thk x 0.755" ID, -910, Cl 6, 90 Duro

1шт.

13

59098C93

VALVE

ASSEMBLY, see unloading and flow control valve

1шт.

179841

BOLT,Hex, 3/8" - 16 x 1 1/4", Gr 5

2шт.

179848

BOLT,Hex, 3/8" - 16 x 2 1/4", Gr 5

2шт.

103321

LOCK WASHER,3/8"

4шт.

14

570828R1

O-RING,0.087" Thk x 0.644" ID, -908, Cl 6, 90 Duro

2шт.

15

9410977

ELBOW,90 Degree, 3/4"-16, 37 Degree x 3/4"-16, O-Ring

90°

2шт.

16

399992R1

BUSHING

right

1шт.

16

1500447C1

BUSHING

right, oversize

1шт.

17

380771R91

SEAL

oil-seal

1шт.

17

380770R91

OIL SEAL

1шт.

17

530096R92

OIL SEAL

optional

1шт.

18(a)

66759C1

TUBE ASSY.

1шт.

18(b)

3129774R2

PIPE

1шт.

19(a)

1500296C1

TUBE,0.5" OD, 475.5, 75 mm Length

1шт.

19(b)

1289959C2

PIPE

1шт.

1956708C1

SLEEVE

2шт.

20

527229R91

SUPPORT

SPRING ASSEMBLY

1шт.

21047R1

HEX SOC SCREW,5/8"-11 x 1 3/4"

5/16 x 1-3/4 inch

4шт.

109041C1

SCREW

5/16 x 1-3/4 inch, optional

4шт.

19842R1

DOWEL,5/16" x 1/2"

5/16 x 1/2 inch

1шт.

21

406003R32

HOUSING ASSY.

1шт.

531143R2

STUD

long

2шт.

531144R1

STUD

short

2шт.

120377

NUT,3/8" - 16, Gr 5

4шт.

120382

LOCK WASHER,Helical Spring, 3/8"

4шт.

22

399993R1

BUSHING

1шт.

23

376057R1

BUCKET TOOTH KEY

1шт.

24

400049R2

SHAFT

rock, hydr.

1шт.

537126R2

PLATE

2шт.

271560

PANEL,Hex, 5/8" - 11 x 1 3/4", Gr 5

2шт.

25

527749R1

BUSHING,63.52mm ID x 66.67mm OD x 50.8mm L

left

1шт.

25

1500532C1

BUSHING

left, oversize

1шт.

26

380212R91

OIL SEAL

1шт.

26

530095R91

SEAL

oil-seal, optional

1шт.

27

3129243R2

PIPE

TUBE ASSEMBLY

1шт.

28

400053R3

LEVER

1шт.

376069R1

SET SCREW

1шт.

441015R1

LOCK PIN,5/16" x 2 1/4", Slotted

1шт.

29

400054R2

ROD

1шт.

30

59099C1

O-RING,2.39mm Thk x 6.6mm ID

1шт.

31

376011R1

BUSHING

1шт.

1956708C1

SLEEVE

2шт.

Выбрано товаров: 58