Запчасти Case IH 248 (9-794) - AUTOMATIC HITCH (09) - CHASSIS

Схема запчастей Case IH 248 - (9-794) - AUTOMATIC HITCH (09) - CHASSIS
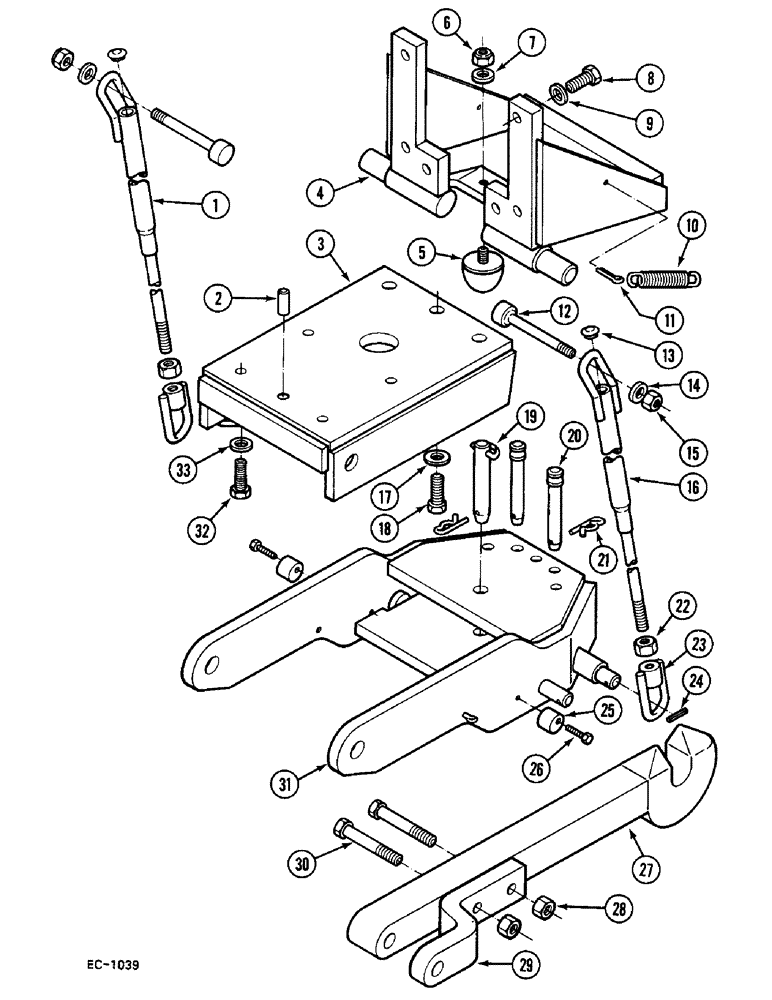
3
30
9
22
10
2
17
7
20
28
31
6
21
23
4
25
24
1
16
19
15
12
8
13
18
5
29
26
33
27
11
14
32
FIT
1:1
100%

Артикул

Название

Примечание

Количество

1

90153C5

ROD

right

1шт.

2

19846R1

DOWEL,1/2" x 1 1/4"

1/2 x 1-1/4 inch

1шт.

3

90051C2

BRACKET

1шт.

4

90045C2

BRACKET

1шт.

5

1500608C1

SHOCK ABSORBER

STOP

1шт.

6

905262R1

NUT,M10 x 1.5, Cl 10

M10

1шт.

7

933965R1

LOCK WASHER,M10

1шт.

8

24875R1

BOLT,Hex, 5/8" - 11 x 2", Gr 8

6шт.

9

25547R1

WASHER,21/32" x 1 5/16" x .188", HDN

6шт.

10

1332053C1

SPRING

2шт.

11

32-2024

COTTER PIN,5/16" x 1 1/2"

2шт.

12

89631C2

BOLT

PIN

2шт.

13

not used

1шт.

14

25547R1

WASHER,21/32" x 1 5/16" x .188", HDN

2шт.

15

752904R1

NUT

5/8 inch

2шт.

16

90154C5

ROD

left

1шт.

17

25547R1

WASHER,21/32" x 1 5/16" x .188", HDN

3шт.

18

271560

PANEL,Hex, 5/8" - 11 x 1 3/4", Gr 5

3шт.

19

1331990C1

PIN

1шт.

20

90075C2

PIN

2шт.

21

520175R1

CLIP

PIN

3шт.

22

102639

NUT,5/8"-11, G5

2шт.

23

90042C1

ROD

YOKE

2шт.

24

19355R1

LOCK PIN,3/16" x 2", Slotted

2шт.

25

1331852C1

BLOCK

STOP

2шт.

26

30042R1

BOLT,Hex, M12 x 1.75 x 30mm, Cl 10.9, Full Thd

BOLT, M12 x 30 mm

2шт.

27

90058C2

DRAWBAR

1шт.

90056C1

SWINGING DRAWBAR

optional

1шт.

28

102639

NUT,5/8"-11, G5

2шт.

29

90077C1

CLEVIS

1шт.

30

413-1060

BOLT,Hex, 5/8" - 11 x 3-3/4", Gr 5

5/8 x 3/4 inch, Course Threads

2шт.

31

90032C3

SUPPORT

BRACKET

1шт.

32

24862R1

BOLT,Hex, 1/2" - 13 x 1 1/2", Gr 8

BOLT, 5/8 x 1-3/4 inch

4шт.

33

3061325R1

WASHER

4шт.

Выбрано товаров: 34