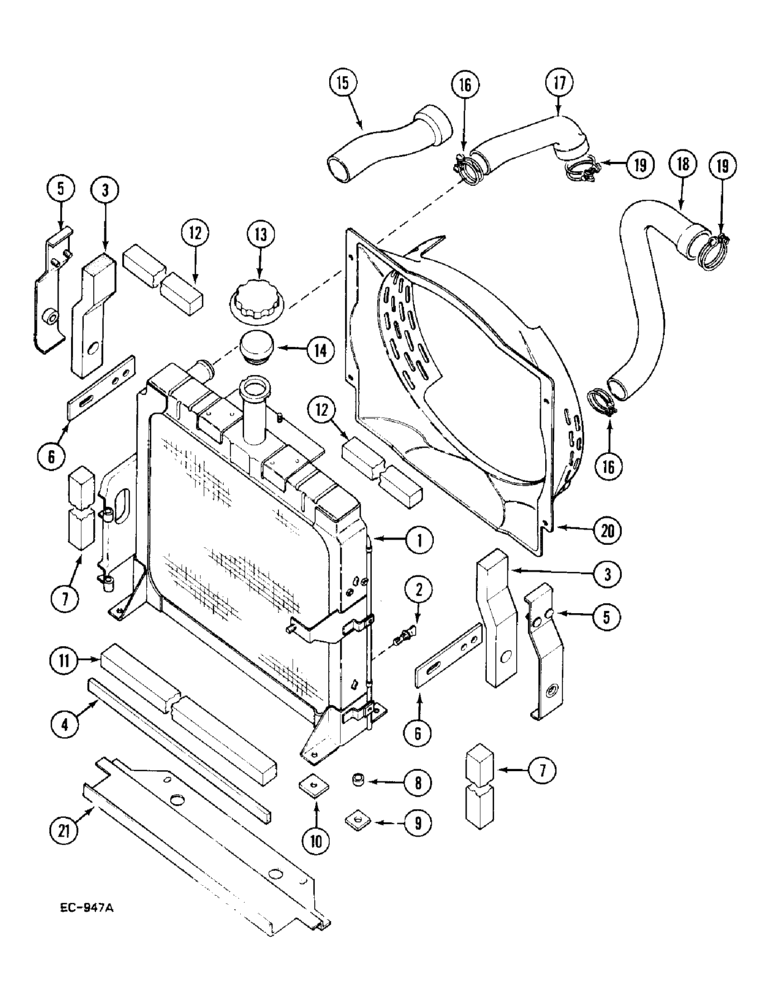
Запчасти Case IH 248 (2-016) - RADIATOR AND CONNECTIONS (02) - ENGINE

Схема запчастей Case IH 248 - (2-016) - RADIATOR AND CONNECTIONS (02) - ENGINE
16
13
9
10
7
2
5
12
11
21
14
15
8
6
7
5
12
18
1
20
19
6
19
3
4
16
17
3
FIT
1:1
100%

Артикул

Название

Примечание

Количество

1

84524C93

RADIATOR

1шт.

180124

BOLT,Hex, 3/8" - 16 x 1 1/4", Gr 5

3/8 x 1-1/4 inch

4шт.

120382

LOCK WASHER,Helical Spring, 3/8"

4шт.

129-419

WING NUT,5/16"-18

1шт.

95-11041

WASHER,3/8"

4шт.

120377

NUT,3/8" - 16, Gr 5

2шт.

(a)

1970646C1

RADIATOR

model 258 and 585 tractor

1шт.

2

3113083R1

PLUG, DRAIN

VALVE

1шт.

3

98934

BRACKET

STRIP filling, bulk length

2шт.

4

STRIP filling

1шт.

5

98907C1

GUARD

SHIELD

2шт.

86505867

BOLT,Hex, 1/4" - 20 x 1", Gr 5

2шт.

95-11028

WASHER,1/4"

2шт.

6

94313C1

STRAP

SUPPORT, models 258, 285 tractor

2шт.

6

98905C1

BRACKET

SUPPORT, models 248, 385, 485 tractor

2шт.

120394

WASHER,3/8", SAE

SUPPORT, modes 248, 385, 485 tractor

2шт.

9411655

LOCK NUT,3/8"-16, GB

2шт.

6(a)

99996C2

STRAP

SUPPORT, models 258 and 585 tractor

2шт.

30175R1

WASHER,M8 x 17.5 x 2, HT

Model 258 and 585 tractor

2шт.

30382R1

NUT,M8 x 1.25, Cl 10

Model 248 and 585 tractor

2шт.

7

73217C1

FILLING STRIP

bulk length, 1220 mm

1шт.

8

99427C1

SPACER

BUSHING

4шт.

95-11041

WASHER,3/8"

4шт.

9

84525C1

SPACER

2шт.

10

47240D

PAD

4шт.

11

537162R1

FILLING STRIP

1шт.

12

73217C1

FILLING STRIP

bulk length, 1220 mm

1шт.

13

532674R1

PLUG

COVER

1шт.

14

1500626C91

PLUG

CAP ASSEMBLY, with Ref. 13

1шт.

15

1502065C1

RADIATOR HOSE,1.50" ID, 2.00" ID x 8.98"

Inlet, Models 248, 385, 485 Tractor

1шт.

16

705935R91

HOSE CLAMP

2шт.

16

39149H

HOSE CLAMP

optional

2шт.

17

402207R1

LARGE HOSE,50.80 mm ID x 179.83 mm, SAE 20R2

HOSE,LARGE Inlet, Models 258 and 585 Tractor

1шт.

17

402207R1GV

RADIATOR HOSE

Value, Radiator Hose

1шт.

18

402189R1

LARGE HOSE,1.50" ID, 2.00" ID x 10.39", SAE 20R2

HOSE,LARGE Models 248, 385, 485 tractor

1шт.

18

402205R1

LARGE HOSE,50.80 mm ID x 213.90 mm, SAE 100R2

HOSE,LARGE Outlet, For Modelsl 258 and 585 Tractor

1шт.

18

402205R1GV

RADIATOR HOSE

Value, Radiator Hose

1шт.

19

706082R91

CLAMP

CLAMP hose

2шт.

19

39205H

CLAMP

CLAMP hose, optional

2шт.

20

527475R2

HOUSING

1шт.

179791

BOLT,Hex, 1/4" - 20 x 1/2", Gr 5

4шт.

95-11028

WASHER,1/4"

4шт.

21

98957C1

BAFFLE

1шт.

Выбрано товаров: 43