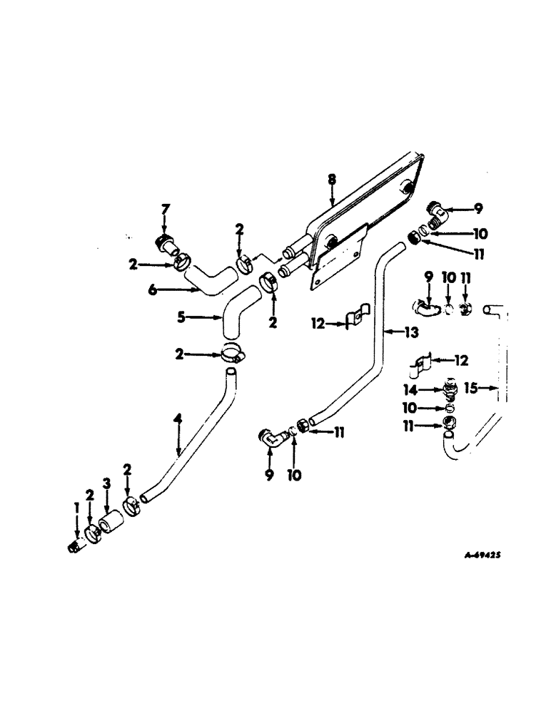
Запчасти Case IH 2504 (071) - COOLING SYSTEM, DIESEL ENGINE OIL COOLER, SERIAL NO. D188501 TO 4450 COOLING SYSTEM

Схема запчастей Case IH 2504 - (071) - COOLING SYSTEM, DIESEL ENGINE OIL COOLER, SERIAL NO. D188501 TO 4450 COOLING SYSTEM
3
6
5
8
10
4
2
2
15
2
10
12
11
9
9
12
7
2
10
2
9
14
1
11
10
11
11
13
2
FIT
1:1
100%

Артикул

Название

Примечание

Количество

1

379163R1

NIPPLE, radiator outlet elbow

1шт.

2

274085R91

HOSE CLAMP,#10, 0.56/1.06 Type F Worm

CLAMP, hose

6шт.

3

379164R1

HOSE, oil cooler pipe to outlet elbow nipple

1шт.

4

379165R1

PIPE, oil cooler to radiator outlet elbow

1шт.

5

381547R1

ELBOW

oil cooler, Serial Range: pipe-cooler

1шт.

6

321879R1

HOSE

oil cooler to cyl head

1шт.

7

318268R1

FITTING, nipple

1шт.

8

338906R91

COOLER ASSY, oil

1шт.

181356

BOLT,Hex, 3/8" - 24 x 5/8", Gr 5

2шт.

103321

LOCK WASHER,3/8"

WASHER, LOCK, 3/8"

2шт.

9

265024R1

ELBOW UNION

ELBOW, oil cooler pipes

3шт.

10

265066R1

O-RING

SLEEVE, oil cooler pipes

4шт.

11

265067R1

NUT

oil cooler pipes

4шт.

12

16518D

CLAMP

oil cooler pipes

2шт.

445353

NUT

10-24 spring

1шт.

110501

SCREW

10-24 x 5/8 slt-rd-hd mach

1шт.

13

323812R1

PIPE, crankcase to oil cooler

1шт.

14

265026R1

HYD CONNECTOR

CONNECTOR, oil cooler to filter pipe

1шт.

15

323813R1

PIPE, oil, Serial Range: cooler-filter

1шт.

Выбрано товаров: 19