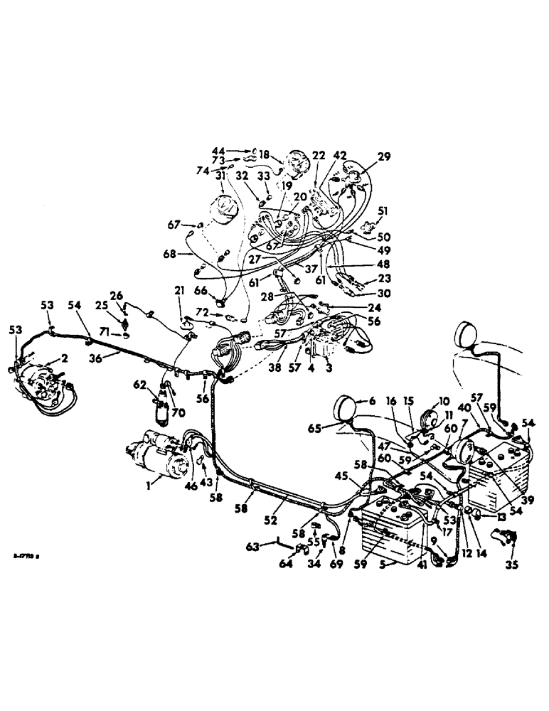
Запчасти Case IH 2544 (G-20) - ELECTRICAL SYSTEM, STARTING AND LIGHTING, INTERNATIONAL DIESEL ENGINE TRACTORS (06) - ELECTRICAL SYSTEMS

Схема запчастей Case IH 2544 - (G-20) - ELECTRICAL SYSTEM, STARTING AND LIGHTING, INTERNATIONAL DIESEL ENGINE TRACTORS (06) - ELECTRICAL SYSTEMS
34
11
51
45
29
18
66
53
54
50
39
65
12
63
61
6
5
35
58
56
31
58
68
67
22
27
54
49
52
2
36
38
8
73
62
28
57
30
74
10
57
58
9
23
15
60
4
64
67
46
57
55
17
13
60
16
69
58
40
3
21
41
53
59
3
54
26
59
3
56
72
54
20
48
43
7
33
19
24
42
59
25
1
7
14
70
32
47
71
53
FIT
1:1
100%

Артикул

Название

Примечание

Количество

1

NSS

NOT SOLD SEPARAT

CRANKING MOTOR, refer to cranking motor listing, this section

1шт.

2

NSS

NOT SOLD SEPARAT

ALTERNATOR GENERATOR, refer to alternator generator and connections listing, this section

1шт.

3

NSS

NOT SOLD SEPARAT

VOLTAGE REGULATOR, refer to alternator generator and connections listing, this section

1шт.

4

1960890

RESISTOR

RESISTANCE UNIT

1шт.

5

IHCM2

BATTERY

low-maintenance 6 volt, gear drive tractors

2шт.

5

IHCH2

WET BATTERY

low-maintenance 6 volt, hydrostatic drive tractors

2шт.

6

402080R91

LIGHT ASSY, head, only serviceable items are sealed beam unit, 535850R1 & retainer, 676078R1

2шт.

7

402079R91

LIGHT

ASSY, combination rear & tail, only serviceable items are sealed beam unit, 394770R1 & retainer, 676078R1

1шт.

8

872291R1

CONNECTOR, ELEC

CONNECTOR, headlight

2шт.

9

266516C1

CONNECTOR, ELEC

CONNECTOR, combination rear light

1шт.

10

394129R91

LIGHT

ASSY, flashing warning, only serviceable items are lamp, 9417866 amber lens, 899280R1, or red lens, 899279R1

1шт.

120371

NUT,1/2"-20, G5

1шт.

493-41052

LOCK WASHER,Ext Tooth, 1/2"

1/2 C-Z ext-tooth lock

1шт.

11

394262R1

WASHER

GASKET, flashing warning light

1шт.

12

394132R91

FLASHER UNIT

FLASHER, warning light

1шт.

13

394133R1

FASTENER

BRACKET, flasher mounting

1шт.

14

394134R1

SEAL

ABSORBER, flasher mounting

1шт.

15

402490R1

BRACKET, flasher warning light

1шт.

179837

BOLT,Hex, 3/8" - 16 x 3/4", Gr 5

2шт.

103321

LOCK WASHER,3/8"

WASHER, LOCK, 3/8"

2шт.

16

363846R1

GROMMET

flasher warning light bracket

1шт.

17

370820R1

CLIP

battery to battery cable

1шт.

18

NSS

NOT SOLD SEPARAT

CLUSTER ASSY, gauge, refer to engine controls and instruments listing, section H

1шт.

19

376856R91

SOCKET

ASSY, oil and amp Tellite

1шт.

20

9412348

BULB,C2B, #257, 14V

LIGHT, no. 257 12 volt

2шт.

21

NSS

NOT SOLD SEPARAT

SENDING UNIT ASSY, electric fuel gauge, refer to fuel tank supports and piping listing, section E

1шт.

22

NSS

NOT SOLD SEPARAT

BLOCK ASSY, junction, refer to engine controls and instruments listing, section H

1шт.

23

NSS

NOT SOLD SEPARAT

SWITCH ASSY, key, refer to engine controls and instruments listing, section H

1шт.

24

NSS

NOT SOLD SEPARAT

SWITCH ASSY, push button, refer to engine controls and instruments listing, section H

1шт.

25

392249R92

SWITCH

engine oil pressure

1шт.

26

384396R1

SPADE TERMINAL,Male

TERMINAL, oil pressure switch

1шт.

27

374342R1

PLUG

horn switch hole button

1шт.

28

432281

HOLE PLUG BUTTON,29/32"

PLUG, cigarette lighter hole button

1шт.

29

NSS

NOT SOLD SEPARAT

SWITCH ASSY, lighting, refer to engine controls and instrument listing, section H

1шт.

30

NSS

NOT SOLD SEPARAT

FUSE HOLDER, refer to engine controls and instruments listing, section H

1шт.

31

NSS

NOT SOLD SEPARAT

SPEEDOMETER-TACHOMETER ASSY, refer to engine controls and instrument listing, section H

1шт.

32

376853R91

SOCKET

ASSY, instrument light

2шт.

33

9417863

BULB,C2F, #1895, 14V

LIGHT, no. 1895 12 volt

4шт.

34

537641R1

SWITCH ASSY

SWITCH, safety starting, will work for 1993536, gear drive tractors

1шт.

365501R1

TERMINAL CONNECTOR

TERMINAL, safety starting switch

2шт.

34

382728R91

SWITCH

safety starting, hydrostatic drive tractors, Serial Range: -16252

1шт.

34

532682R1

SWITCH

neutral starting, hydrostatic drive tractors, Start Serial: 16252

1шт.

35

NSS

NOT SOLD SEPARAT

SOCKET ASSY, electric breakway, refer to electric breakway socket listing, this section

1шт.

36

405297R1

HARNESS

ASSY, main cable, replaces 402077R92

1шт.

399470R1

BOOT

INSULATOR, terminal cover boot

1шт.

37

405285R1

HARNESS

ASSY, panel, replaces 402075R1

1шт.

38

405266R1

HARNESS

ASSY, voltage regulator, replaces 397828R1

1шт.

39

378760R91

CABLE

STRAP ASSY, Serial Range: battery-ground

1шт.

95-11041

WASHER,3/8"

(13/32 x 13/16 x .065) 3/8"

1шт.

40

405286R1

HARNESS ASSY, fender cable, Serial Range: -13426

1шт.

40

406694R1

HARNESS ASSY, fender cable, Start Serial: 13427

1шт.

41

399903R91

CABLE

ASSY, Serial Range: battery-battery

1шт.

42

405222R1

CABLE

ASSY, lighting switch to junction block, replaces 404399R1

1шт.

43

399470R1

BOOT

INSULATOR, terminal cover boot

1шт.

44

432487

HOLE PLUG BUTTON,11/16"

PLUG, C-Z panel button, gear drive tractors, Start Serial: 16789

1шт.

45

383619R1

COVER

battery terminal, large

1шт.

46

364910R1

BOOT

COVER, battery terminal, large

1шт.

47

405226R1

CABLE ASSY, flashing warning light, replaces 403296R1

1шт.

48

404419R1

CABLE ASSY, fuse to light switch

1шт.

49

405224R1

CABLE ASSY, ether push button switch to multiple connector, replaces 402073R1

1шт.

50

405225R1

CABLE ASSY, key switch to ether push button, replaces 402074R1

1шт.

51

NSS

NOT SOLD SEPARAT

SWITCH ASSY, ether starting, refe rto ether starting listing section E

1шт.

52

402081R91

CABLE

ASSY, battery to solenoid switch

1шт.

53

363660R1

CLIP

main cable harness

3шт.

54

362126R1

CLIP

on battery tray

3шт.

102635

NUT,3/8"-16, G5

1шт.

179837

BOLT,Hex, 3/8" - 16 x 3/4", Gr 5

1шт.

103321

LOCK WASHER,3/8"

WASHER, LOCK, 3/8"

1шт.

55

362121R1

CLIP

safety switch cable harness, gear drive tractors

1шт.

55

362120R1

CLAMP,9.53mm ID, 10.32mm Bolt Hole, P Type

CLIP, safety switch cable harness, hydrostatic drive tractors

1шт.

56

362666R1

CLIP

LH & RH fender cable

2шт.

109084

NUT,1/4"-20, G5

1шт.

179793

BOLT,Hex, 1/4" - 20 x 5/8", Gr 5, Full Thd

1шт.

103319

LOCK WASHER,1/4"

WASHER, LOCK, 1/4"

1шт.

16558R1

WASHER

17/64 x 5/8 x .036

1шт.

57

362123R1

CLIP

on fuel tank support

3шт.

102635

NUT,3/8"-16, G5

1шт.

179837

BOLT,Hex, 3/8" - 16 x 3/4", Gr 5

1шт.

103321

LOCK WASHER,3/8"

WASHER, LOCK, 3/8"

1шт.

58

362666R1

CLIP

main cable harness & battery cable

4шт.

59

358986R1

CABLE CLIP

CLIP, fender cable harness

3шт.

179879

BOLT,Hex, 1/2" - 13 x 3/4", Gr 5

2шт.

179833

BOLT,Hex, 3/8" - 16 x 1/2", Gr 5, Full Thd

1шт.

103323

LOCK WASHER,1/2"

WASHER, LOCK, 1/2"

2шт.

60

362120R1

CLAMP,9.53mm ID, 10.32mm Bolt Hole, P Type

CLIP, fender harness

2шт.

61

384557R1

CLIP

panel cable harness

2шт.

62

NSS

NOT SOLD SEPARAT

SOLENOID, ether starting, refer to ether starting listing, section E

1шт.

63

379343R1

ARM, safety starting switch control, gear drive tractors

1шт.

64

375473R1

BRACKET, safety starting switch control, gear drive tractors

1шт.

375474R1

NUT, safety starting switch control arm bracket

1шт.

179793

BOLT,Hex, 1/4" - 20 x 5/8", Gr 5, Full Thd

1шт.

64

528209R1

BRACE ASSY, safety starting switch bracket, tractors w/foot operated control

1шт.

404745R2

STRIP, safety starting switch bracket mounting

1шт.

14986R1

BOLT, 5/16 x 1/2 sq-nk crg

2шт.

9635082

NUT,5/16" - 18, Gr 5

5/16-18 hex.

3шт.

372311R1

SCREW, 5/16-18 x 3/4 washer-hd cap

1шт.

65

370307R1

SEAT

light mounting ball

3шт.

495-11053

WASHER,1/2", SAE

17/32 x 1-1/16 x .074 C-Z thick flat

3шт.

120371

NUT,1/2"-20, G5

3шт.

66

399232R91

LIGHT

ASSY, hydrostatic control

1шт.

159341

SCREW,Cross Pan Hd, #6 - 32 x 5/8"

6-32 x 5/8 C-Z cr-rec pan-hd mach

2шт.

446130

WASHER,#8

11/64 x 13/32 x 18 ga C-Z

2шт.

134530

NUT,Hex, #6 - 32

2шт.

120614

NUT,Hex, #10 - 32

NUT, #10-32

2шт.

67

365501R1

TERMINAL CONNECTOR

TERMINAL, hydrostatic control light cable

1шт.

68

404399R1

CABLE ASSY, hydrostatic control light ground

1шт.

69

403514R1

CONNECTOR, single short, gear drive tractors

2шт.

69

403515R1

CONNECTOR, mult. 2 unit, hydrostatic drive tractors

1шт.

70

405227R1

CABLE

ASSY, ether solenoid to ground, replaces 404161R1

1шт.

71

NSS

NOT SOLD SEPARAT

(Not used in this application)

1шт.

72

539280R1

SWITCH

ASSY, transmission oil temp., hydrostatic drive tractors, Start Serial: 16789

1шт.

73

392441R91

LIGHT

ASSY, transmission oil temp. warning, hydrostatic drive tractors, Start Serial: 16789

1шт.

9417863

BULB,C2F, #1895, 14V

LAMP, no. 1895 12 volt

1шт.

74

539279R1

CABLE ASSY, temp. warning switch, hydrostatic drive tractors, Start Serial: 16789

1шт.

Выбрано товаров: 114