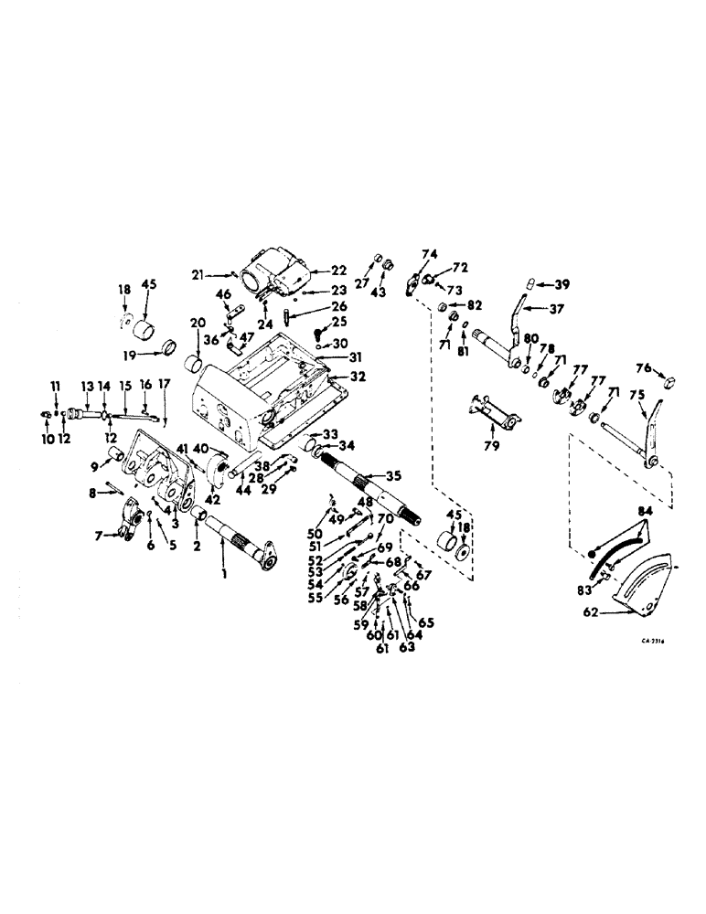
Запчасти Case IH 2544 (F-32) - HYDRAULICS SYSTEM, HYDRAULIC DRAFT CONTROL, INTERNATIONAL TRACTORS WITH SERIAL NO. 15787 AND ABOVE (07) - HYDRAULIC SYSTEM

Схема запчастей Case IH 2544 - (F-32) - HYDRAULICS SYSTEM, HYDRAULIC DRAFT CONTROL, INTERNATIONAL TRACTORS WITH SERIAL NO. 15787 AND ABOVE (07) - HYDRAULIC SYSTEM
41
68
15
13
19
20
45
10
67
8
73
23
70
71
82
16
9
32
24
81
78
31
28
47
46
57
17
61
33
37
71
59
40
54
38
53
3
48
26
65
39
77
25
64
5
35
45
75
60
42
66
74
62
6
76
69
27
58
29
63
18
7
84
2
83
49
56
52
50
36
43
30
1
71
72
11
44
21
55
51
22
18
34
79
12
77
61
12
14
80
FIT
1:1
100%

Артикул

Название

Примечание

Количество

1

376968R21

SHAFT

TORSION BAR ASSY, draft control

1шт.

Tractors w/three point hitch.

1шт.

179884

BOLT,Hex, 1/2" - 13 x 1 3/8", Gr 5, Full Thd

SCREW, 1/2-13 x 1-3/8 hex-hd cap

1шт.

2

376966R1

BEARING, torsion bar, large

1шт.

Tractors w/three point hitch.

1шт.

3

376964R11

BRACKET ASSY, torsion bar, composed of (1) bearing 376965R1, (1) bearing 376966R1, (1) bracket 376964R1 (NSS), (2) fitting 273355, (1) PIN 377935R1 (NSS)

1шт.

Tractors w/three point hitch.

1шт.

179885

BOLT,Hex, 1/2" - 13 x 1 1/2", Gr 5

5шт.

103323

LOCK WASHER,1/2"

WASHER, LOCK, 1/2"

5шт.

4

86504104

LUBE NIPPLE,1/4" x .56" lg, Drive

FITTING, 1/4 straight drive type lub

2шт.

Tractors w/three point hitch.

1шт.

5

110668R1

CIRCLIP,#37, .300" Dia, E-Type

Ring, Retaining, , centering spring #37, .300" Dia, E-Type

1шт.

Tractors w/three point hitch.

1шт.

6

376977R1

SPRING, draft control nut centering

2шт.

Tractors w/three point hitch.

1шт.

7

383435R1

BELLCRANK, draft control

1шт.

8

376975R1

PIN, draft control bellcrank

1шт.

Tractors w/three point hitch.

1шт.

9

376965R1

BEARING, torsion bar, small

1шт.

Tractors w/three point hitch.

1шт.

10

384357R1

NUT, draft control rod

1шт.

Tractors w/three point hitch.

1шт.

384358R1

WASHER, draft control rod

2шт.

11

376022R91

OIL SEAL

SEAL, draft control rod oil

1шт.

12

273279R91

BUSHING

BEARING, draft control rod

2шт.

13

376014R11

TUBE, w/two bearings, 273279R91 and oil seal, 376022R91, draft control rod

1шт.

14

307915R1

O-RING,0.118" Thk x 1.475" ID, -920, Cl 6, 90 Duro

1-15/32 x 1-11/16 x 7/64, draft control rod tube

1шт.

15

376052R11

ROD ASSY, draft control

1шт.

16

379316R1

PIN, draft control rod

1шт.

17

110668R1

CIRCLIP,#37, .300" Dia, E-Type

Ring, Retaining, , draft control rod pin #37, .300" Dia, E-Type

1шт.

18

M22352

WASHER, rockshaft arm retainer

2шт.

271557

DEFLECTOR,Hex, 5/8" - 11 x 1 3/8", Gr 5

SCREW, 5/8-11 x 1-3/8 hex-hd cap

2шт.

103325

LOCK WASHER,5/8"

WASHER, LOCK, 5/8"

2шт.

19

376019R91

PACKING RING

SEAL, rockshaft LH oil

1шт.

20

537118R1

BUSHING

rockshaft LH

1шт.

21

130368H

PIN

main valve actuator

1шт.

NLS

NO LONGER SERVICED

PIN, 1/16 x 1/2 cot.

1шт.

22

NSS

NOT SOLD SEPARAT

CYLINDER & VALVE ASSY, draft control, for components see list of parts under details of draft control cylinder and valve

1шт.

179840

BOLT,Hex, 3/8" - 16 x 1 1/8", Gr 5

SCREW, 3/8-16 x 1-1/8 hex-hd cap

2шт.

413-828

BOLT,Hex, 1/2" - 13 x 1-3/4", Gr 5

SCREW, 1/2-13 x 1-3/4 hex-hd cap

1шт.

179894

BOLT,Hex, 1/2" - 13 x 3 1/4", Gr 5

1шт.

179895

BOLT,Hex, 1/2" - 13 x 3 1/2", Gr 5

SCREW, 1/2-13 x 3-1/2 hex-hd cap

1шт.

103321

LOCK WASHER,3/8"

WASHER, LOCK, 3/8"

2шт.

103323

LOCK WASHER,1/2"

WASHER, LOCK, 1/2"

2шт.

395-11053

WASHER,0.53" ID x 1.06" OD x 0.1" Thk

17/32 x 1-1/16 x .074

1шт.

23

380839R1

O-RING,0.103" Thk x 0.862" ID, -118, Cl 6, 90 Duro

7/8 x 1-1/16 x 3/32, cylinder valve

2шт.

24

16558R1

WASHER

17/64 x 5/8 x 18 ga, main valve actuator pin

1шт.

25

382606R91

LOCK VALVE

VALVE ASSY, poppet relief

1шт.

26

381747R1

PLUG, hydraulic unit housing drain

1шт.

27

532406R1

WASHER

SPACER, sensitivity lever

1шт.

28

364839R1

O-RING,0.078" Thk x 0.468" ID, -906, Cl 6, 90 Duro

6-1, 90 Duro, .468" ID x .078" Thk, hydraulic lift housing drain plug, gear drive tractors only

1шт.

29

9410358

PLUG

9/16-18 C-Z str thd o-ring boss, hydraulic lift housing external drain, gear drive tractors only

1шт.

30

380839R1

O-RING,0.103" Thk x 0.862" ID, -118, Cl 6, 90 Duro

7/8 x 1-1/16 x 3/32, poppet relief valve

1шт.

31

532508R91

HOUSING ASSY, hyd draft control lift, composed of (1) bearing 376009R1, (1) bushing 376010R1, (1) bushing 537118R1, (1) housing 532510R1 (NSS), (1) retainer 376015R1 (NSS), (1) tube 376017R1 (NSS)

1шт.

32

375577R1

GASKET

hyd lift housing

1шт.

33

376009R1

BEARING LINER,2.32" ID x 2.438" OD x 2.6"

rockshaft RH

1шт.

34

376020R91

OIL SEAL

SEAL, rockshaft RH oil

1шт.

35

389971R1

ROCKSHAFT, hyd draft control

1шт.

36

390824R1

SPRING

hyd switch return

1шт.

37

538987R1

HANDLE

ASSY, position control

1шт.

38

376010R1

BUSHING

eccentric shaft

1шт.

39

382801R1

BALL

KNOB, position control handle

1шт.

40

376069R1

SET SCREW

SCREW, rockshaft bellcrank set

1шт.

41

389280R1

PIN

bellcrank connecting rod

1шт.

103384

COTTER PIN,1/8" x 3/4"

Pin, Split (Cotter), 1/8" x 3/4"

1шт.

16558R1

WASHER

17/64 x 5/8 x .049

1шт.

42

389628R1

LEVER

rockshaft bellcrank

1шт.

43

863138R91

PLASTIC RING

BEARING, sensitivity shaft

1шт.

44

389629R1

ROD, hyd draft control piston

1шт.

45

389972R1

SHIELD

rockshaft spline

2шт.

46

402448R1

BAR

ASSY, hydraulic switch, draft sensing

1шт.

103384

COTTER PIN,1/8" x 3/4"

Pin, Split (Cotter), 1/8" x 3/4"

1шт.

95-11041

WASHER,3/8"

(13/32 x 13/16 x .051) 3/8"

1шт.

47

402437R1

LEVER ASSY, hyd switch

1шт.

48

104977R1

SNAP RING,#X31, .243" Dia, E-Type

RING, RETAINING, , Spring retaining link #X31, .243" Dia, E-Type

1шт.

49

376029R21

LEVER ASSY, draft sensitivity control

1шт.

19313R1

PIN,5/32" x 7/8", Coiled

1шт.

50

402435R1

TRIGGER ASSY, draft control

1шт.

51

376028R1

LINK, safety spring retainer

1шт.

52

376025R11

EYE ASSY, spring retainer

1шт.

53

376027R1

SPRING, safety

1шт.

54

376057R1

BUCKET TOOTH KEY

KEY, rockshaft actuating hub

1шт.

55

376031R11

HUB

ASSY, rockshaft actuating

1шт.

56

377792R1

SET SCREW

SCRWE, rockshaft hub set

1шт.

57

110668R1

CIRCLIP,#37, .300" Dia, E-Type

Ring, Retaining, , walking beam follow-up #37, .300" Dia, E-Type

1шт.

58

376038R11

BEAM

ASSY, walking follow-up

1шт.

59

104977R1

SNAP RING,#X31, .243" Dia, E-Type

RING, RETAINING, , Walking beam to quadrant link #X31, .243" Dia, E-Type

1шт.

60

376033R1

BRACKET

LINK, position control walking

1шт.

61

104977R1

SNAP RING,#X31, .243" Dia, E-Type

RING, RETAINING, , Position control walking link #X31, .243" Dia, E-Type

2шт.

62

376985R2

SECTOR

QUADRANT, control

1шт.

532518R1

SPACER, quadrant

3шт.

179807

SCREW,Hex, 1/4" - 20 x 2 1/2"

1/4-20 x 2-1/2 hex-hd cap

3шт.

63

389623R91

ECCENTRIC

ASSY, position control

1шт.

64

355967R1

O-RING,0.364" ID x 0.003" Width

3/8 x 1/2 x 1/16, eccentric shaft

1шт.

65

971043R1

SNAP RING,#50, Ext

Eccentric shaft #50, Ext

1шт.

66

376042R2

SUPPORT

LINK, walking, Serial Range: beam-quadrant

1шт.

67

104977R1

SNAP RING,#X31, .243" Dia, E-Type

RING, RETAINING, , Walking beam to quadrant link #X31, .243" Dia, E-Type

1шт.

68

376984R1

SUPPORT

LINK, walking, Serial Range: beam-valve

1шт.

69

376041R1

SCREW,Shldr, Hex, 1/4" - 20 x 0.70", W/ Nylon Pellet

Shoulder

1шт.

70

104977R1

SNAP RING,#X31, .243" Dia, E-Type

RING, RETAINING, , Spring retaining eye #X31, .243" Dia, E-Type

1шт.

71

532395R1

BUSHING,19.07mm ID x 20.63mm OD x 16.64mm L

BEARING, control shaft

3шт.

72

376044R11

ARM

ASSY, draft retarding

1шт.

73

110668R1

CIRCLIP,#37, .300" Dia, E-Type

Ring, Retaining, , draft retarding arm #37, .300" Dia, E-Type

1шт.

74

376043R21

LEVER

ASSY, slow motion actuating

1шт.

114501

JAM NUT,Jam, 1/4"-20, G5

1шт.

102435

PIVOT

SCREW, 1/4-20 x 1-1/4 sq-hd oval PT set

1шт.

75

532516R1

HANDLE

ASSY, draft sensitivity control

1шт.

76

382805R1

KNOB

draft sensitivity control handle

1шт.

77

532521R1

SUPPORT

position control bearing

2шт.

192009

NUT, 5/16-24 sq

2шт.

181340

BOLT,Hex, 5/16" - 24 x 1 1/8", Gr 5

SCREW, 5/16-24 x 1-1/8 hex-hd cap

2шт.

532409R1

SPRING WASHER

safety spring

2шт.

78

379365R1

O-RING,0.07" Thk x 0.364" ID, -12, Cl 6, 90 Duro

3/8 x 1/2 x 1/16, draft sensitivity control shaft

1шт.

79

532512R1

SUPPORT

quadrant

1шт.

179840

BOLT,Hex, 3/8" - 16 x 1 1/8", Gr 5

SCREW, 3/8-16 x 1-1/8 hex-hd cap

3шт.

103321

LOCK WASHER,3/8"

WASHER, LOCK, 3/8"

3шт.

80

532408R1

PLASTIC RING

BEARING, sensitivity control shaft

1шт.

81

350429R1

O-RING,0.103" Thk x 0.612" ID, -114, Cl 5, 75 Duro

5/8 x 13/16 x 3/32, position control shaft

1шт.

82

532520R1

SPACER

position control lever

1шт.

83

378620R1

STOP

quadrant lever

1шт.

114417H

NUT, 1/4-28 ESNA stop

1шт.

120392

WASHER,1/4", SAE

9/32 x 5/8 x .065 ga C-Z

1шт.

84

378619R11

GUIDE

ASSY, control handle

1шт.

88542

BOLT,Hex, 1/4"-20 x 1/2", Gr 5

SCREW, 1/4-20 x 1/2 C-Z hex-hd cap

2шт.

492-11025

LOCK WASHER,1/4"

WASHER, LOCK, 1/4"

2шт.

Выбрано товаров: 0