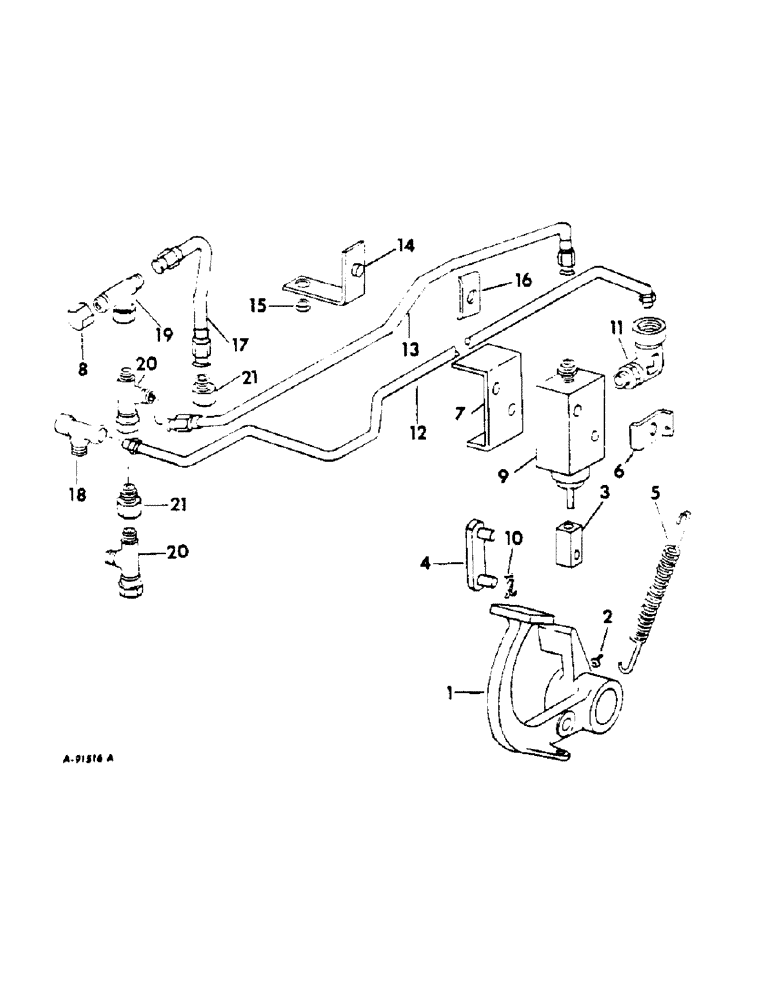
Запчасти Case IH 2544 (H-19) - CONTROLS, DUMP VALVE PEDAL AND CONNECTIONS, INTERNATIONAL 2544 TRACTORS WITH HYDROSTATIC DRIVE Controls

Схема запчастей Case IH 2544 - (H-19) - CONTROLS, DUMP VALVE PEDAL AND CONNECTIONS, INTERNATIONAL 2544 TRACTORS WITH HYDROSTATIC DRIVE Controls
9
20
19
20
12
6
11
13
7
10
5
14
2
4
15
21
1
21
8
17
3
18
16
FIT
1:1
100%

Артикул

Название

Примечание

Количество

1

404770R1

PEDAL, dump valve

1шт.

404774R2

SPACER, dump valve pedal

1шт.

2

19700R91

FITTING

3/16 45 deg angle drive type lub

1шт.

3

398766R1

UNION

BLOCK, valve stem adjusting

1шт.

124920

JAM NUT,Jam, 5/16"-24, G5

1шт.

4

399937R1

LINK ASSY, dump valve pedal

1шт.

5

897982R1

SPRING

dump valve pedal return

1шт.

6

399939R1

BRACKET, dump valve return spring

1шт.

179846

LEVER

1шт.

7

4047771R2

SUPPORT, dump valve

1шт.

179867

BOLT,Hex, 7/16" - 14 x 2 1/4", Gr 5

SCREW, 7/16-14 x 2-1/4 hex-hd cap

2шт.

179845

BOLT,Hex, 3/8" - 16 x 1 3/4", Gr 5

SCREW, 3/8-16 x 1-3/4 hex-hd cap

1шт.

256873

BOLT,Hex Serr, 5/16" - 18 x 1/2", 5SPL, Full Thd

2шт.

8

9403369

CAP,37 Degree, 7/16"-20

7/16-20 37 deg hyd flared tube

1шт.

9

NSS

NOT SOLD SEPARAT

VALVE ASSY, dump, for components see list of parts under detail of two position relief valve, section F

1шт.

10

661406R1

LOCK WASHER,4.83mm ID x 18.542mm OD x 1.65mm Thk

retaining

2шт.

11

398782R1

ELBOW

1/2-20 hi-duty tube fitting

1шт.

12

404772R2

TUBE, dump valve drain

1шт.

222-503

TUBE NUT,1/2"-20

NUT, 1/2-20 hi-duty tube fitting

2шт.

13

404773R2

TUBE ASSY, dump valve hi-pressure

1шт.

14

404494R1

BRACKET ASSY, tube support

1шт.

179866

BOLT,Hex, 7/16" - 14 x 2", Gr 5

1шт.

15

SA2172

SPACER,3/8" Pipe x 1/2"

3/8 x 1/2 tube clamp

1шт.

16

369758R1

CLAMP

tube, carbureted engine tractors

1шт.

179793

BOLT,Hex, 1/4" - 20 x 5/8", Gr 5, Full Thd

1шт.

103319

LOCK WASHER,1/4"

WASHER, LOCK, 1/4"

1шт.

17

401432R2

TUBE ASSY, hi-pressure front

1шт.

18

57051D

TEE, 1/2-20 hi-duty tube fitting male pipe

1шт.

19

9410304

TEE,37 Degree, 7/16"-20 x 7/16"-20, Fem Sw Br

7/16-20 37 deg hyd flared tube

1шт.

20

9410330

TEE,37 Degree, 7/16"-20 x 7/16"-20, Fem Sw Run

7/16-20 37 deg hyd flared tube, 90 deg swivel

2шт.

21

404254R2

VALVE

ASSY, check

2шт.

369384R1

O-RING,0.072" Thk x 0.414" ID, -905, Cl 6, 90 Duro

5-1, 90 Duro, .414" ID x .072" Thk, 5/16 OD tube

2шт.

Выбрано товаров: 32