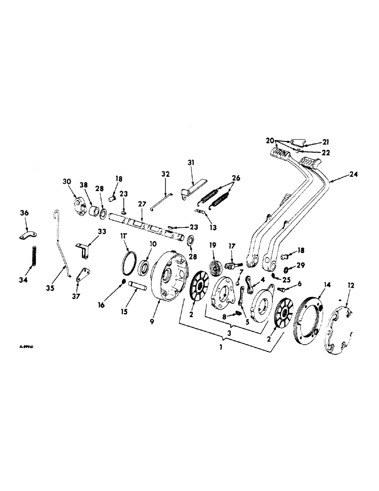
Запчасти Case IH 2544 (H-21) - CONTROLS, BRAKES, BRAKE LOCK AND CONNECTIONS, FARMALL TRACTORS Controls

Схема запчастей Case IH 2544 - (H-21) - CONTROLS, BRAKES, BRAKE LOCK AND CONNECTIONS, FARMALL TRACTORS Controls
30
13
28
38
10
6
34
16
2
32
15
28
36
5
20
23
26
1
17
18
23
12
27
37
8
14
22
7
3
18
25
4
33
21
19
35
11
9
2
29
24
31
FIT
1:1
100%

Артикул

Название

Примечание

Количество

1

400239R91

BRAKE ASSY, double disc

1шт.

2

404918R1

DISC

ASSY, middle (replaced 404918R91)

2шт.

114493

JAM NUT,Jam, 5/16"-24, G5

2шт.

3

404919R91

DISC

ASSY, actuating

1шт.

4

354640R91

LINK

actuating yoke

1шт.

5

354641R1

LINK

actuating plain

1шт.

6

354642R1

STUD

link

2шт.

7

16028R1

BALL

7/8 diameter chrome

4шт.

8

354627R1

SPRING

extension

2шт.

9

389283R1

HOUSING

brake

2шт.

393773R1

PLUG

brake housing

1шт.

10

383159R91

OIL SEAL

bull pinion shaft oil, optional w/383160R91

2шт.

10

383160R91

OIL SEAL

SEAL, bull pinion shaft oil, optional w/383159R91

2шт.

11

3046999R1

O-RING,0.139" Thk x 4.484" ID, -246, Cl 5, 75 Duro

RING, brake housing sealing

2шт.

12

389284R2

COVER

brake housing

2шт.

179873

BOLT,Hex, 7/16" - 14 x 3 3/4", Gr 5

8шт.

13

357045R1

ANCHOR

brake pedal return spring

1шт.

179837

BOLT,Hex, 3/8" - 16 x 3/4", Gr 5

1шт.

14

392554R2

SHIM

brake housing

20шт.

15

388270R1

PIN

brake reaction

2шт.

16

393076R1

RING

retaining snap

2шт.

17

403840R2

ROD

brake operating

2шт.

103026

NUT,3/8"-24, G5

2шт.

114786

PIN

7/16 x 1-15/64 rod end

2шт.

280250

COTTER PIN,3/32" OD x 3/4" L

PIN, SPLIT (COTTER), 3/32" x 3/4"

2шт.

18

368298R1

BALL

brake operating rod

2шт.

19

368299R1

INSULATOR

BOOT, enclosure

2шт.

20

388272R11

PEDAL ASSY, LH brake

1шт.

179867

BOLT,Hex, 7/16" - 14 x 2 1/4", Gr 5

SCREW, 7/16-14 x 2-1/4 hex-hd cap

1шт.

425-107

NUT,7/16"-14, G5

7/16-14 hex.

1шт.

103322

LOCK WASHER,7/16"

WASHER, LOCK, 7/16"

1шт.

21

43751DB

LATCH, PEDALS

PLATE, brake pedal lock

1шт.

22

51293D

SPRING

brake pedal lock plate tension

1шт.

104087

RIVET,But Hd, 1/4" x 1 1/4"

1/4 x 1-1/4 rd-hd

1шт.

23

126-122

WOODRUFF KEY,#13, 3/16" x 1", HT

KEY, 3/16 x 1 woodruff 13

2шт.

24

388273R1

PEDAL, RH brake

1шт.

25

80722

LUBE NIPPLE,3/16" x .55" lg, Drive

FITTING, 3/16 str drive type lub

1шт.

26

43229H

SPRING

brake pedal return

2шт.

27

400383R1

SHAFT

brake pedal

1шт.

103409

PIN, SPLIT (COTTER),3/16" x 1 1/2"

1шт.

28

48983D

THRUST WASHER

brake pedal shaft thrust

2шт.

29

40435D

WASHER, brake pedal shaft

1шт.

30

388275R1

LEVER

brake operating

1шт.

179867

BOLT,Hex, 7/16" - 14 x 2 1/4", Gr 5

SCREW, 7/16-14 x 2-1/4 hex-hd cap

1шт.

NLS

NO LONGER SERVICED

7/16-14 hex.

1шт.

103322

LOCK WASHER,7/16"

WASHER, LOCK, 7/16"

1шт.

126-122

WOODRUFF KEY,#13, 3/16" x 1", HT

KEY, 3/8-16 x 1 woodruff 13

1шт.

31

530366R11

LATCH ASSY, brake lock

1шт.

21818R1

PIN, 3/8 x 1-1/16 C-Z std-hd

1шт.

103384

COTTER PIN,1/8" x 3/4"

Pin, Split (Cotter), 1/8" x 3/4"

1шт.

32

388279R1

ROD, brake lock lower

1шт.

107761

COTTER PIN,1/16" x 5/8"

Pin, Split (Cotter), 1/16" x 5/8"

1шт.

106261

WASHER,1/4"

5/16 x 3/4 x .065

1шт.

34

364847R1

SPRING

brake lock return

1шт.

35

388282R1

ROD

brake lock upper

1шт.

36

388283R1

GUIDE

brake lock rod

1шт.

37

388284R1

SUPPORT

LEVER, brake lock

1шт.

38

NSS

NOT SOLD SEPARAT

(Not used in this application)

1шт.

Выбрано товаров: 58