Запчасти Case IH 2544 (K-03) - DRAWBARS AND HITCHES, SWINGING DRAWBAR, TRACTORS WITH TWO OR THREE POINT HITCH Drawbars & Hitches

Схема запчастей Case IH 2544 - (K-03) - DRAWBARS AND HITCHES, SWINGING DRAWBAR, TRACTORS WITH TWO OR THREE POINT HITCH Drawbars & Hitches
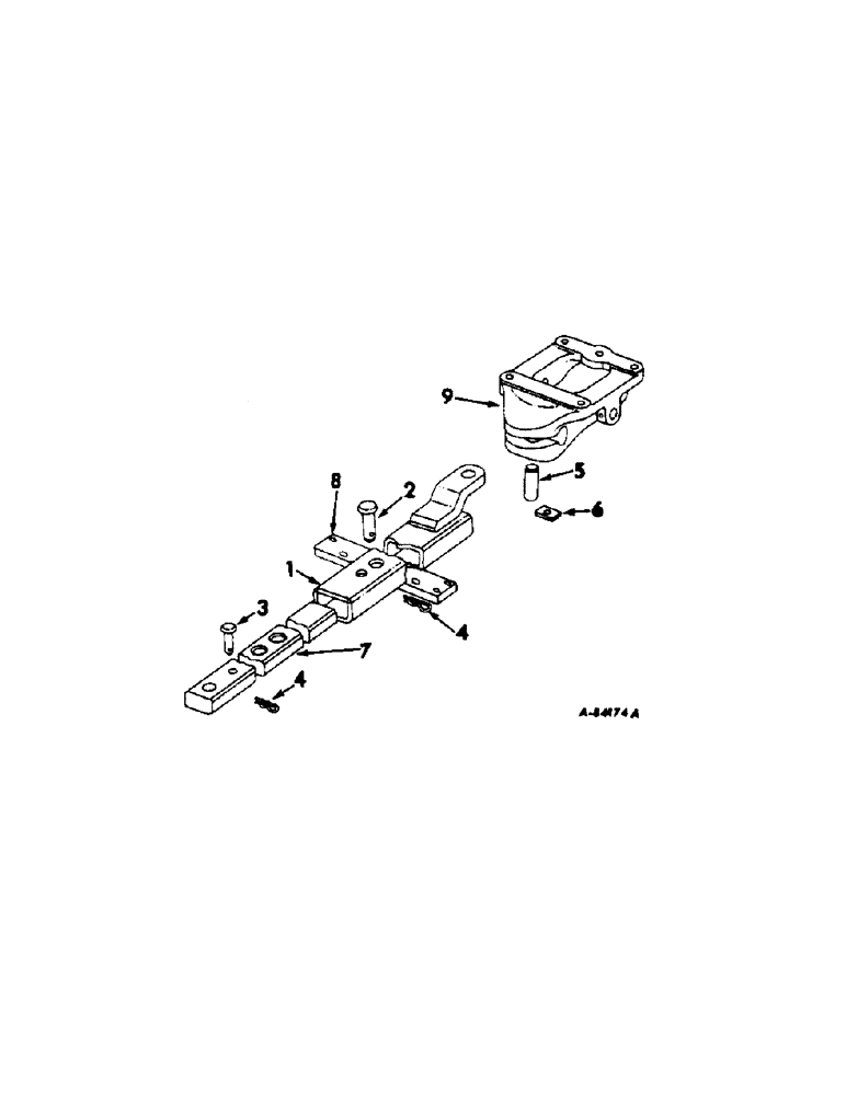
2
6
8
7
4
4
3
9
1
5
FIT
1:1
100%

Артикул

Название

Примечание

Количество

NSS

NOT SOLD SEPARAT

ATTACHMENT, swinging drawbar, 389105R92

1шт.

1

389100R11

CHANNEL

ASSY, swinging drawbar

1шт.

271656

BOLT,Hex, 7/8" - 9 x 2", Gr 5

SCREW, 7/8-9 x 1/2 hex-hd cap, drawbar stop

2шт.

425-1014

NUT,7/8"-9, G5

NUT, 7/8"-9, G5

2шт.

103327

LOCK WASHER,7/8"

WASHER, LOCK, 7/8"

2шт.

2

389103R1

PIN

drawbar locking head

1шт.

3

496496R1

HEADED PIN,5/8" x 2 3/4"

PIN, 5/8 x 2-3/4 head storage

1шт.

4

520175R1

CLIP

PIN, quick attachable cot.

2шт.

5

57654D

PIVOT PIN

PIN, drawbar pivot

1шт.

6

49139D

WASHER,10.32mm ID x 38.1mm OD x 5mm Thk

PLATE, pivot pin lock

1шт.

179837

BOLT,Hex, 3/8" - 16 x 3/4", Gr 5

1шт.

103321

LOCK WASHER,3/8"

WASHER, LOCK, 3/8"

1шт.

7

389099R1

BAR

DRAWBAR, swinging

1шт.

8

389361R1

BAR, drawbar support

1шт.

271612

BOLT,Hex, 3/4" - 10 x 2 1/4", Gr 5

SCREW, 3/4-10 x 2-104 hex-hd cap

4шт.

9

389104R11

SUPPORT ASSY, drawbar pivot

1шт.

413-1032

BOLT,Hex, 5/8" - 11 x 2", Gr 5

SCREW, 5/8-11 x 2 hex-hd cap, not part of swinging drawbar attachment

4шт.

Выбрано товаров: 17