Запчасти Case IH 258 (13-076) - SIDE MIRROR, SUPER DE-LUXE CAB (05) - SUPERSTRUCTURE

Схема запчастей Case IH 258 - (13-076) - SIDE MIRROR, SUPER DE-LUXE CAB (05) - SUPERSTRUCTURE
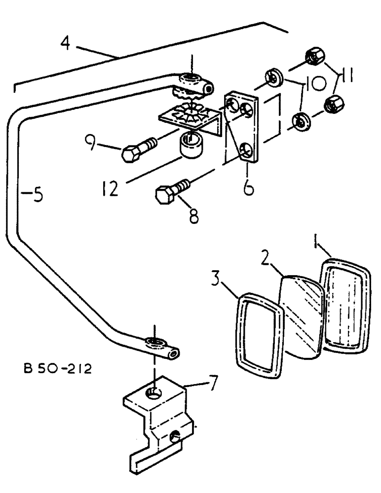
11
9
12
8
6
4
10
1
5
7
2
3
FIT
1:1
100%

Артикул

Название

Примечание

Количество

1

3125426R91

MIRROR

CPTE WING

2шт.

2

3125427R1

GLASS

MIRROR

2шт.

3

3125428R1

RING

SPARE PART RUBBER RETAINING

2шт.

4

3125429R91

ARM

SPARE PART CPTE MIRROR

2шт.

5

3125430R1

ARM

MIRROR

2шт.

6

3125431R1

BRACKET

SPARE PART UPPER

2шт.

7

3125432R1

BRACKET

LOWER

2шт.

8

3125402R1

SCREW

SPARE PART M6 X 20 CHEESE HD

4шт.

9

3125433R1

SCREW M6 X 16

2шт.

10

933346R1

WASHER,M6 x 12 x 1.6

1/4

6шт.

11

3125434R1

NUT

M6

2шт.

12

3125435R1

BUSHING

RUBBER

2шт.

Выбрано товаров: 12