Запчасти Case IH 258 (10-026) - DRAFT CONTROL (07) - HYDRAULICS

Схема запчастей Case IH 258 - (10-026) - DRAFT CONTROL (07) - HYDRAULICS
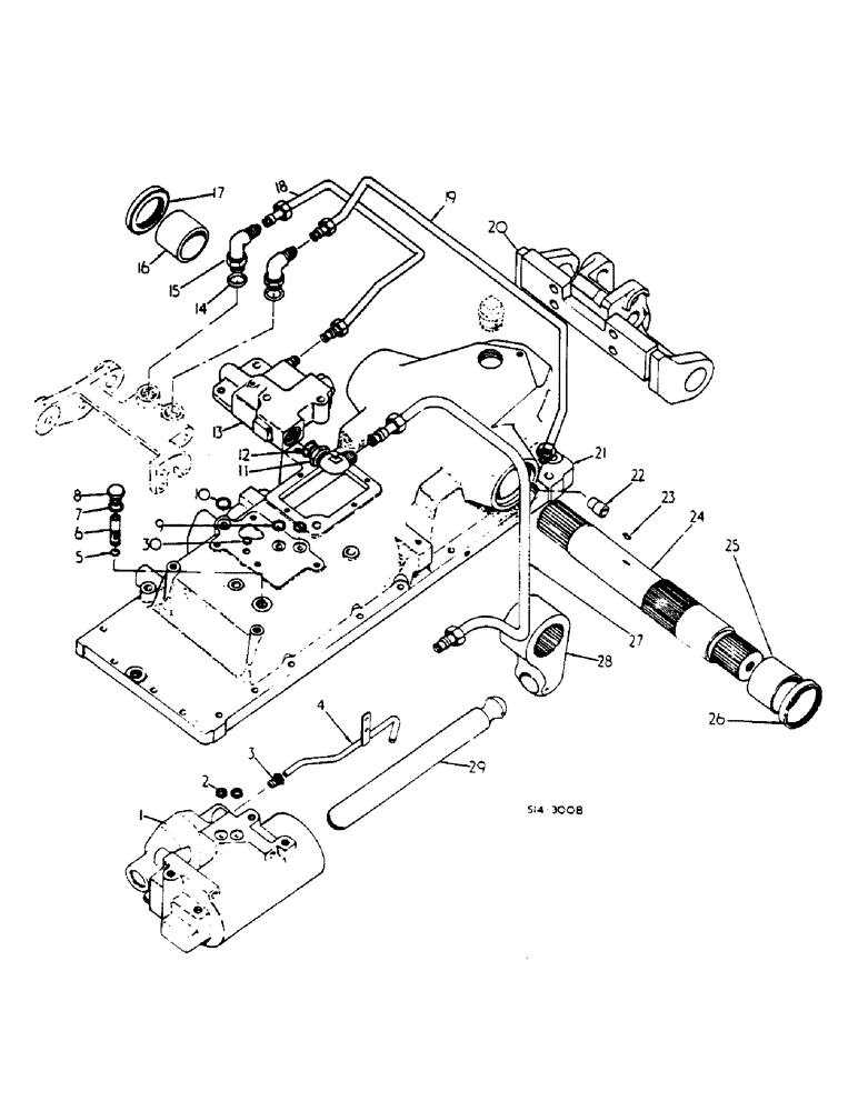
1
22
13
26
4
3
19
27
14
7
9
16
15
21
20
30
28
29
6
24
17
2
23
10
12
18
5
25
11
8
FIT
1:1
100%

Артикул

Название

Примечание

Количество

1

399885R1

VALVE ASSY, DRAFT CONTROL, FOR COMPONENTS SEE LIST OF PARTS UNDER DETAILS OF DRAFT CONTROL CYL VALVE, INCLUDES SCREWS AND WASHERS

1шт.

179884

BOLT,Hex, 1/2" - 13 x 1 3/8", Gr 5, Full Thd

1/2-13 X 1-3/8 HEX HD CAP

3шт.

400000R1

SEALING WASHER

CAP SCREW SEALING

3шт.

2

400002R1

OLIVE

SEAL, CYL TO HYD HSG

2шт.

3

222-504

TUBE NUT,9/16"-20

9/16-20 HI DUTY TUBE FITTING

1шт.

4

60652C1

TUBE ASSY.

LUB, INCLUDES SCREWS

1шт.

13-510

BOLT,Hex, 5/16" - 18 x 5/8", Gr 5, Full Thd

3шт.

5

702788R1

O-RING,0.103" Thk x 0.362" ID, -110, Cl 6, 90 Duro

3/8 X 9/16 X 3/32

1шт.

6

400095R92

VALVE, CUSHION

ASSY, CUSHION

1шт.

7

570828R1

O-RING,0.087" Thk x 0.644" ID, -908, Cl 6, 90 Duro

1/2 OD TUBE

1шт.

8

536855R1

PLUG

3/4-16 STR STH O-RING BOSS

1шт.

9

377952R1

O-RING,0.103" Thk x 0.549" ID, -113, Cl 6, 90 Duro

9/16 X 3/4 X 3/32

2шт.

10

21433R1

O-RING,0.103" Thk x 0.674" ID, -115, Cl 6, 90 Duro

11/16 X 7/8 X 3/32

1шт.

11

9410978

ELBOW,90 Degree, 7/8"-14, 37 Degree x 7/8"-14, O-Ring

7/8-14 C-Z 37 DEG HYD FLARED TUBE

1шт.

12

364885R1

O-RING,0.097" Thk x 0.755" ID, -910, Cl 6, 90 Duro

5/8 OD TUBE

1шт.

13

59098C93

VALVE

ASSY, UNLOADING AND FLOW CONTROL, FOR COMPONENTS SEE LIST OF PARTS UNDER DETAILS UNLOADING AND FLOW CONTROL VALVE, INCLUDES BOLTS AND WASHERS

1шт.

179841

BOLT,Hex, 3/8" - 16 x 1 1/4", Gr 5

2шт.

179848

BOLT,Hex, 3/8" - 16 x 2 1/4", Gr 5

1шт.

103321

LOCK WASHER,3/8"

4шт.

14

570828R1

O-RING,0.087" Thk x 0.644" ID, -908, Cl 6, 90 Duro

1/2 OD TUBE

2шт.

15

9410977

ELBOW,90 Degree, 3/4"-16, 37 Degree x 3/4"-16, O-Ring

3/4-16 37 DEG HYD FLARED TUBE ADJ

2шт.

16

399992R1

BUSHING

ROCKSHAFT R H

1шт.

16

1500447R1

BUSHING, ROCKSHAFT R H O/SIZE

1шт.

17

380771R91

SEAL

ROCKSHAFT R H OIL

1шт.

17

380770R91

OIL SEAL

ROCKSHAFT R H

1шт.

17

530096R91

SEAL

ROCKSHAFT R H OIL, OPTIONAL

1шт.

18

66759C1

TUBE ASSY.

VARIABLE FLOW

1шт.

19

66758C1

TUBE

VARIABLE CONTROL SUPPLY

1шт.

20

527229R91

SUPPORT

SPRING ASSY, DRAFT SENSING, INCLUDES SCREWS AND PIN

1шт.

21047R1

HEX SOC SCREW,5/8"-11 x 1 3/4"

5/8-11 X 1-3/4 HEX SOC HD

4шт.

19842R1

DOWEL,5/16" x 1/2"

PIN 5/16 X 1/2

1шт.

21

406003R22

HOUSING ASSY.

HYDRAULIC UNIT, INCLUDES STUDS, NUTS AND WASHERS

1шт.

531143R2

STUD

TOP COVER LONG

2шт.

531144R1

STUD

TOP COVER SHORT

2шт.

120377

NUT,3/8" - 16, Gr 5

4шт.

120382

LOCK WASHER,Helical Spring, 3/8"

4шт.

22

399993R1

BUSHING

ECCENTRIC SHAFT

1шт.

23

376057R1

BUCKET TOOTH KEY

ROCKSHAFT HUB

1шт.

24

400049R2

SHAFT

ROCK, HYD DRAFT CONTROL, INCLUDES PLATES AND BOLTS

1шт.

537126R2

PLATE

RETAINING LIFT ARM

2шт.

271560

PANEL,Hex, 5/8" - 11 x 1 3/4", Gr 5

2шт.

25

527749R1

BUSHING,63.52mm ID x 66.67mm OD x 50.8mm L

ROCKSHAFT L H

1шт.

25

1500532C1

BUSHING

ROCKSHAFT L H O/SIZE

1шт.

26

380212R91

OIL SEAL

ROCKSHAFT L H

1шт.

26

530095R91

SEAL

ROCKSHAFT L H OIL, OPTIONAL

1шт.

27

3129243R1

TUBE

ASSY, DRAFT CONTROL PRESSURE, 585

1шт.

27

66760R1

TUBE ASSY, DRAFT CONTROL PRESSURE, 584

1шт.

28

400053R3

LEVER

ROCKSHAFT BELLCRANK, INCLUDES SCREW, PINS AND WASHERS

1шт.

376069R1

SET SCREW

ROCKSHAFT BELLCRANK

1шт.

441015R1

LOCK PIN,5/16" x 2 1/4", Slotted

6791 up

1шт.

400052R1

PIN

HYD CYL CONN ROD

1шт.

16558R1

WASHER

17/64 X 5/8 X 18 GA

1шт.

83723R1

WAVE WASHER

SPRING

1шт.

103384

COTTER PIN,1/8" x 3/4"

Up to 6790

1шт.

29

400054R2

ROD

HYD CYL CONNECTING

1шт.

30

59099C1

O-RING,2.39mm Thk x 6.6mm ID

1шт.

Выбрано товаров: 56