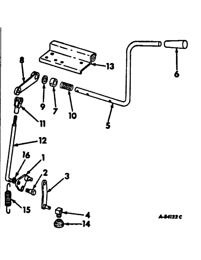
Запчасти Case IH 2656 (H-27) - CONTROLS, INDEPENDENT POWER TAKE OFF LEVER AND CONNECTIONS Controls

Схема запчастей Case IH 2656 - (H-27) - CONTROLS, INDEPENDENT POWER TAKE OFF LEVER AND CONNECTIONS Controls
4
15
3
14
6
5
9
16
13
10
11
1
12
7
2
8
FIT
1:1
100%

Артикул

Название

Примечание

Количество

1

391035R91

LEVER

ASSY, over-center

1шт.

2

391047R1

BOLT,Shldr, Hex, 3/8" - 16 x 1.18"

BOLT, Over-center lever pivot, Not used on tractors equipped w/cab & having 540 RPM independent PTO

1шт.

2

391037R1

PLUG, over center lever pivot, used on tractors equipped w/cab

1шт.

3

391038R11

LINK

ASSY, valve stem actuating

1шт.

95-11034

WASHER,1/4"

11/32 x 11/16 x .065

2шт.

107762

WASHER,3/32" x 5/8"

PIN, SPLIT, (COTTER), 3/32" x 5/8"

2шт.

4

384194R2

NUT,3/8" - 16

valve adjustment

1шт.

5

391040R2

ROD

HANDLE, independent PTO control, Farmall tractors, International tractors w/1000 RPM PTO and equipped with high capacity power supply w/o forward & reverse control

1шт.

5

396201R2

HANDLE, independent PTO control, Farmall tractors with cab

1шт.

103384

COTTER PIN,1/8" x 3/4"

Pin, Split (Cotter), 1/8" x 3/4"

1шт.

24662R1

PIN, 7/32 x 1 coiled spring

1шт.

24811R1

PIN,7/32" x 1 1/4", Coiled

1шт.

607895R1

WASHER

17/32 x 1 x 11 ga

1шт.

5

396596R2

ROD

independent PTO control handle, International tractors except tractors equipped with high capacity power supply

1шт.

6

391056R1

GRIP

independent PTO control handle

1шт.

7

391041R1

SPACER

independent PTO control handle

1шт.

8

397098R1

ARM

independent PTO actuating, Farmall, Start Serial: 27561

1шт.

8

397098R1

ARM

independent PTO actuating, International, Start Serial: 8611

1шт.

8

391042R11

ARM, independent PTO actuating, Farmall, Serial Range: -27560

1шт.

8

391042R11

ARM, independent PTO actuating, International, Serial Range: -8610

1шт.

9

391045R1

SEALING WASHER

WASHER, friction

1шт.

10

391044R1

SPRING

friction disc

1шт.

11

104038

ADJUSTABLE CLEVIS,3/8"-24 x 2 1/2"

CLEVIS, 3/8-24 x 2-1/2 adj rod end

1шт.

103496

CLEVIS PIN,3/8" x 1.060"

PIN, 3/8 x 1-3/32 headed

1шт.

103373

COTTER PIN,3/32" x 3/4"

Pin, Split (Cotter), 3/32" x 3/4"

1шт.

114494

NUT,Jam, 3/8"-24, G5

1шт.

12

397099R1

ROD

independent PTO actuating, Farmall, Start Serial: 27561

1шт.

12

397099R1

ROD

independent PTO actuating, International, Start Serial: 8611

1шт.

12

391046R1

ROD

independent PTO actuating, Farmall, Serial Range: -27560

1шт.

12

391046R1

ROD

independent PTO actuating, International, Serial Range: -8610

1шт.

107762

WASHER,3/32" x 5/8"

PIN, SPLIT, (COTTER), 3/32" x 5/8"

1шт.

13

389018R11

PLATE

ASSY, rear light & independent PTO handle support, International tractors

1шт.

179793

BOLT,Hex, 1/4" - 20 x 5/8", Gr 5, Full Thd

2шт.

66317C1

BRACKET, IPTO handle decal

1шт.

14

393071R1

BOOT

independent PTO dust

1шт.

15

532158R1

SPRING

IPTO handle, will work for 400728R1

1шт.

16

SA2344

SPACER,3/8" Pipe x 7/16"

IPTO linkage spring

1шт.

533484R91

ASSEMBLY

PACKAGE, IPTO linkage handle spring and spacer, consists of (1) spacer SA2344, (1) spring 532158R1

1шт.

When replacing spring 400728R1 order package 533484R91

1шт.

Выбрано товаров: 39